电脑桌面
添加小米粒文库到电脑桌面
安装后可以在桌面快捷访问

激光视觉切割说明书DSP2资料

激光视觉切割说明书DSP2资料_第1页
1/31
激光视觉切割说明书DSP2资料_第2页
2/31
激光视觉切割说明书DSP2资料_第3页
3/31
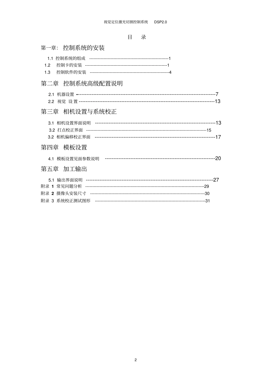
视觉定位激光切割控制系统DSP2.0 1 视觉定位激光切割控制系统DSP2.0 操作说明书V2.0 视觉定位激光切割控制系统DSP2.0 2 目录第一章: 控制系统的安装1.1 控制系统的组成--------------------------------------------------------1 1.2控制卡的安装 ----------------------------------------------------------1 1.3控制软件的安装--------------------------------------------------------4 第二章 控制系统高级配置说明2.1 机器设置 ----------------------------------------------------------------------------------7 2.2 视觉 设 置 --------------------------------------------------------------------------------13第三章 相机设置与系统校正3.1 相机设置界面说明-----------------------------------------------------------------------13 3.2 打点校正界面 -------------------------------------------------------------------------------------153.2 相机偏移校正界面-----------------------------------------------------------------------17 第四章 模板设置4.1 模板设置见面参数说明-----------------------------------------------------------------20 第五章 加工输出5.1 输出界面说明 ---------------------------------------------------------------------------27 附录 1 常见问题分析 ------------------------------------------------------------------------------------29附录 2 摄像头安装尺寸---------------------------------------------------------------------------------30附录 3 系统校正测试图形------------------------------------------------------------------------------31视觉定位激光切割控制系统DSP2.0 3 第一章控制系统的安装1.1控制系统的组成控制系统由硬件(控制卡)和软件两部分组成。硬件包括MPC03-LX控制卡一张;软件包括控制软件和加密狗。整个控制系统放在一个包装盒中,软件在光盘中。软件的目录说明:子目录名称目录中数据内容使用说明Install 安装程序Drivers 控制卡、加密狗驱动程序Doc 用户使用手册Word 格式的操作手册Demo Data PLT, BMP 等演示文件Read me 版本说明1.2MPC03LX控制卡的安装1.2.1 电脑配置要求操作系统 :Window2000 、Win XP;CPU:PIII 以上;主板:具有至少一个PCI 扩展槽( M...

1、当您付费下载文档后,您只拥有了使用权限,并不意味着购买了版权,文档只能用于自身使用,不得用于其他商业用途(如 [转卖]进行直接盈利或[编辑后售卖]进行间接盈利)。
2、本站所有内容均由合作方或网友上传,本站不对文档的完整性、权威性及其观点立场正确性做任何保证或承诺!文档内容仅供研究参考,付费前请自行鉴别。
3、如文档内容存在违规,或者侵犯商业秘密、侵犯著作权等,请点击“违规举报”。

碎片内容

激光视觉切割说明书DSP2资料

确认删除?
VIP
微信客服
  • 扫码咨询
会员Q群
  • 会员专属群点击这里加入QQ群
客服邮箱
回到顶部