电脑桌面
添加小米粒文库到电脑桌面
安装后可以在桌面快捷访问

化工原理课程设计——换热器

化工原理课程设计——换热器_第1页
1/10
化工原理课程设计——换热器_第2页
2/10
化工原理课程设计——换热器_第3页
3/10
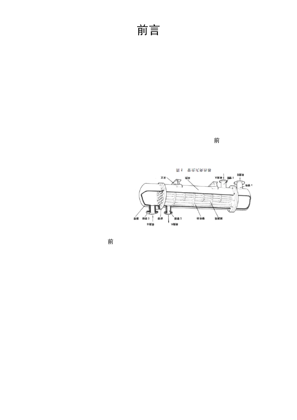
化工原理课程设计管壳式换热器选型姓名: 李鹏程学号: 10091693班级:工 092指导老师:袁萍华东理工大学 化工学院1前言1.换热器的设备简介传热是热能从热流体间接或直接传向冷流体的过程。其性质复杂,不但要考虑经过间壁的热传导,而且要考虑到间壁两边流体的对流传热,有时还须考虑到辐射传热。在化学工业中常遇到的热交换问题,根据冷、热流体热量交换的原理和方式基本上可分三大类即:间壁式、混合式和蓄热式。其中间壁式换热器詹用量最大,据统计,这类换热器占总用量的 99%。间壁式换热器又可分为管壳式和板壳式换热器两类,其中管壳式换热器以其高度的可靠性和广泛的适应性,在长期的操作过程中积累了丰富的经验,其设计资料基本齐全,在许多国家都有了系列化的标准。因此,作为广泛应用于各个领域的工业设备,它在国民经济中具有非常重要的作用。换热器(英语翻译:heatexchanger),是将热流体的部分热量传递给冷流体的设备,又称热交换器。管壳式换热器按结构特点分为固定管板式换热器、浮头式换热器、U 型管式换热器、双重管式换热器、填料函式换热器和双管板换热器等。前3种应用比较普遍。固定管板式换热器的结构:主要有外壳、管板、管束、顶盖(又称封头)等部件构成。它的特点是结构简单,没有壳侧密封连接,相同的壳体内径排管最多,在有折流板的流动中旁路最小,管程可以分成任何管程数,因两个管板由管子互相支撑,故在各种管壳式换热器中它的管板最薄,造价最低,因而得到广泛应用。这种换热器的缺点是:壳程清洗困难,有温差应力存在。。这种换热器适用于两种介质温差不大, 或温差较大但壳程压力不高及壳程介质清洁,不易结垢的场合。在满足工艺过程要求的前提下, 换热器应达到安全与经济的目标。换热器设计的主要任务是参数选择和结构设计、传热计算及压降计算等。设计主要包括壳体形式、管程数、换热管类型、管长、管子排列、管子支承结构、冷热流体的流动通道等工艺设计和封头、壳体、管板等零部件的结构、强度设计计算。换热器的工艺设计计算,依据设计任务的不同可分为设计计算和校核计算两种,包括计算换热面积和选型两个方面。一般已知冷、热流体的处理量和它们的物性。进出口温度、压力由工艺要求确定。设计中需选择或确定的数据有三大类,即物性数据、结构数据和工艺数据。具体来说,可以通过一下步骤来进行:初选换热器的尺寸规格,计算管程的压降和给热系数,计算壳程压降和给热系数,计算传热系数、校...

1、当您付费下载文档后,您只拥有了使用权限,并不意味着购买了版权,文档只能用于自身使用,不得用于其他商业用途(如 [转卖]进行直接盈利或[编辑后售卖]进行间接盈利)。
2、本站所有内容均由合作方或网友上传,本站不对文档的完整性、权威性及其观点立场正确性做任何保证或承诺!文档内容仅供研究参考,付费前请自行鉴别。
3、如文档内容存在违规,或者侵犯商业秘密、侵犯著作权等,请点击“违规举报”。

碎片内容

化工原理课程设计——换热器

您可能关注的文档

确认删除?
VIP
微信客服
  • 扫码咨询
会员Q群
  • 会员专属群点击这里加入QQ群
客服邮箱
回到顶部