电脑桌面
添加小米粒文库到电脑桌面
安装后可以在桌面快捷访问

球磨机进料端盖、轴瓦检修规程完整

球磨机进料端盖、轴瓦检修规程完整_第1页
1/8
球磨机进料端盖、轴瓦检修规程完整_第2页
2/8
球磨机进料端盖、轴瓦检修规程完整_第3页
3/8
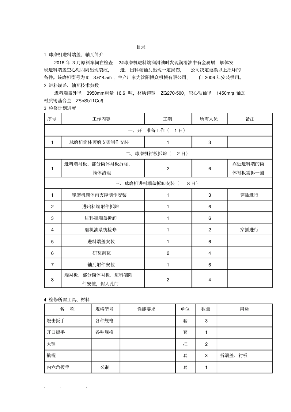
. . .球磨机进料端盖、轴瓦检修规程指导:编制:张宏胜东海氧化铝有限公司. . .目录1 球磨机进料端盖、轴瓦简介2016 年 3 月原料车间在检查2#球磨机进料端润滑油时发现润滑油中有金属屑,解体发现进料端盖空心轴四周出现裂纹,进、出料端轴瓦出现一定损伤,公司决定更换以上损坏的备件。该磨机型号为¢3.6*8.5m ,生产厂家为沈阳博众机械有限公司,自 2006 年安装投用。2 进料端盖、轴瓦技术参数进料端盖外径3950mm,重量 16.6 吨,材质铸钢ZG270-500,空心轴轴径1450mm,轴瓦材质锡基合金ZSnSb11Cu6。3 检修计划进度序号工作内容工期所需人员备注一、开工准备工作(1 日)1 球磨机筒体顶磨支架制作安装1 3 二、球磨机衬板拆除(2 日)1 进料端衬板、部分筒体衬板拆除、筒体清理2 6 靠近进料端的筒体衬板需拆一圈三、球磨机进料端盖拆卸安装(8 日)1 球磨机筒体内支撑制作安装1 3 穿插进行2 进出料端附件拆除1 6 3 进料端端盖拆卸1 6 4 磨机油系统检修1 2 穿插进行5 进料端盖安装1 6 6 研瓦刮瓦2 4 7 轴瓦附件安装1 6 8 端衬板、部分筒体衬板、进料端附件安装,封人孔门2 44 检修所需工具、材料名称规格型号性能要求单位数量用途敲击扳手各种规格套3 开口扳手各种规格套1 大锤把2 撬棍套3 拆端盖、衬板内六角扳手公制套1 . . .管钳套1 电焊机检查、检验绝缘合格台1 透明塑料布m 20 盖空心轴表面安全带检查、检验合格套3 安全警戒绳m 100 螺丝刀大号把1 外径千分尺0-50mm 已受检,在有效期内件1 游标卡尺0-150mm 已受检,在有效期内件1 条式水平仪已受检,在有效期内件1 百分表(含表座)0-10mm 已受检,在有效期内件1 空心轴顶起高度红丹粉Kg 5 研磨轴瓦卸扣5t检查、检验合格个4 拆装端盖链条葫芦5 吨检查、拉力试验合格台2 拆装端盖链条葫芦20 吨检查、拉力试验合格台2 拆装端盖钢丝绳各种规格确保每根钢丝绳的承力能力为实际载荷的8倍,且无断丝、断股、锈蚀根若干氧气、乙炔表已受检,在有效期内套2 割刀把2 电焊线1×35 检查、试验绝缘合格m 70 氧气、乙炔皮带φ 8 完整,不漏气m 100 电焊面罩个2 磨光机φ 100 检查、检验绝缘合格,试转良好, 保护罩可靠台1 各种密封面磨光机φ 150 检查、检验绝缘合格,试转良好, 保护罩可靠台1 各种密封面配电箱检查、检验绝缘合格个2 内磨机检查、检验绝缘合格,试转良好台1 钢丝钳把2 . . .斜口...

1、当您付费下载文档后,您只拥有了使用权限,并不意味着购买了版权,文档只能用于自身使用,不得用于其他商业用途(如 [转卖]进行直接盈利或[编辑后售卖]进行间接盈利)。
2、本站所有内容均由合作方或网友上传,本站不对文档的完整性、权威性及其观点立场正确性做任何保证或承诺!文档内容仅供研究参考,付费前请自行鉴别。
3、如文档内容存在违规,或者侵犯商业秘密、侵犯著作权等,请点击“违规举报”。

碎片内容

球磨机进料端盖、轴瓦检修规程完整

确认删除?
VIP
微信客服
  • 扫码咨询
会员Q群
  • 会员专属群点击这里加入QQ群
客服邮箱
回到顶部