电脑桌面
添加小米粒文库到电脑桌面
安装后可以在桌面快捷访问

加氢装置停工方案扫线蒸塔二班VIP免费

加氢装置停工方案扫线蒸塔二班_第1页
1/12
加氢装置停工方案扫线蒸塔二班_第2页
2/12
加氢装置停工方案扫线蒸塔二班_第3页
3/12
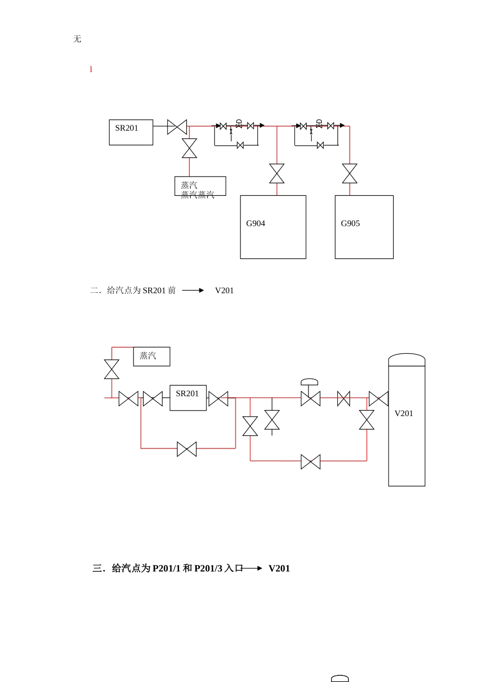
无加氢装置停工方案一、停工准备工作1、保证制氮机运转、备用正常,有足够的氮气以供反应系统置换及吹扫用;2、联系调度安排退污油罐,落实退油流程;3、通知化验室,作好停工期间分析项目的准备工作,停工期间临氢系统N2置换分析项目合格要求,氢十烃的体积含量小于0.7%;4、通知胜利石化总厂将要减少新氢需求量,最终降为零;5、检查消防,安全设施是否齐全好用,备好消防车,并且准备好停工用的工,器材。二、停工步骤1、加氢装置降温降量、改长循环(10月2日3点)1.1通知原料罐区停进料后,关界区原料线手阀,缓慢将加氢原料降低,注意先降温后降量,然后将精制油改入原料缓冲罐V201,关闭精制油出装置阀,适当降低反应入口温度;(注:长循环时加强R201切水)1.2缓慢反应系统保证,适量补入补氢,并由压控P2C-调K201出口新氢返固量,来控制在正常操作值,同时缓慢降低加氢进料量,停止循环氢排放,保持循环氢中H2S浓度≮0.1%,当床层无温升时停注水,停注水前将高分R202界位提至100%,关闭注水泵出口阀及注水点阀;1.3当床层无温升时,缓慢降低,汽提蒸汽量在至关闭,打开炉后过热蒸汽放阀放空,停汽提蒸汽前将汽提顶回流罐界位提至100%,据T201顶回流罐液位与T201顶温情况停T201塔顶回流泵;1.4同时分馏系统改短循环,反应系统间断,向分馏减油,维持好分馏塔T202液面,重沸炉202入口降温;1.5长循环时间:待床层无温升时再循环4小时后切断反应进料,停止长循环;1.6始将R201、R202、R203及T201、T202中油品送至不合格罐,适时停止这些抽出泵,停止送油,将R202、R203中污水送出装置;1.7长循环时降反应器入口温度至260℃,降临氢系统压力到3.0MPa。2、热氢吹扫及N2置换(10月2日6点)2.1反应器入口温度升至320℃恒温,K202负荷提至100%,以热氢吹扫床层,当R202液位不再上升时,再吹扫4-8小时(注意循环氢中H2S浓度≮0.1%,否则提前降温,结束热氢吹扫,新氢停止补入反应系统改造故火炬,联系调度停送氢,准备停机201;)2.2降温降压:反应系统压力以≯0.5/min速度降至3.0MPa,反应入口温度降至150℃时,无灭火嘴,关闭手阀,保留长明灯,停风机,合开烟道挡板;(注意反应器温度大于150℃前,反应系统压力降压,循环氢中H2S浓度≮0.1%,据高分R202及系统适时停空冷,关闭,水冷出口阀);2.3当反应床层,温度低于150℃时停K202,压力降至常压,由K202出口补入N2进行反应系统脱氢;由K202入口分液罐控阀放火炬,进料氮气置换,当H2+HC≯1.0%时为合格,用N2保持正压;3、分馏系统停工3.1装置进行长循环时,分馏维持后操作;当反应加热炉201开始降温后,炉202出口温度以降至150℃,当反应进料泵P201停后,炉202熄火,燃后停汽提蒸汽;3.2T201顶温小于70℃时,停A202风机,小于50℃时,L202循环水,将R204内液体全部打入T201,将T201内液体打入T202的同时,降T201的压力至0.12MPa,在T201内液体时,确保T201、T202两塔气相连通;3.3当分馏塔顶加流罐R205液体进入时,手动全开R205液控阀,汽油改至不合格油线进不合格罐,当R205液面降低最低,分馏塔顶回流泵P208抽空时,停泵;3.4当T202已无液体进入时,手动T201底液控阀全开将T202中柴油送入不合格罐,当T202底液位空,T202精制柴汪泵P202抽空后停泵,然后停精柴空冷器A204风机;3.5利用压控将塔顶酸性气排至火炬,逐渐将T201、T202顶压降至0.02MPa。4.吹扫(10月2号14:00到10月3号19点结束)4.1检查流程开关,逐一缓慢打开给汽阀,4.2.给汽之后,按流程检查各排汽点排放情况及时排水,发现问题及时处理;4.3全线给汽后,调节各部门阀门,按吹扫要求调整压力;4.4吹扫12h,检查各排汽点排汽情况,干净后停汽,加热炉熄火高低点,放空排凝;4.5加设盲要登记;4.6工艺管线集中吹扫10min,单线依次吹扫后,再全面进行;4.7注意反复检查各排汽点排汽情况,防止个别管线吹扫不充分,留下死角和盲端;4.8注意检查跨线部分流通以及管线交叉气流分配情况,防止形成死角;4.9每条管线要登记,开停汽时间要准确记录;4.10吹扫时间:介质为汽油的管线设备吹扫时间≮12h,柴油的≮24h;4.11吹扫结束后,要及时打开有关放空阀,排尽存水,...

1、当您付费下载文档后,您只拥有了使用权限,并不意味着购买了版权,文档只能用于自身使用,不得用于其他商业用途(如 [转卖]进行直接盈利或[编辑后售卖]进行间接盈利)。
2、本站所有内容均由合作方或网友上传,本站不对文档的完整性、权威性及其观点立场正确性做任何保证或承诺!文档内容仅供研究参考,付费前请自行鉴别。
3、如文档内容存在违规,或者侵犯商业秘密、侵犯著作权等,请点击“违规举报”。

碎片内容

加氢装置停工方案扫线蒸塔二班

您可能关注的文档

确认删除?
VIP
微信客服
  • 扫码咨询
会员Q群
  • 会员专属群点击这里加入QQ群
客服邮箱
回到顶部