电脑桌面
添加小米粒文库到电脑桌面
安装后可以在桌面快捷访问

防雷金具按装使用说明书样本

防雷金具按装使用说明书样本_第1页
1/4
防雷金具按装使用说明书样本_第2页
2/4
防雷金具按装使用说明书样本_第3页
3/4
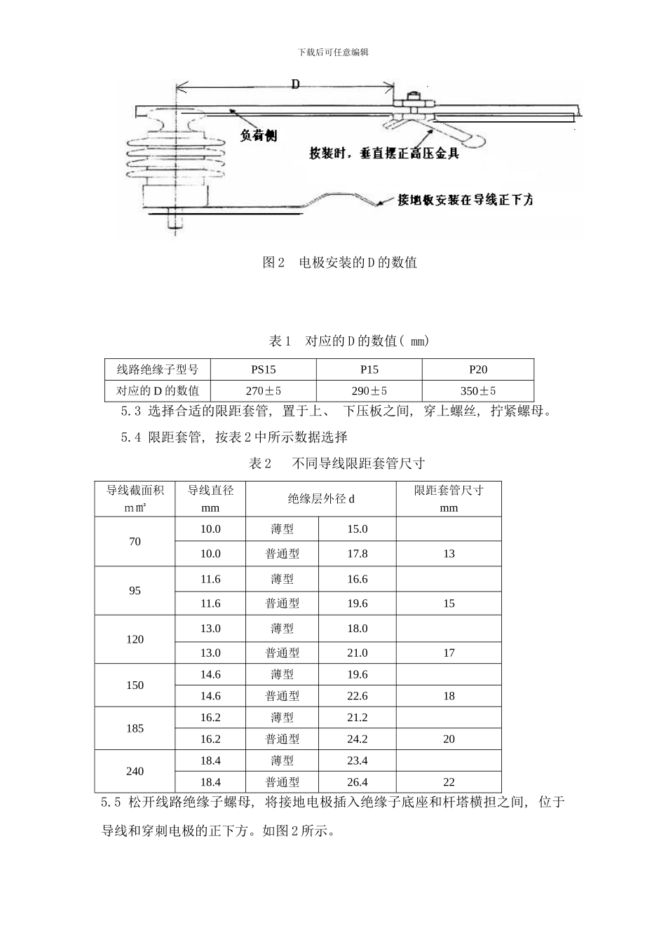
下载后可任意编辑防雷金具安装说明书1 前言为了减少树木、 鸟害、 积雪以及人为等外部因素引起的架空线路故障, 提高配电网络的供电可靠性, 中国从 80 年代开始对城市架空配电网络实施绝缘化改造试点, 90 年代加快了步伐, 大量使用了绝缘导线。但在运行过程中发现绝缘导线遭遇雷击后断线的现象时有发生, 有些地区的绝缘导线更是”遭雷必断”, 这一严重的事故隐患一直困扰着广阔电力生产部门的领导和工程技术人员。2 故障分析架空线路遭遇雷击后, 雷电压必定找到一个绝缘薄弱环节( 如横担或穿墙套管附近) 将其瞬间击穿, 产生雷电流通道。继而发生相间短路在相间产生工频续流( 即电弧) , 电弧在裸导线上, 会因电动力的作用, 由电源侧向负荷侧移动, 由电弧产生的热量得到迅速分散, 一般情况下不会将裸导线烧断。但在绝缘导线上, 由于绝缘外套的阻隔, 电弧无法移动, 强大的短路电流集中到一个点上将绝缘导线瞬间烧断, 因此绝缘导线遭遇雷击后更容易发生断线事故。3 产品说明 穿刺型防雷金具是为防止 10kV 架空绝缘导线雷击断线而开发的新产品。其原理为: 将该金具安装在线路绝缘子附近的绝缘导线上, 当雷电过电压超过一定数值时, 在防雷金具的穿刺电极和接地电极之间引起闪络, 形成短路通道, 接续的工频电弧便在防雷金具上燃烧, 以保护导线免于烧伤断线。2 产品型号及含义 FHJWT—□ 导线截面积m㎡ 防雷金具下载后可任意编辑 4 外形安装尺寸 FHJWT—70/240 穿刺型防雷金具, 由穿刺电极、 接地电极和绝缘罩三部分组成。其中, 穿刺电极外形、 尺寸如图 1 所示。接地电极和绝缘罩的外形图见图 2、 3。图 1 穿刺高压电极的外形、 尺寸 5 安装方法; 5.1 根据绝缘导线的标称截面积选择对应型号的型防雷金具。本防雷金具适用于单向供电线路, 安装在绝缘子的负荷侧( 背离电源侧) 。5.2 如图 2 所示, 将穿刺高压电极安装在绝缘导线上, 按表 1 调整 D 数值下载后可任意编辑图 2 电极安装的 D 的数值表 1 对应的 D 的数值( mm) 线路绝缘子型号PS15P15P20对应的 D 的数值270±5290±5350±5 5.3 选择合适的限距套管, 置于上、 下压板之间, 穿上螺丝, 拧紧螺母。 5.4 限距套管, 按表 2 中所示数据选择表 2 不同导线限距套管尺寸导线截面积m㎡导线直径mm绝缘层外径 d限距套管尺寸mm7010.0薄型15.010.0普通型17.8139511.6薄型16.611.6普通型19.61512013.0薄型18...

1、当您付费下载文档后,您只拥有了使用权限,并不意味着购买了版权,文档只能用于自身使用,不得用于其他商业用途(如 [转卖]进行直接盈利或[编辑后售卖]进行间接盈利)。
2、本站所有内容均由合作方或网友上传,本站不对文档的完整性、权威性及其观点立场正确性做任何保证或承诺!文档内容仅供研究参考,付费前请自行鉴别。
3、如文档内容存在违规,或者侵犯商业秘密、侵犯著作权等,请点击“违规举报”。

碎片内容

防雷金具按装使用说明书样本

确认删除?
VIP
微信客服
  • 扫码咨询
会员Q群
  • 会员专属群点击这里加入QQ群
客服邮箱
回到顶部