电脑桌面
添加小米粒文库到电脑桌面
安装后可以在桌面快捷访问

学习情境7孔系零件的数控钻镗加工

学习情境7孔系零件的数控钻镗加工_第1页
1/21
学习情境7孔系零件的数控钻镗加工_第2页
2/21
学习情境7孔系零件的数控钻镗加工_第3页
3/21
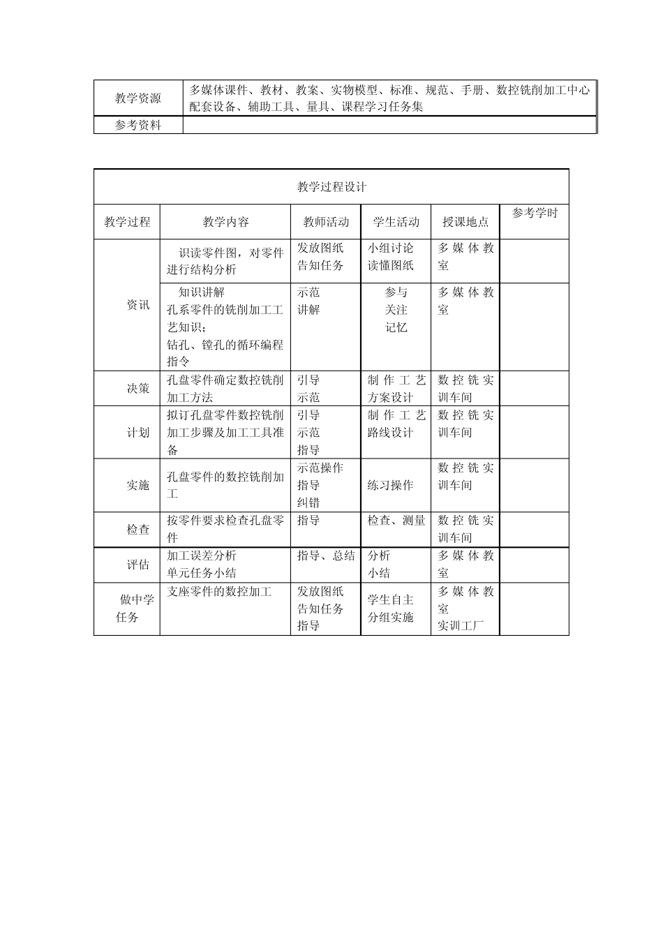
《数控机床加工零件》教案 学习情境7 孔系零件的数控钻镗加工 学习情境 学习情境7 孔系零件的数控钻镗加工 参考学时 3 0 授课班级 学中做任务: 孔系零件数控钻镗加工 孔盘零件图 任务描述 根据孔盘零件图的要求,以小组或独立工作的形式,结合相关知识点,操作数控铣削加工中心完成孔盘的数控铣削加工。 教学目标 技能目标 1 .掌握钻孔、镗孔的循环编程指令; 2 .掌握孔系零件的加工工艺; 3 .具备孔系零件手工编程的能力, 4.具备操作数控铣床/加工中心加工孔系零件的能力, 5.具备熟练运用常规量具对孔系零件质量检测的能力, 6 .具备分析产品质量、改进优化加工工艺及编程的能力 知识目标 1 .孔系零件数控铣削编程指令 2 .孔系零件数控加工工艺 3 .孔类刀具的选用 4 .操作数控铣床/加工中心加工孔系零件 素质目标 1 .能够培养学生的基本技能能力,同时使学生对专业有一定的理解 2 .通过知识教学的过程培养学生学习能力、方法能力及社交能力 重点 难点 及 解决办法 重点: 钻孔、镗孔的循环编程指令、程序编制 难点: 孔系零件结构工艺分析 解决办法: 1 .学生以小组讨论的方式读懂零件图; 2 .教师引导和帮助学生进行相关知识结构分析,理解图纸要求的结构难点及关键技巧,制定零件的加工工艺路线。 3 .教师示范讲解,学生练习操作,教师与学生,学生与学生互动共同完成孔盘的数控铣削加工 教学方法 讲授法、现场教学法、引导文法、任务驱动、讨论法、归纳总结法、演示法、实际操作 教学资源 多媒体课件、教材、教案、实物模型、标准、规范、手册、数控铣削加工中心配套设备、辅助工具、量具、课程学习任务集 参考资料 教学过程设计 教学过程 教学内容 教师活动 学生活动 授课地点 参考学时 7.1资讯 1.识读零件图,对零件进行结构分析 发放图纸 告知任务 小组讨论 读懂图纸 多媒体教室 1 2.知识讲解 孔系零件的铣削加工工艺知识; 钻孔、镗孔的循环编程指令 示范 讲解 参与 关注 记忆 多媒体教室 4 7.2决策 孔盘零件确定数控铣削加工方法 引导 示范 制 作 工 艺方案设计 数 控 铣 实训车间 1 7.3计划 拟订孔盘零件数控铣削加工步骤及加工工具准备 引导 示范 指导 制 作 工 艺路线设计 数 控 铣 实训车间 12 7.4实施 孔盘零件的数控铣削加工 示范操作 指导 纠错 练习操作 数 控 铣 实训车间 10 7.5检查 按零件...

1、当您付费下载文档后,您只拥有了使用权限,并不意味着购买了版权,文档只能用于自身使用,不得用于其他商业用途(如 [转卖]进行直接盈利或[编辑后售卖]进行间接盈利)。
2、本站所有内容均由合作方或网友上传,本站不对文档的完整性、权威性及其观点立场正确性做任何保证或承诺!文档内容仅供研究参考,付费前请自行鉴别。
3、如文档内容存在违规,或者侵犯商业秘密、侵犯著作权等,请点击“违规举报”。

碎片内容

学习情境7孔系零件的数控钻镗加工

您可能关注的文档

确认删除?
VIP
微信客服
  • 扫码咨询
会员Q群
  • 会员专属群点击这里加入QQ群
客服邮箱
回到顶部