电脑桌面
添加小米粒文库到电脑桌面
安装后可以在桌面快捷访问

网架结构工程质量检验评定标准VIP专享

网架结构工程质量检验评定标准_第1页
1/7
网架结构工程质量检验评定标准_第2页
2/7
网架结构工程质量检验评定标准_第3页
3/7
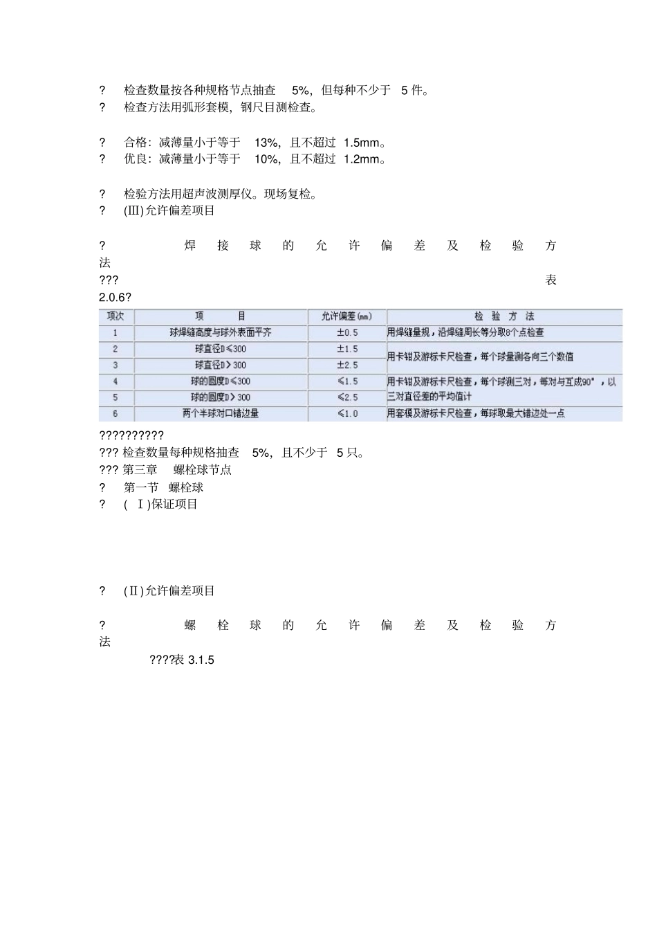
网架结构工程质量检验评定标准目录? ?第一章总则 ? ?第二章焊接球节点 ? ?第三章螺栓球节点 ? ?第一节螺栓球 ? ?第二节高强度螺栓 ? ?第三节封板、锥头、套筒 ? ?第四章焊接钢板节点 ? ?第五章杆件 ? ?第六章网架结构安装 ? ?第七章油漆、防腐、防火涂装工程? 第一章总则第 1.0.1 条 为加强对网架结构制造及安装质量的管理,开展对网架结构工程质量的检验及评定,特制定本标准。JGJ75、2— 91 及其它有关标准的规定。一、合格:1.保证项目必须符合相应质量检验评定标准的规定;2.基本项目抽检的处(件)应符合相应质量检验评定标准合格栏的规定;? 3.允许偏差项目抽检的点数中, 有 70%及其以上的实测值应在相应质量检验评定标准的允许偏差范围内。??? 二、优良:?1.保证项目必须符合相应质量检验评定标准的规定;?2.基本项目每项抽检的处(件)应符合相应质量检验评定标准合格栏的规定;其中 50%及其以上的处(件)符合优良规定,该项即为优良;优良项数应占检验项数 50%及其以上。?一、合格:所含分项工程的质量全部合格;?二、优良:所含分项工程的质量全部合格,其中50%及其以上为优良。??? 第二章焊接球节点?(Ⅰ)保证项目?1.当继续加荷而仪表的荷载读数却不上升时,该读数即为极限破坏值;?2.在 F— △曲线( F—— 加荷重量;△ —— 相应荷载下沿受力纵轴方向的变形)上取曲线的峰值为极限破坏值。?(Ⅱ)基本项目?合格:无明显波纹及局部凹凸不平不大于1.5mm。?优良:光滑平整、无波纹、局部凹凸不平不大于1.0mm。?检查数量按各种规格节点抽查5%,但每种不少于5 件。?检查方法用弧形套模,钢尺目测检查。?合格:减薄量小于等于13%,且不超过 1.5mm。?优良:减薄量小于等于10%,且不超过 1.2mm。?检验方法用超声波测厚仪。现场复检。?(Ⅲ)允许偏差项目?焊接球的允许偏差及检验方法??? 表2.0.6??????????? ??? 检查数量每种规格抽查5%,且不少于 5 只。??? 第三章螺栓球节点?第一节螺栓球?( Ⅰ)保证项目?(Ⅱ)允许偏差项目?螺栓球的允许偏差及检验方法????表 3.1.5 ? ????第二节高强度螺栓(Ⅰ)保证项目?(Ⅱ)允许偏差项目?高强度螺栓的允许偏差及检验方法????表 3.2.5? ??? 检查数量每种规格抽查5%,且不少于 5 只。??? 第三节封板、锥头、套筒?(Ⅰ)保证项目只。检验方法:用放大镜观察检查。?(Ⅱ)允许偏差项目?封板、锥头、套筒的允许偏差及检验方法????表 3.3.3 ??? ??? 注:①...

1、当您付费下载文档后,您只拥有了使用权限,并不意味着购买了版权,文档只能用于自身使用,不得用于其他商业用途(如 [转卖]进行直接盈利或[编辑后售卖]进行间接盈利)。
2、本站所有内容均由合作方或网友上传,本站不对文档的完整性、权威性及其观点立场正确性做任何保证或承诺!文档内容仅供研究参考,付费前请自行鉴别。
3、如文档内容存在违规,或者侵犯商业秘密、侵犯著作权等,请点击“违规举报”。

碎片内容

网架结构工程质量检验评定标准

确认删除?
VIP
微信客服
  • 扫码咨询
会员Q群
  • 会员专属群点击这里加入QQ群
客服邮箱
回到顶部