电脑桌面
添加小米粒文库到电脑桌面
安装后可以在桌面快捷访问

自锁控制电路教学设计

自锁控制电路教学设计_第1页
1/5
自锁控制电路教学设计_第2页
2/5
自锁控制电路教学设计_第3页
3/5
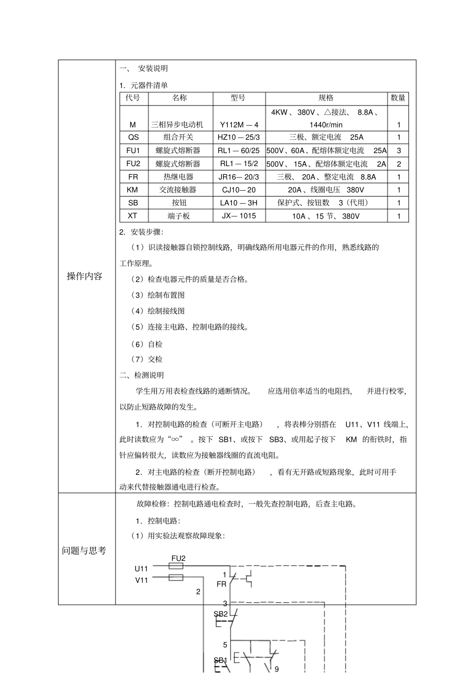
任务名称任务 1.3 自锁控制电路安装教学课时6 课时教学目标知识目标: 理解电气控制线路图绘制的原则;理解自锁控制电路的工作原理能力目标:能够正确使用电工用具;在电力拖动线路板上合理布置电器元件,并能安电路图接线,同时能检修线路故障。能按原理图进行接线和调试并能对各控制线路的故障进行检修与检修。1.能够识读和绘制电气控制原理图;2.能结合控制电路器件进行规范、合理的布局并能正确绘制、识读接线图;3.会结合控制对象选择相关控制器件并能正确使用与安装,会使用常用检测工具和仪表;4.能规范地进行电气控制线路的安装与检测维护,并能将所学典型控制环节运用于实际控制电路中。5.培养学生良好的职业道德、安全生产、规范操作、质量及效益意识。素质目标:教学程序教学仪器维修电工室、常用低压电器、电工用具、电力拖动线路板、连接导线等。理论内容1.电动机连续与点动混合控制线路图2.元器件介绍热继电器:热继电器是利用流过继电器的电流所产生的热效应而反时限动作的继电器。所谓反时限动作,是指电器的延时动作时间随通过电路电流的增加而缩短。热继电器主要用于电动机的过载保护、断相保护、电流不平衡运行的保护及其他电气设备发热状态的控制。热继电器的型号及含义:热继电器的结构:由热元件、动作机构、触头系统、电流整定装置、复位机构和温度补偿元件等部分组成。热继电器的使用:将热继电器的三相热元件分别串接在电动机的三相主电路中,常闭触头串接在控制电路的接触器线圈回路中。热继电器的符号:3.控制电路工作原理:先合上电源开关QS。(1)连续控制:(2)点动控制:额定电流继电器热带断相保护装置设计序号J R 极数D FR 热元件FR 常闭触头启 动 : 按 下SB1 KM线圈得电KM 自锁触头闭合自锁KM主触头闭合电动机 M 启动 连 续 运转。停 止 : 按 下KM线圈失KM自锁触头分断解除自KM主触头闭电动机 M失 电 停启动:按下 SB3 SB3 常闭触头先分断切除自锁电SB3 常开触头后闭合电动机M 得电启动运KM 线圈得电KM自锁触头闭KM主 触 头 闭停止:松开 SB3 SB3 常开触头先恢复分断SB3 常闭触头后恢复闭合(此时KM 自锁触头已电动机 M 失电停转KM自锁触头分KM主触头分KM线 圈 失操作内容一、 安装说明1.元器件清单代号名称型号规格数量M 三相异步电动机Y112M — 4 4KW 、380V 、△接法、 8.8A 、1440r/min 1 QS 组合开关HZ10 — 25/3 三极、额定电流...

1、当您付费下载文档后,您只拥有了使用权限,并不意味着购买了版权,文档只能用于自身使用,不得用于其他商业用途(如 [转卖]进行直接盈利或[编辑后售卖]进行间接盈利)。
2、本站所有内容均由合作方或网友上传,本站不对文档的完整性、权威性及其观点立场正确性做任何保证或承诺!文档内容仅供研究参考,付费前请自行鉴别。
3、如文档内容存在违规,或者侵犯商业秘密、侵犯著作权等,请点击“违规举报”。

碎片内容

自锁控制电路教学设计

文库响当当+ 关注
实名认证
内容提供者

该用户很懒,什么也没介绍

相关文档

确认删除?
VIP
微信客服
  • 扫码咨询
会员Q群
  • 会员专属群点击这里加入QQ群
客服邮箱
回到顶部