电脑桌面
添加小米粒文库到电脑桌面
安装后可以在桌面快捷访问

井字架和龙门架

井字架和龙门架_第1页
1/27
井字架和龙门架_第2页
2/27
井字架和龙门架_第3页
3/27
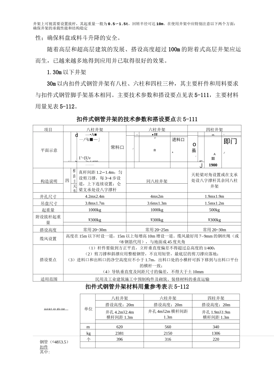
八字进料口面立杆 ZT—八柱井架平面立六柱井架平面图 5-144 井架井字架和龙门架扣件式钢管井架井式垂直运输架,通称井架或井字架(图 5-144),是施工中最常用的、也是最为简便的垂直运输设施。它的稳定性好、运输量大,除用型钢或钢管加工的定型井架之外、还可采用许多种脚手架材料搭设起来,而且可以搭设较高的高度(达50m 以上)。一般的井架多为单孔井架,但也可构成两孔或多孔井架。井架内设吊盘(也可在吊盘下加设混凝土料斗);两孔或三孔井架可以分别设置吊盘或料斗,以满足同时运输多种材料的需要。天轮梁〜天轮缆珮7大横杆吊地轮—立杆"剪刀撐侧面大横杆小横二-吊盘一进料口一--小横杆钢管(©48X3.5)扣件其中:材料名称规单位八柱井架六柱井架四柱井架搭设高度:20m搭设高度:20m搭设高度:20m井孔 4.2mX2.4m横杆间距 1.3m井孔 4mX2m 横杆间距1.3m井孔 1.9mX1.9m横杆间距 1.3mm620560340kg238121501306个396316220井架上可视需要设置拔杆,其起重量一般为 0.5〜1.5t,回转半径可达 10m。在使用井架中应特别注意以下两个方面:确保井架的承载性能和结构稳定性;确保料盘或料斗升降的安全。随着高层和超高层建筑的发展、搭设高度超过 100m 的附着式高层井架应运而生,已越来越多地得到应用并已取得很好的效果。1.30m 以下井架30m 以内扣件式钢管井架有八柱、六柱和四柱三种,其主要杆件和用料要求与扣件式钢管脚手架基本相同。主要技术参数和搭设要点见表 5-111,主要材料用量见表 5-112。扣件式钢管井架的技术参数和搭设要点表 5-111项目八柱井架六柱井架四柱井架平面示意2dJ—•A■—戶&■…」1v~[Uv3x1400常料口c•JIn1Jo虽JV囱进料口A■11AII1900即门J——J构造说明四横面士真杆间距 1.2〜1.4m;匀设剪刀撑,每 3~4 步设道,上下连续设置;仑梁支承处设八字撑杆同八柱井架天轮梁对角设置或在支承处设八字撑杆其余同八柱井架天车井孔尺寸4.2mx2.4m4mx2m1.9mx1.9m吊盘尺寸3.8mx1.7m3.6mx1.3m1.5mx1.2m起重量1000kg1000kg500kg附设拔杆起重量W300kgW300kgW300kg搭设高度常用 20~30m常用 20~25m常用 20~30m缆风设置高度在 15m 以下时设一道,15m 以上每增高 10m 增设一道。缆风最好用 7〜9mm 的钢丝绳(或©8 钢筋代用),与地面成 45 度夹角搭设要点(1)杆件要做到方正平直,立杆垂直度偏差不得超过总高度的 1/400;(2)剪刀撑和斜撑应用整根钢管,不宜用短管,最底层的剪刀撑应落地;(3)进料口...

1、当您付费下载文档后,您只拥有了使用权限,并不意味着购买了版权,文档只能用于自身使用,不得用于其他商业用途(如 [转卖]进行直接盈利或[编辑后售卖]进行间接盈利)。
2、本站所有内容均由合作方或网友上传,本站不对文档的完整性、权威性及其观点立场正确性做任何保证或承诺!文档内容仅供研究参考,付费前请自行鉴别。
3、如文档内容存在违规,或者侵犯商业秘密、侵犯著作权等,请点击“违规举报”。

碎片内容

井字架和龙门架

您可能关注的文档

确认删除?
VIP
微信客服
  • 扫码咨询
会员Q群
  • 会员专属群点击这里加入QQ群
客服邮箱
回到顶部