电脑桌面
添加小米粒文库到电脑桌面
安装后可以在桌面快捷访问

质量缺陷处理记录表97116VIP专享

质量缺陷处理记录表97116_第1页
1/8
质量缺陷处理记录表97116_第2页
2/8
质量缺陷处理记录表97116_第3页
3/8
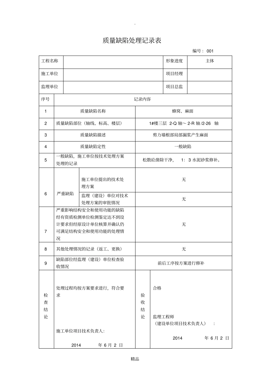
. 精品质量缺陷处理记录表编号 :001工程名称形象进度主体施工单位项目经理监理单位项目总监序号记录内容1质量缺陷名称蜂窝、麻面2质量缺陷部位(轴线、标高、楼层)1#楼三层 2-Q 轴~ 2-R 轴 /2-26轴3质量缺陷描述剪力墙根部局部漏浆产生麻面4质量缺陷定性一般缺陷5一般缺陷,施工单位按技术处理方案处理的记录松散砼凿除干净,1: 3 水泥砂浆修补。6严重缺陷施工单位提出的技术处理方案无监理(建设)单位对技术处理方案的审批情况无7严重影响结构安全和使用功能的缺陷经有资质检测单位检测鉴定达不到设计要求但经原设计单位核算并确认仍可满足结构安全和使用功能的处理情况无8其他处理情况的记录(返工、更换)无9缺陷部位经监理(建设)单位检查验收情况前后工序按方案进行修补检查结论处理过程均按方案要求进行,符合要求施工单位项目技术负责人: 2014年 6 月 2 日验收结论合格监理工程师(建设单位项目技术负责人): 2014年 6 月 2 日. 精品修补前修补后质量缺陷处理记录表. 精品编号 :004工程名称形象进度主体施工单位项目经理监理单位项目总监序号记录内容1质量缺陷名称吊脚2质量缺陷部位(轴线、标高、楼层)5#楼八层 7-M 轴~ 7-S 轴/7-16 轴剪力墙3质量缺陷描述楼梯剪力墙根部局部产生吊脚4质量缺陷定性一般缺陷5一般缺陷,施工单位按技术处理方案处理的记录凿除涨出部份砼,采用水泥砂浆补平6严重缺陷施工单位提出的技术处理方案无监理(建设)单位对技术处理方案的审批情况无7严重影响结构安全和使用功能的缺陷经有资质检测单位检测鉴定达不到设计要求但经原设计单位核算并确认仍可满足结构安全和使用功能的处理情况无8其他处理情况的记录(返工、更换)无9缺陷部位经监理(建设)单位检查验收情况前后工序按方案进行修补检查结论处理过程均按方案要求进行,符合要求施工单位项目技术负责人: 2014年 7 月 2 日验收结论合格监理工程师(建设单位项目技术负责人): 2014年 7 月 2 日. 精品修补前修补后质量缺陷处理记录表编号 :008工程名称形象进度主体施工单位项目经理. 精品监理单位项目总监序号记录内容1质量缺陷名称蜂窝2质量缺陷部位(轴线、标高、楼层)3#楼十八层 5-A 轴~ 5-C 轴/5-6轴剪力墙3质量缺陷描述剪力墙根部局部蜂窝4质量缺陷定性一般缺陷5一般缺陷,施工单位按技术处理方案处理的记录凿除松散部份砼,采用水泥砂浆修补6严重缺陷施工单位提出的技术处理方案无监理...

1、当您付费下载文档后,您只拥有了使用权限,并不意味着购买了版权,文档只能用于自身使用,不得用于其他商业用途(如 [转卖]进行直接盈利或[编辑后售卖]进行间接盈利)。
2、本站所有内容均由合作方或网友上传,本站不对文档的完整性、权威性及其观点立场正确性做任何保证或承诺!文档内容仅供研究参考,付费前请自行鉴别。
3、如文档内容存在违规,或者侵犯商业秘密、侵犯著作权等,请点击“违规举报”。

碎片内容

质量缺陷处理记录表97116

确认删除?
VIP
微信客服
  • 扫码咨询
会员Q群
  • 会员专属群点击这里加入QQ群
客服邮箱
回到顶部