电脑桌面
添加小米粒文库到电脑桌面
安装后可以在桌面快捷访问

速关控制装置资料

速关控制装置资料_第1页
1/8
速关控制装置资料_第2页
2/8
速关控制装置资料_第3页
3/8
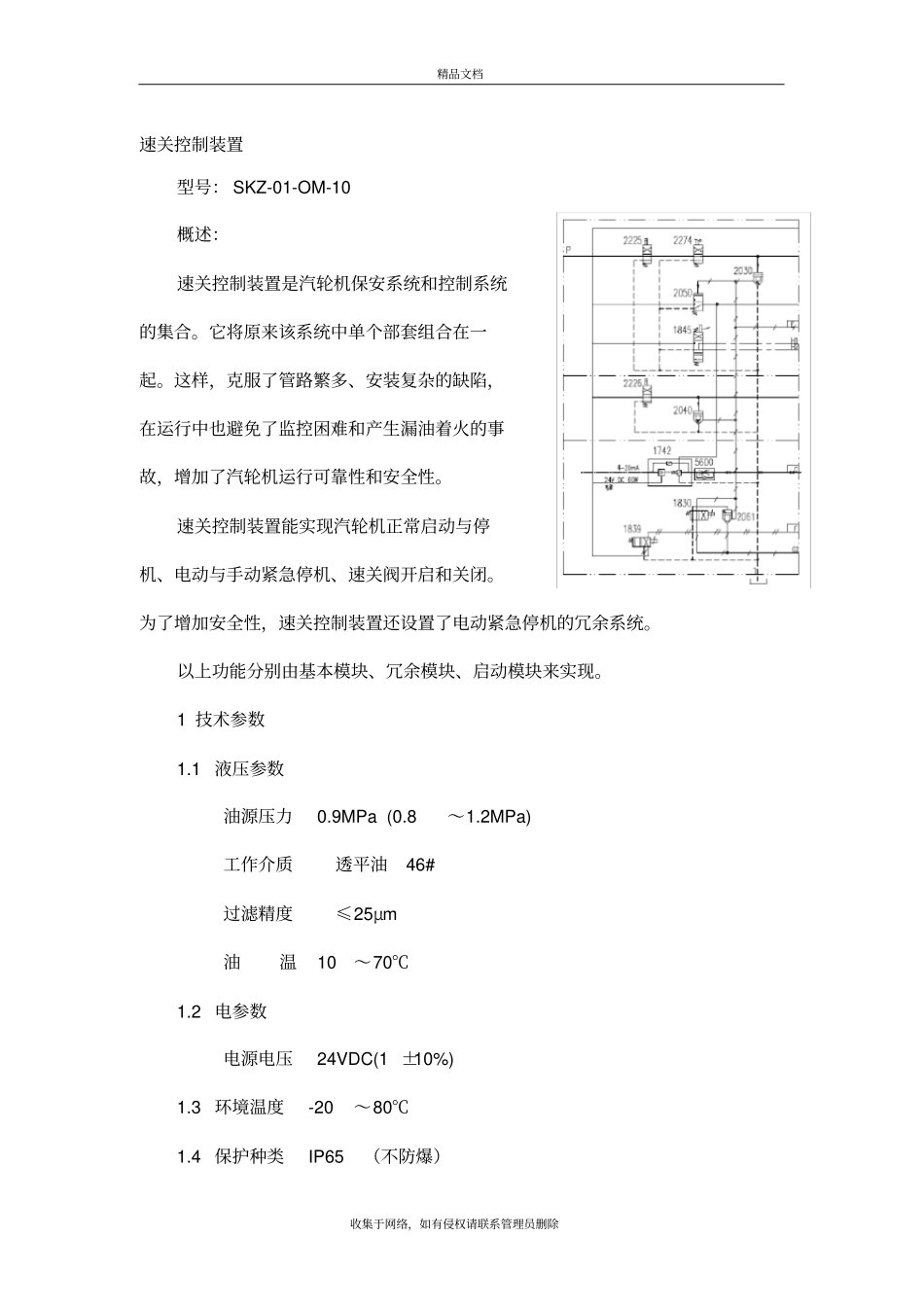
速 关 控 制 装 置精品文档收集于网络,如有侵权请联系管理员删除速关控制装置型号: SKZ-01-OM-10 概述:速关控制装置是汽轮机保安系统和控制系统的集合。它将原来该系统中单个部套组合在一起。这样,克服了管路繁多、安装复杂的缺陷,在运行中也避免了监控困难和产生漏油着火的事故,增加了汽轮机运行可靠性和安全性。速关控制装置能实现汽轮机正常启动与停机、电动与手动紧急停机、速关阀开启和关闭。为了增加安全性,速关控制装置还设置了电动紧急停机的冗余系统。以上功能分别由基本模块、冗余模块、启动模块来实现。1 技术参数1.1 液压参数油源压力 0.9MPa (0.8~1.2MPa) 工作介质透平油 46# 过滤精度≤25μm 油温 10~70℃1.2 电参数电源电压 24VDC(1 ±10%) 1.3 环境温度 -20~80℃1.4 保护种类 IP65(不防爆)精品文档收集于网络,如有侵权请联系管理员删除2 功能与原理2.1 基本模块2.1.1 组成:手动停机阀(2274)电磁阀(2225)停机卸荷阀(2030)调节油切换阀(2050)速关阀在线试验阀( 1845)2.1.2 功能:手动紧急停机电动紧急停机速关阀在线试验2.1.3 作用原理高压油从“P”进入基本模块,在基本模块壳体内分为五路。第一路经手动停机阀( 2274)和电磁阀( 2225)进入停机卸荷阀(2030),克服弹簧力使阀处于关闭状态。正常运行时,通向停机卸荷阀的速关油不泄油。速关油是由冗余模块内部管路引入的。第二路油经调节油切换阀(2050)变为调节控制油经冗余模块内部管路进入启动模块成为电液转换器供油。第三路通向速关阀在线试验阀(1845)以供速关活塞灵活性试验。第四路进入冗余模块及启动模块,成为该两个模块的高压油源。精品文档收集于网络,如有侵权请联系管理员删除第五路从“G1”引出,以供危急保安装置使用。通常保安装置直接从高压油源供油时,这时“G1”是被堵住的。2.1.4 手动紧急停机操纵手动停机阀( 2274),使控制油与回油接通,卸荷阀(2030)由于控制油压力下降迅速开启,这时速关油与回油接通,速关油压力下降使速关阀迅速关闭。同时,调节油切换阀(2050)动作切断了调节油源,调节油排放到油箱,使调节汽阀迅速关闭。2.1.5 电动紧急停机电磁阀( 2225)接受了信号电源(手动或远程自动),根据用户需要,可以设计为常开( NO)状态或常闭( NC)状态。在常开( NO)状态时,电磁阀不带电,高压油经电磁阀通向停机卸荷阀(2030)活塞中,油压力克服弹簧力使阀处于关闭...

1、当您付费下载文档后,您只拥有了使用权限,并不意味着购买了版权,文档只能用于自身使用,不得用于其他商业用途(如 [转卖]进行直接盈利或[编辑后售卖]进行间接盈利)。
2、本站所有内容均由合作方或网友上传,本站不对文档的完整性、权威性及其观点立场正确性做任何保证或承诺!文档内容仅供研究参考,付费前请自行鉴别。
3、如文档内容存在违规,或者侵犯商业秘密、侵犯著作权等,请点击“违规举报”。

碎片内容

速关控制装置资料

您可能关注的文档

爱的疯狂+ 关注
实名认证
内容提供者

该用户很懒,什么也没介绍

确认删除?
VIP
微信客服
  • 扫码咨询
会员Q群
  • 会员专属群点击这里加入QQ群
客服邮箱
回到顶部