电脑桌面
添加小米粒文库到电脑桌面
安装后可以在桌面快捷访问

BRW80-20型乳化液泵组随机图册

BRW80-20型乳化液泵组随机图册_第1页
1/19
BRW80-20型乳化液泵组随机图册_第2页
2/19
BRW80-20型乳化液泵组随机图册_第3页
3/19
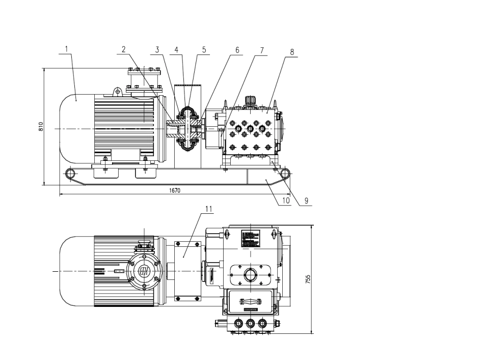
BRW80/20 型乳化液泵组(XRB2B80/20)随 机 图 册山西众博机电有限公司BRW80/20 型乳化液泵组山西众博机电有限公司主件名称序号1234567891011单台数量11211111411单位台件件件件件组台件台件BRW80/20 型乳化液泵组随机图册主件型号配件图号YBK2-225S-4BRW80/35 02-1/ABRW80/35 02-2BRW80/35 02-3BRW80/35 02-5BRW80/35 02-4FA-WS80/20BRW80/35 01BRW80/35 -1/ABRW80/20 03BRW80/35 -2序号单台数量单位众博机电乳化液泵组配件名称隔爆电动机(37kw)半联轴器(电机端)压紧板轮胎环加强环半联轴器(泵端)安全阀泵体部件垫轻 型 底 拖护罩BRW80/20配件名称配件图号泵站日常维护要点BRW80/20 01泵体部件山西众博机电有限公司主件名称序号123单台数量311单位组组组BRW80/20 型乳化液泵组随机图册主件型号配件图号BRW80/35 0101ABRW80/20 0102BRW80/35 0103序号单台数量单位众博机电泵体部件配件名称高压钢套组件泵头组件曲轴箱组件BRW80/20 01配件名称配件图号BRW80/35 0101 高压钢套组件山西众博机电有限公司主件名称序号12345678910111213单台数量3333333696363单位BRW80/20 型乳化液泵组随机图册主件型号配件图号BRW80/35 0101-1BRW80/35 0101-2ABRW80/35 0101-3BRW80/35 0101-4序号单台数量单位众博机电高压钢套组件配件名称半 圆 环柱塞钢套螺堵螺母BRW80/35 0101配件名称配件图号橡胶防尘密封圈 FA32x40x5GB10708.3-89高压钢套导向套垫片(Ⅰ)50×32×1密封圈 50×32×9垫片(Ⅱ)50×32×2支承环挡圈 A50×45×1.5O 形密封圈 50×3.1BRW80/35 0101-6BRW80/35 0101-7BRW80/35 0101-8BRW80/35 0101-9BRW80/35 0101-10BRW80/35 0101-11GB 1235-76GB 1235-76BRW80/20 0102 泵头组件山西众博机电有限公司主件名称序号123456789101112131415单台数量1131123333666333单位件件件件件件件件件件件件件件件BRW80/20 型乳化液泵组随机图册主件型号配件图号BRW80/35 0102-1ABRW80/35 0102-2LGB 1235-76GB 1235-76GB 1235-76GB 1235-76BRW80/35 0102-3BRW80/35 0102-4BRW80/35 0102-5BRW80/35 0102-6BRW80/35 0102-7BRW80/35 0102-8GB 1235-76GB 1235-76BRW80/35 0102-9序号161718192021222324单台数量333333311单位件件件件件件件件件众博机电泵头组件配件名称泵头(δ105)Φ19 排液接头O 密封圈 40×3.1O 密封圈 26×2.4O 密封圈 50×3.1挡圈 A50×45×1.5排液螺堵排液阀套排液...

1、当您付费下载文档后,您只拥有了使用权限,并不意味着购买了版权,文档只能用于自身使用,不得用于其他商业用途(如 [转卖]进行直接盈利或[编辑后售卖]进行间接盈利)。
2、本站所有内容均由合作方或网友上传,本站不对文档的完整性、权威性及其观点立场正确性做任何保证或承诺!文档内容仅供研究参考,付费前请自行鉴别。
3、如文档内容存在违规,或者侵犯商业秘密、侵犯著作权等,请点击“违规举报”。

碎片内容

BRW80-20型乳化液泵组随机图册

您可能关注的文档

文库当当响+ 关注
实名认证
内容提供者

该用户很懒,什么也没介绍

相关文档

确认删除?
VIP
微信客服
  • 扫码咨询
会员Q群
  • 会员专属群点击这里加入QQ群
客服邮箱
回到顶部