电脑桌面
添加小米粒文库到电脑桌面
安装后可以在桌面快捷访问

DXN户内高压带电显示装置使用说明书

DXN户内高压带电显示装置使用说明书_第1页
1/11
DXN户内高压带电显示装置使用说明书_第2页
2/11
DXN户内高压带电显示装置使用说明书_第3页
3/11
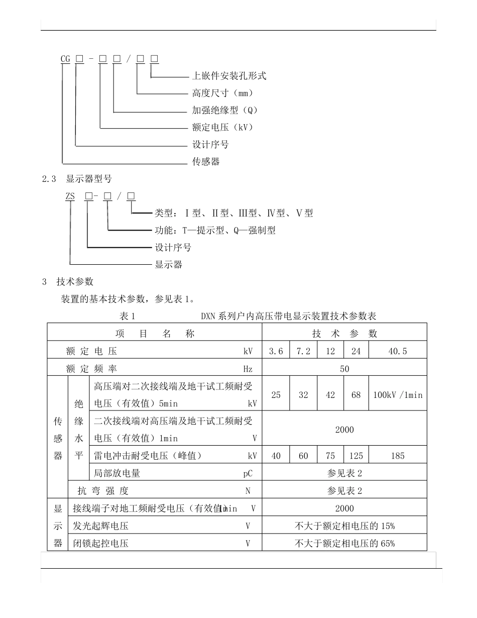
DXN 户内高压带电显示装置安装使用说明书1适用范围1.1 DXN 户内高压带电显示装置(以下简称装置),适用于额定电压为 3.6、7.2、12、24、40.5kV和额定频率为 50Hz 的户内高压电气设备中,用以提示带电状况和强制闭锁开关柜网门,是保证安全的重要措施之一。1.2传感器:可以与各种类型高压开关柜、隔离开关、接地开关等配套使用。1.3提示型显示器:用以提示高压带电回路的带电状况,起防误与安全的提示作用。1.4强制型显示器:除具有提示型显示器功能外,还可与电磁锁配合实现强制闭锁开关柜操作手柄及网门,达到防止带电合接地开关,防止误入带电间隔,提高开关设备防误性能。1.5带核相型显示器:为方便用户现场双电源核相,显示器面板设置了相位测试端。1.6使用环境条件1.6.1周围环境温度:+40℃ ~ -25℃ 。1.6.2海拔高度:1000m 及以下地区;1000~3000m 地区。1.6.3户内环境相对湿度:日平均湿度不大于 95%,月平均湿度不大于 90%,产品应考虑凝露、雨、温度骤变及日照等的影响。1.6.4适用于Ⅱ级污秽环境。2型号2.1装置型号 D X N □ - □ □ / □功能:T—提示型、Q—强制型加强绝缘型(Q)额定电压(kV)设计序号户内显示装置高压2.2传感器型号CG □ - □ □ / □ □上嵌件安装孔形式高度尺寸(mm)加强绝缘型(Q)额定电压(kV)设计序号传感器2.3显示器型号 ZS□- □ / □类型:Ⅰ型、Ⅱ型、Ⅲ型、Ⅳ型、Ⅴ型功能:T—提示型、Q—强制型设计序号显示器3技术参数装置的基本技术参数,参见表 1。表 1 DXN 系列户内高压带电显示装置技术参数表项目名称额 定 电 压 kV额 定 频 率 Hz高压端对二次接线端及地干试工频耐受绝传感缘水电压(有效值)5min kV二次接线端对高压端及地干试工频耐受电压(有效值)1min V4060253242技术参数3.67.212245068100kV /1min40.5200075125185器平雷电冲击耐受电压(峰值) kV局部放电量 pC抗 弯 强 度 N显示参见表 2参见表 22000不大于额定相电压的 15%不大于额定相电压的 65%接线端子对地工频耐受电压(有效值)1min V发光起辉电压 V器闭锁起控电压 V闭锁电源电压 V4分类4.1传感器4.1.1按电压等级分:3.6、7.2、12、24、40.5kV。~220~110—48 适用4.1.2按传感器的绝缘水平分:普通型;加强绝缘型(即全工况型)。4.1.3按传感器的外形尺寸、安装尺寸分:参见表 2。表 2传感器型号规格技术性能表序号1234567891011121314151617181920212223...

1、当您付费下载文档后,您只拥有了使用权限,并不意味着购买了版权,文档只能用于自身使用,不得用于其他商业用途(如 [转卖]进行直接盈利或[编辑后售卖]进行间接盈利)。
2、本站所有内容均由合作方或网友上传,本站不对文档的完整性、权威性及其观点立场正确性做任何保证或承诺!文档内容仅供研究参考,付费前请自行鉴别。
3、如文档内容存在违规,或者侵犯商业秘密、侵犯著作权等,请点击“违规举报”。

碎片内容

DXN户内高压带电显示装置使用说明书

您可能关注的文档

确认删除?
VIP
微信客服
  • 扫码咨询
会员Q群
  • 会员专属群点击这里加入QQ群
客服邮箱
回到顶部