电脑桌面
添加小米粒文库到电脑桌面
安装后可以在桌面快捷访问

公路综合评分表VIP专享

公路综合评分表_第1页
1/6
公路综合评分表_第2页
2/6
公路综合评分表_第3页
3/6
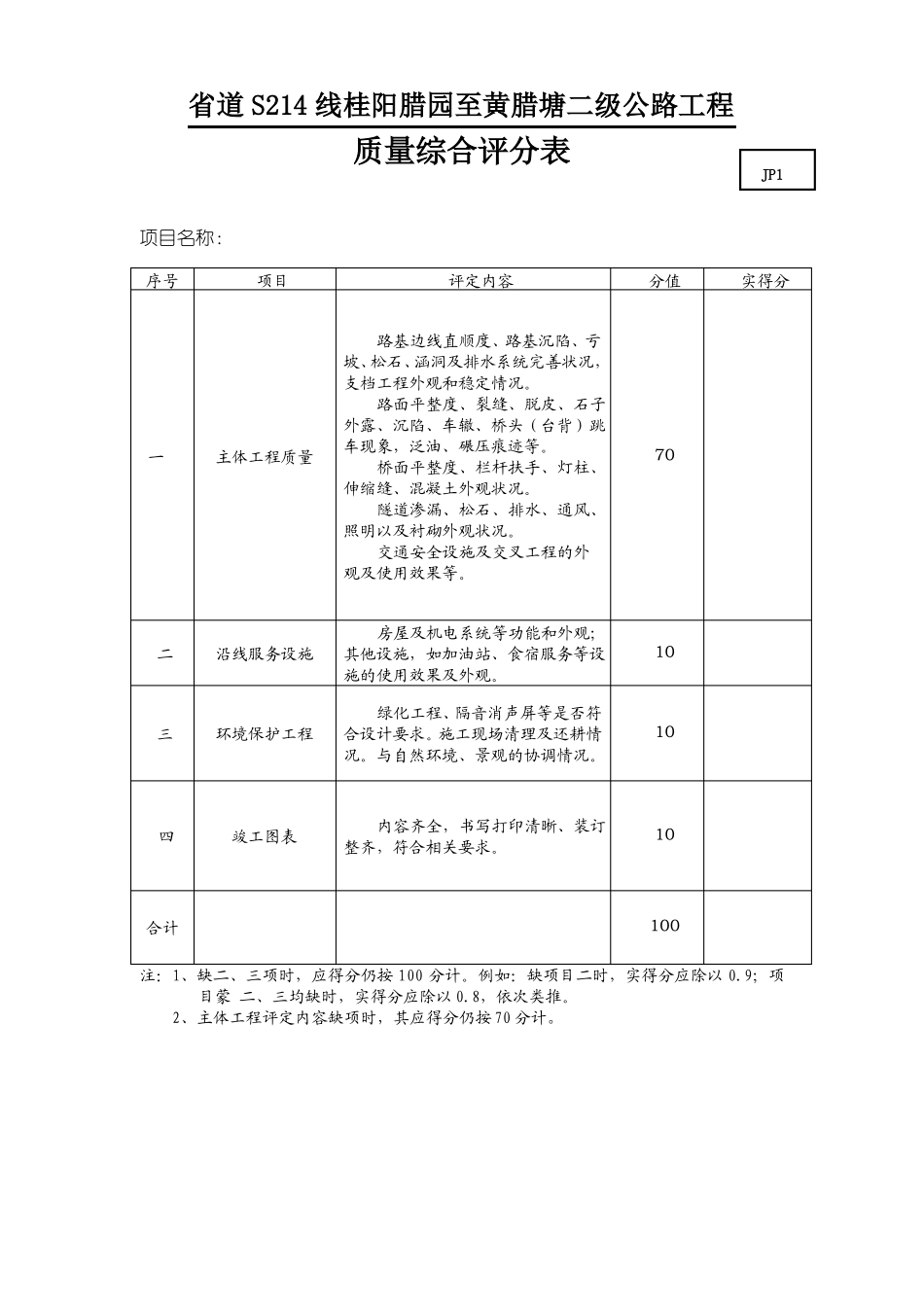
第七章竣工验收评分表表 3.7.1竣工验收评分表一览表序号12345代号JP1JP2JP3JP4JP5工程质量综合评分表工程建设管理综合评分表设计质量综合评分表监理工作综合评分表施工管理综合评分表表格名称省道 S214 线桂阳腊园至黄腊塘二级公路工程质量综合评分表项目名称:序号项目评定内容分值JP1实得分一主体工程质量路基边线直顺度、路基沉陷、亏坡、松石、涵洞及排水系统完善状况,支档工程外观和稳定情况。路面平整度、裂缝、脱皮、石子外露、沉陷、车辙、桥头(台背)跳车现象,泛油、碾压痕迹等。桥面平整度、栏杆扶手、灯柱、伸缩缝、混凝土外观状况。隧道渗漏、松石、排水、通风、照明以及衬砌外观状况。交通安全设施及交叉工程的外观及使用效果等。70二沿线服务设施房屋及机电系统等功能和外观;其他设施,如加油站、食宿服务等设施的使用效果及外观。绿化工程、隔音消声屏等是否符合设计要求。施工现场清理及还耕情况。与自然环境、景观的协调情况。10三环境保护工程10四竣工图表内容齐全,书写打印清晰、装订整齐,符合相关要求。10合计100注:1、缺二、三项时,应得分仍按 100 分计。例如:缺项目二时,实得分应除以 0.9;项目蒙 二、三均缺时,实得分应除以 0.8,依次类推。2、主体工程评定内容缺项时,其应得分仍按 70 分计。省道 S214 线桂阳腊园至黄腊塘二级公路工程建设管理综合评价表工程项目名称:项目法人:序号一项目基本建设程序评定方法应依法办理的项目建议书、可行性研究、初步设计、施工图设计、开工报告等批复情况,每缺一项扣 2 分未按规定招标选择设计、施工、监理单位,一个方面有问题二执行法规扣 2 分,未按规定申请质量监督扣 2 分,未落实质量与安全责任扣 2 分,未按批准规模、标准组织建设扣 2 分,其它方面未执行有关法规的,每一项扣 2 分履行合同拖欠应支付款时,每欠一个单位扣 1 分,其它方面,视情节轻重酌情扣分10JP2应得分实得分10三10四工程进度投资控制安全生产廉政建设工程质量按合同工期每拖延一个月扣 3 分,随意提前工期扣 5 分10五每超概算(或批准的调整概算)1%扣 1 分,每节省概算 2%加 1 分(最多可加 5 分)每发生一起重大安全事故扣 5 分,每发生一起一般安全事故扣 1 分措施不健全扣 2 分,因不廉政被处分每人次扣 5 分,有被起诉的扣 10 分10六10七10八竣工验收工程质量得分乘以 30%,作本项得分30合计100审定意见注:1、本表在竣工验收时评...

1、当您付费下载文档后,您只拥有了使用权限,并不意味着购买了版权,文档只能用于自身使用,不得用于其他商业用途(如 [转卖]进行直接盈利或[编辑后售卖]进行间接盈利)。
2、本站所有内容均由合作方或网友上传,本站不对文档的完整性、权威性及其观点立场正确性做任何保证或承诺!文档内容仅供研究参考,付费前请自行鉴别。
3、如文档内容存在违规,或者侵犯商业秘密、侵犯著作权等,请点击“违规举报”。

碎片内容

公路综合评分表

确认删除?
VIP
微信客服
  • 扫码咨询
会员Q群
  • 会员专属群点击这里加入QQ群
客服邮箱
回到顶部