电脑桌面
添加小米粒文库到电脑桌面
安装后可以在桌面快捷访问

电镀 挂镀制程各工序作业标准书

电镀 挂镀制程各工序作业标准书_第1页
1/16
电镀 挂镀制程各工序作业标准书_第2页
2/16
电镀 挂镀制程各工序作业标准书_第3页
3/16
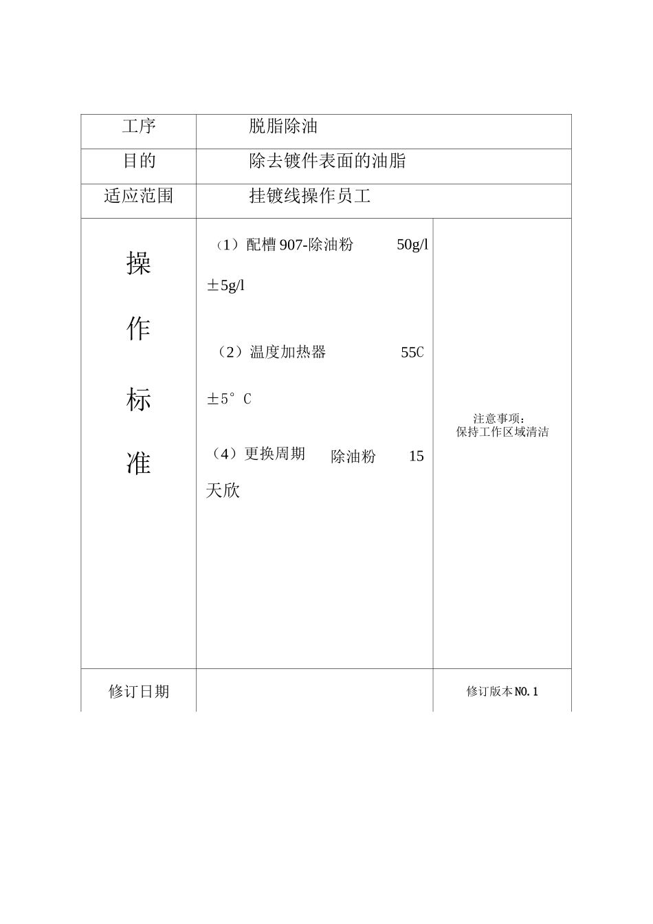
工序电解除油目的除去镀件表面的油脂适应范围挂镀线操作员工操(1)配槽 907-除油粉 50g/l±5g/l作(2)温度加热器 55°C标±5C注意事项:保持工作区域清洁准(3)电流整流器 100-120A(4)更换周期除油粉 15天欣(5)电流密度5ASD⑹ 电压不超过 12V修订日期修订版本 NO.1审核制作工序脱脂除油目的除去镀件表面的油脂适应范围挂镀线操作员工操(1)配槽 907-除油粉50g/l±5g/l作(2)温度加热器55C标±5°C注意事项:保持工作区域清洁准(4)更换周期除油粉15天欣修订日期修订版本 NO.1审核制作工序活化目的使产品表面具有活性适应范围挂镀线操作员工操(1)配槽工业硫酸 10%作(2)温度常温标(4)更换周期15 天欣注意事项:保持工作区域清洁准修订日期修订版本 NO.1审核制作工序电镀咼温镍目的为产品打底,确保产品耐咼温适应范围挂镀线操作员工操(1)配槽Ni2+35g/l±5g/l硼酸 35g/l±5g/l作氯化镍 15g/l±3g/l(2)温度加热器55C标±5°C注意事项:保持工作区域清洁准(3)电流整流器100-180A(4)药水更换周期1 年/次(5)滤芯更换周期15 天欣修订日期修订版本 NO.1审核制作工序电镀雾锡目的为产品镀锡,达到焊锡目的.适应范围挂镀线操作员工操(1)配槽 Sn2+35g/l±5g/lAcid140g/l±5g/l作(2)温度加热器 45°C±5C标(3)电流整流器 160-220A注意事项:保持工作区域清洁准(4)药水更换周期 1 年/次(5)滤芯更换周期 15 天/次修订日期修订版本 NO.1审核制作工序电镀雾锡目的为产品镀锡,达到焊锡目的.适应范围挂镀线操作员工操(1)配槽 Sn2+35g/l±5g/lAcid140g/l±5g/l作(2)温度加热器 45°C±5C标(3)电流整流器 160-220A注意事项:保持工作区域清洁准(4)药水更换周期 1 年/次(5)滤芯更换周期 15 天/次修订日期修订版本 NO.1审核制作工序中和槽目的中和掉产品上的酸.适应范围挂镀线操作员工操(1)磷酸三钠12g/L作⑵ 药水更换周期 3 天/每次标注意事项:保持工作区域清洁准修订日期修订版本 NO.1审核制作工序锡保护目的防止产品被氧化.适应范围挂镀线操作员工操(1)锡保护剂20ml/L作⑵ 药水更换周期 7 天/每次标注意事项:保持工作区域清洁准修订日期修订版本 NO.1审核制作

1、当您付费下载文档后,您只拥有了使用权限,并不意味着购买了版权,文档只能用于自身使用,不得用于其他商业用途(如 [转卖]进行直接盈利或[编辑后售卖]进行间接盈利)。
2、本站所有内容均由合作方或网友上传,本站不对文档的完整性、权威性及其观点立场正确性做任何保证或承诺!文档内容仅供研究参考,付费前请自行鉴别。
3、如文档内容存在违规,或者侵犯商业秘密、侵犯著作权等,请点击“违规举报”。

碎片内容

电镀 挂镀制程各工序作业标准书

您可能关注的文档

确认删除?
VIP
微信客服
  • 扫码咨询
会员Q群
  • 会员专属群点击这里加入QQ群
客服邮箱
回到顶部