电脑桌面
添加小米粒文库到电脑桌面
安装后可以在桌面快捷访问

化粪池内业资料

化粪池内业资料_第1页
1/12
化粪池内业资料_第2页
2/12
化粪池内业资料_第3页
3/12
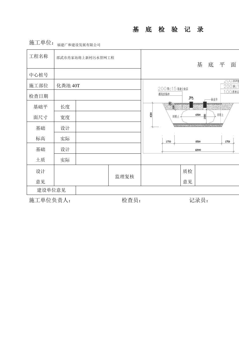
分部工程质量等级评定表年月日SZ 表-4单位工程名称施工单位序项目号12345678基础土方开挖土料碾压单元模板工序钢筋工序砼单元工序水泥砂浆砖砌体44444工 程 量个数优 良合 格44444邵武市肖家坊将上新村污水管网工程福建广和建设发展有限公司分部工程名称化粪池单元工程质 量 等 级备注单元工程共个,其中优良个,优良率%评定意见评 定 等 级施工单位自评等级监理单位复核等级质检单位核定等级基底检验记录施工单位:福建广和建设发展有限公司工程名称邵武市肖家坊将上新村污水管网工程基底平面图中心桩号施工部位检查日期基础平面尺寸基础标高基础土质设计意见建设单位意见监理复核意见化粪池 30T长度宽度设计实际设计实际质检施工单位负责人:检查员:记录员:年月日基底检验记录施工单位:福建广和建设发展有限公司工程名称邵武市肖家坊将上新村污水管网工程基底平面图中心桩号施工部位检查日期基础平面尺寸基础标高基础土质设计意见建设单位意见监理复核意见化粪池 40T长度宽度设计实际设计实际质检施工单位负责人:检查员:记录员:年月日基底检验记录施工单位:福建广和建设发展有限公司工程名称邵武市肖家坊将上新村污水管网工程基底平面图中心桩号施工部位检查日期基础平面尺寸基础标高基础土质设计意见建设单位意见监理复核意见化粪池 16T长度宽度设计实际设计实际质检施工单位负责人:检查员:记录员:年月日CB11施工放样报验单(承包[]放样号)合同名称:邵武市肖家坊将上新村污水管网工程致:福建中实建设项目管理有限公司根据合同要求,我们已完成化粪池的施工放样工程,请核验。附件:测量放样资料序号或位置工程或部位名称放样内容备注1化粪池基础开挖23化粪池化粪池基础开挖基础开挖4化粪池基础开挖自检结果:承包人:(全称及盖章)技术负责人:(签名)项目经理:(签字)日期:年月日核验意见:监理机构:(全称及盖章)监理工程师:(签名)日期:年月日说明:本表一式份,由承包人填写,监理机构审核后,承包人 2 份,监理机构、发包人各 1 份。水利水电工程表 1.5-1基础面或混凝土施工缝处理工序质量评定表邵武市肖家坊将上新村污水管网单位工程名称工程单元工程量化粪池施工单位检验日期质 量 标 准4福建广和建设发展有限公司分部工程名称单元工程名称、部位项次1检 查 项 目基础岩面检验记录(1) △建基面(2) △地表水和地下水(3) 岩面清洗2混凝土施工缝无松动岩块妥善引排或封堵清洗洁净...

1、当您付费下载文档后,您只拥有了使用权限,并不意味着购买了版权,文档只能用于自身使用,不得用于其他商业用途(如 [转卖]进行直接盈利或[编辑后售卖]进行间接盈利)。
2、本站所有内容均由合作方或网友上传,本站不对文档的完整性、权威性及其观点立场正确性做任何保证或承诺!文档内容仅供研究参考,付费前请自行鉴别。
3、如文档内容存在违规,或者侵犯商业秘密、侵犯著作权等,请点击“违规举报”。

碎片内容

化粪池内业资料

您可能关注的文档

确认删除?
VIP
微信客服
  • 扫码咨询
会员Q群
  • 会员专属群点击这里加入QQ群
客服邮箱
回到顶部