电脑桌面
添加小米粒文库到电脑桌面
安装后可以在桌面快捷访问

原电池演示实验装置改进

原电池演示实验装置改进_第1页
1/17
原电池演示实验装置改进_第2页
2/17
原电池演示实验装置改进_第3页
3/17
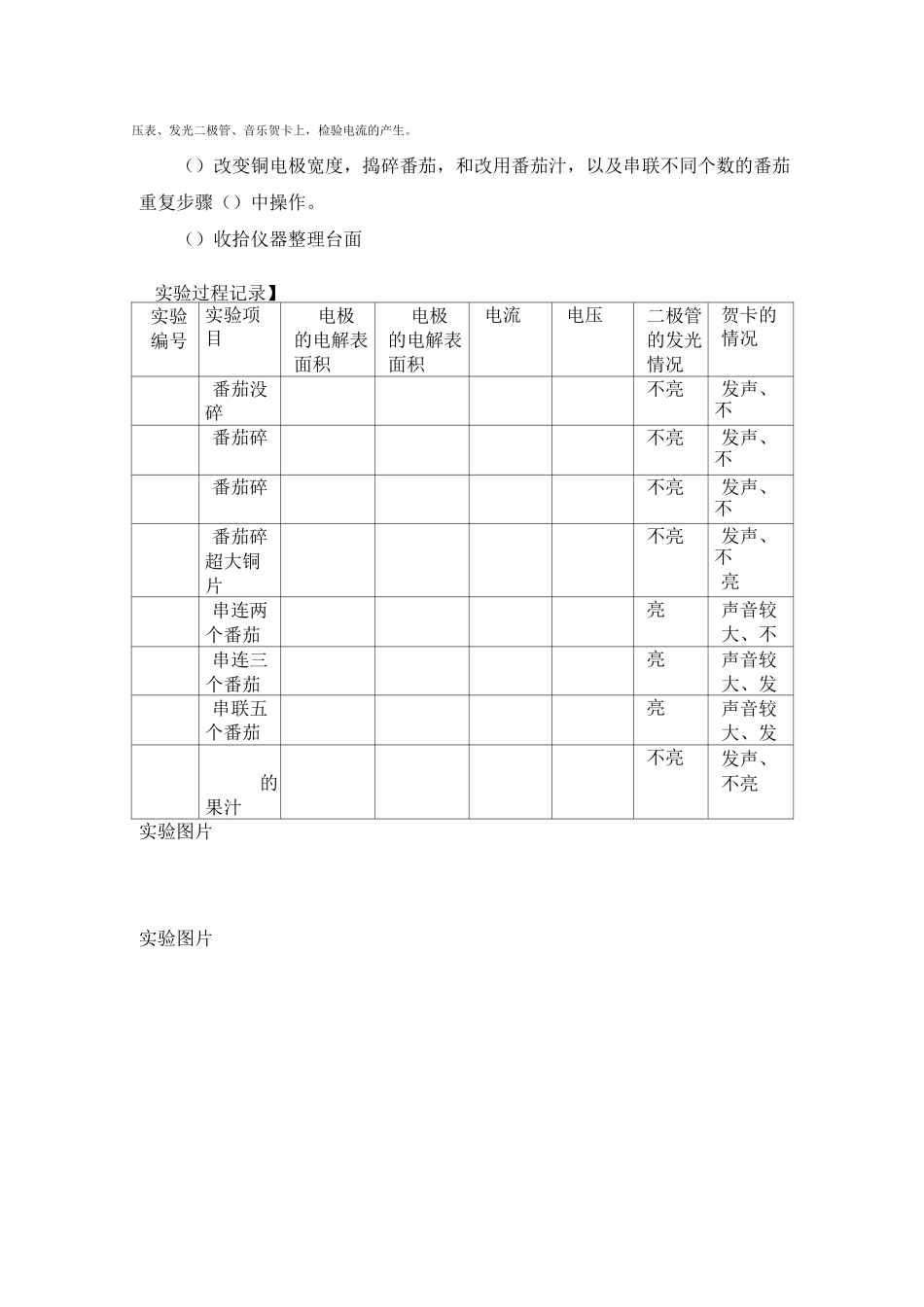
提出问题】在人教版《普通高中课程标准实验教科书•化学》“化学能与电能”中学习了原电池的原理,我们认识了电池的实质,同学们能否自己动手,运用生活中的材料制作简易电池,如何制作呢?又如何检验原电池是否正常工作?如果根据实践活动“利用水果如苹果、柠檬或番茄等制作原电池”。那么如何才能做成一个效果较好的水果电池呢影响水果电池的电流的因素究竟有哪些呢【探究目的】巩固原电池的原理及形成形成认识影响水果电池产生电流大小的因素形成多角度思考问题的习惯加强化学与生活的联系。【实验设计方案】实验思路水果中含有大量糖类、蛋白质、生物酸等物质其中的生物酸起到电解质的作用。许多水果如番茄的汁液显酸性若在这些水果里平行地插入铜片和锌片即可形成原电池。理科教材中的探究活动通常将两个半熟的番茄相连再用铜片和锌片作电极构成原电池同时使用检流计来检验原电池,该实验在理论上是可行的但实际操作过程中往往收不到理想的效果。原因在于通过此种方式形成的电路中电压太小电阻却较大即便是灵敏电流计在很多时候也很难测出如此微小的电流。故而本实验利用音乐贺卡和发光二级管来检验原电池是否正常工作,同时探究水果电池所产生的电流大小与电压与水果电池个数,电极材料及电极之间的关系。.实验原理运用生活中常见的水果作为电解质,用两种极性不同的金属,铜片和锌片做为电极,锌片做负极,铜做正极,运用检流表,电压表,发光二级管以及音乐贺卡来检验原电池是否正常工作,以及电流、电压大小。原电池是将一个能自发进行的氧化还原反应的氧化反应和还原反应分别在原电池的负极和正极上发生,从而在外电路中产生电流。水果电池是利用两种金属片的电化学活性是不一样的,其中更较活泼的金属片能置换出水果中的酸性物质的氢离子,这样,从理论上来说电流大小直接和果酸浓度相关,负极发生氧化反应正极发生还原反应。本实验所设计原电池正负极反应如下:铜锌原电池电池反应方程式:负极:=正极):+=锌电极失去电子,从导线经过电流表到达铜表面,电流表指针发生偏转,电流方向与电子转移的方向相反。锌失电子成为进入溶液,溶液中阴离子移.实验用品仪器:导线、万用表、电压表、灵敏电流计、发光二级管、音乐贺卡药品:番茄、金属电极(铜片、锌片)实验步骤()音乐贺卡处理:购买音乐贺卡一张,拆除音乐贺卡的纽扣电池,在原来纽扣电池的正负极短焊接出两个带有铁夹的导线,用于连接水果电池的正负极。()通过查阅文献,番...

1、当您付费下载文档后,您只拥有了使用权限,并不意味着购买了版权,文档只能用于自身使用,不得用于其他商业用途(如 [转卖]进行直接盈利或[编辑后售卖]进行间接盈利)。
2、本站所有内容均由合作方或网友上传,本站不对文档的完整性、权威性及其观点立场正确性做任何保证或承诺!文档内容仅供研究参考,付费前请自行鉴别。
3、如文档内容存在违规,或者侵犯商业秘密、侵犯著作权等,请点击“违规举报”。

碎片内容

原电池演示实验装置改进

wxg+ 关注
实名认证
内容提供者

该用户很懒,什么也没介绍

确认删除?
VIP
微信客服
  • 扫码咨询
会员Q群
  • 会员专属群点击这里加入QQ群
客服邮箱
回到顶部