电脑桌面
添加小米粒文库到电脑桌面
安装后可以在桌面快捷访问

3543G603ok调节阀、执行器、开关阀调校记录

3543G603ok调节阀、执行器、开关阀调校记录_第1页
1/54
3543G603ok调节阀、执行器、开关阀调校记录_第2页
2/54
3543G603ok调节阀、执行器、开关阀调校记录_第3页
3/54
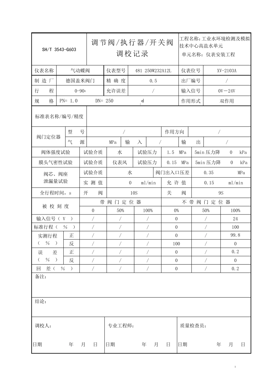
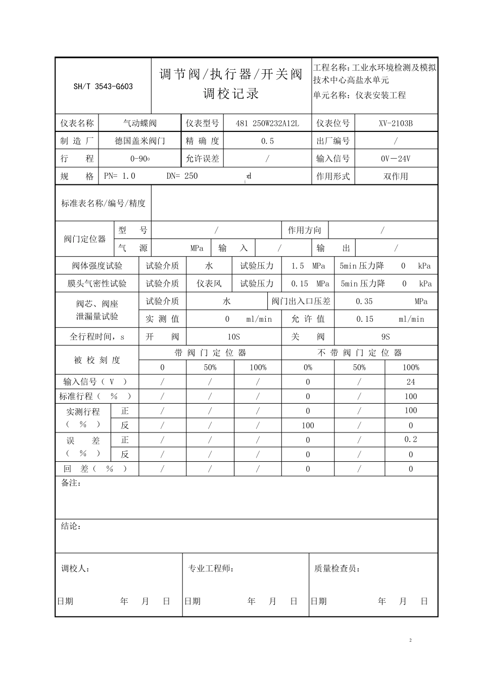
1 SH/T 3543-G603 调节阀/执行器/开关阀 调校记录 工程名称:工业水环境检测及模拟技术中心高盐水单元 单元名称:仪表安装工程 仪表名称 气动蝶阀 仪表型号 481 250W232A12L 仪表位号 XV-2103A 制 造 厂 德国盖米阀门 精 确 度 0.5 出厂编号 / 行 程 0-900 允许误差 / 输入信号 0V-24V 规 格 PN= 1.0 DN= 250 di= 作用形式 双作用 标准表名称/编号/精度 阀门定位器 型 号 / 作用方向 / 气 源 MPa 输 入 / 输 出 / 阀体强度试验 试验介质 水 试验压力 1.5 MPa 5min 压力降 0 kPa 膜头气密性试验 试验介质 仪表风 试验压力 0.15 MPa 5min 压力降 0 kPa 阀芯、阀座 泄漏量试验 试验介质 水 阀门出入口压差 0.35 MPa 实 测 值 0 ml/min 允 许 值 0.15 ml/min 全行程时间,s 开 阀 10S 关 阀 9S 被 校 刻 度 带 阀 门 定 位 器 不 带 阀 门 定 位 器 0 50% 100% 0% 50% 100% 输入信号( V ) / / / 0 / 24 标准行程( % ) / / / 0 / 100 实测行程 ( % ) 正 / / / 0 / 99.8 反 / / / 100 / 0 误 差 ( % ) 正 / / / 0 / 0.2 反 / / / 0 / 0 回 差( % ) / / / 0 / 0.2 备注: 结论: 调校人: 日期 年 月 日 专业工程师: 日期 年 月 日 质量检查员: 日期 年 月 日 2 SH/T 3543-G603 调节阀/执行器/开关阀 调校记录 工程名称:工业水环境检测及模拟技术中心高盐水单元 单元名称:仪表安装工程 仪表名称 气动蝶阀 仪表型号 481 250W232A12L 仪表位号 XV-2103B 制 造 厂 德国盖米阀门 精 确 度 0.5 出厂编号 / 行 程 0-900 允许误差 / 输入信号 0V-24V 规 格 PN= 1.0 DN= 250 di= 作用形式 双作用 标准表名称/编号/精度 阀门定位器 型 号 / 作用方向 / 气 源 MPa 输 入 / 输 出 / 阀体强度试验 试验介质 水 试验压力 1.5 MPa 5min 压力降 0 kPa 膜头气密性试验 试验介质 仪表风 试验压力 0.15 MPa 5min 压力降 0 kPa 阀芯、阀座 泄漏量试验 试验介质 水 阀门出入口压差 0.35 MPa 实 测 值 0 ml/min 允 许 值 0.15 ml/min 全行程时间,s 开 阀 10S 关 阀 9S 被 校 刻 度 带 阀 门 定 位 器 不 带 阀 门...

1、当您付费下载文档后,您只拥有了使用权限,并不意味着购买了版权,文档只能用于自身使用,不得用于其他商业用途(如 [转卖]进行直接盈利或[编辑后售卖]进行间接盈利)。
2、本站所有内容均由合作方或网友上传,本站不对文档的完整性、权威性及其观点立场正确性做任何保证或承诺!文档内容仅供研究参考,付费前请自行鉴别。
3、如文档内容存在违规,或者侵犯商业秘密、侵犯著作权等,请点击“违规举报”。

碎片内容

3543G603ok调节阀、执行器、开关阀调校记录

您可能关注的文档

确认删除?
VIP
微信客服
  • 扫码咨询
会员Q群
  • 会员专属群点击这里加入QQ群
客服邮箱
回到顶部