电脑桌面
添加小米粒文库到电脑桌面
安装后可以在桌面快捷访问

555芯片的常用电路应用

555芯片的常用电路应用_第1页
1/20
555芯片的常用电路应用_第2页
2/20
555芯片的常用电路应用_第3页
3/20
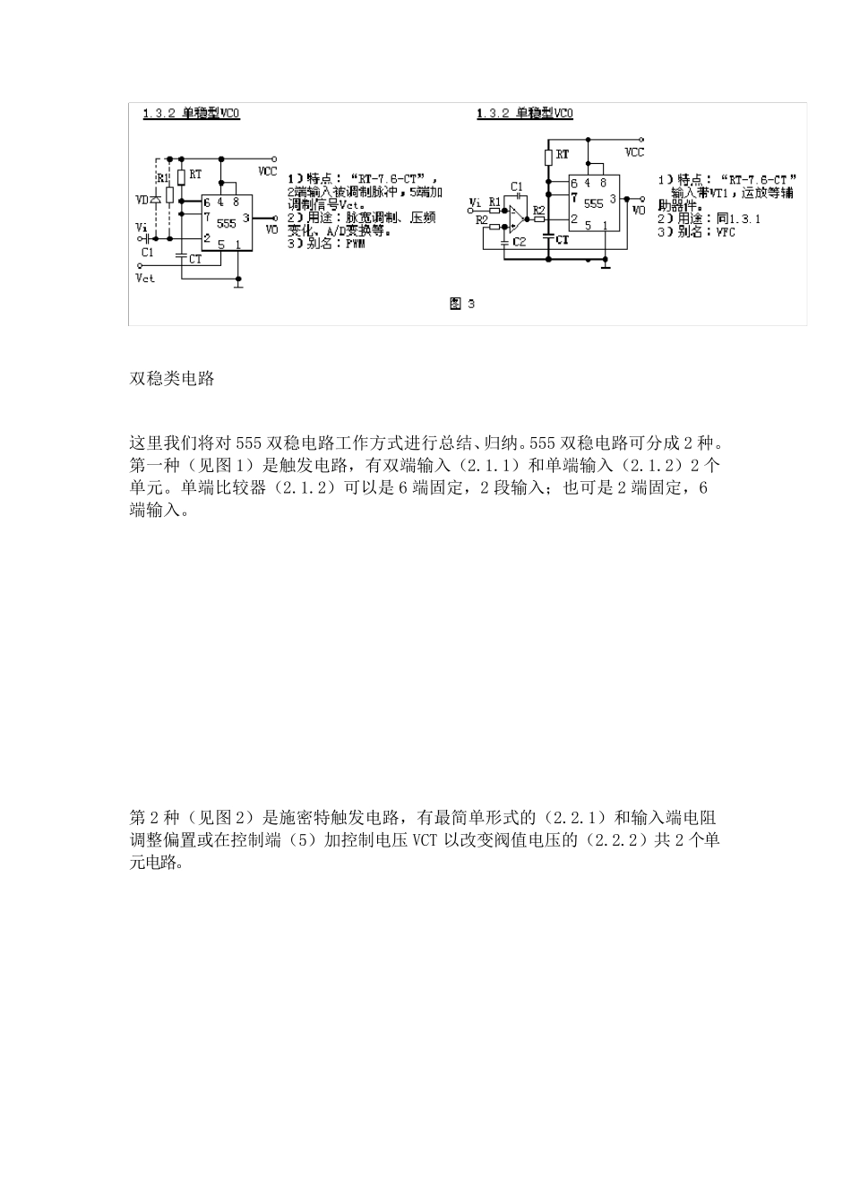
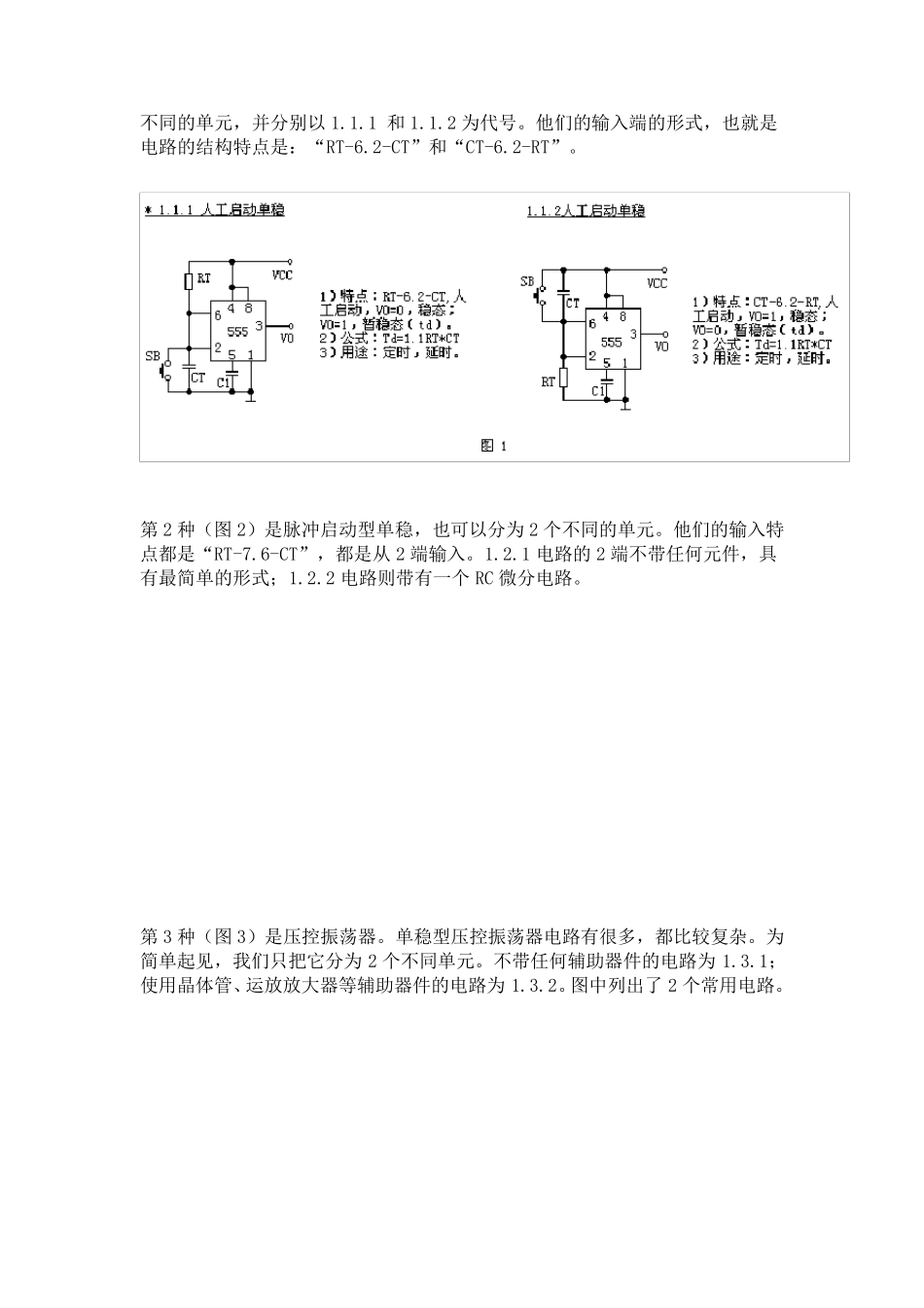
555 芯片引脚图 555 定时器是一种模拟和数字功能相结合的中规模集成器件。一般用双极性工艺制作的称为 555,用 CMOS 工艺制作的称为 7555,除单定时器外,还有对应的双定时器 556/7556。555 定时器的电源电压范围宽,可在 4.5V~16V 工作,7555 可在 3~18V 工作,输出驱动电流约为 200mA,因而其输出可与 TTL、CMOS 或者模拟电路电平兼容。 555 定时器成本低,性能可靠,只需要外接几个电阻、电容,就可以实现多谐振荡器、单稳态触发器及施密特触发器等脉冲产生与变换电路。它也常作为定时器广泛应用于仪器仪表、家用电器、电子测量及自动控制等方面。555 引脚图如下所示。 555 引脚图 555 的内部结构可等效成23 个晶体三极管.17 个电阻.两个二极管.组成了比较器.RS 触发器.等多组单元电路.特别是由三只精度较高5k 电阻构成了一个电阻分压器.为上.下比较器提供基准电压.所以称之为555. 555 属于 cmos 工艺制造. 555 引脚图介绍如下 1 地 GND 2 触发 3 输出 4 复位 5 控制电压 6 门限 (阈 值 ) 7 放 电 8 电源电压Vcc 单稳类 电路 单稳工作方式 ,它可分为3 种。见 图示。 第 1 种( 图1) 是人 工启 动单稳,又 因为定时电阻定时电容位置 不 同 而分为2 个 不同的单元,并分别以1.1.1 和1.1.2 为代号。他们的输入端的形式,也就是电路的结构特点是:“RT-6.2-CT”和“CT-6.2-RT”。 第 2 种(图 2)是脉冲启动型单稳,也可以分为2 个不同的单元。他们的输入特点都是“RT-7.6-CT”,都是从 2 端输入。1.2.1 电路的2 端不带任何元件,具有最简单的形式;1.2.2 电路则带有一个 RC 微分电路。 第 3 种(图 3)是压控振荡器。单稳型压控振荡器电路有很多,都比较复杂。为简单起见,我们只把它分为2 个不同单元。不带任何辅助器件的电路为1.3.1;使用晶体管、运放放大器等辅助器件的电路为1.3.2。图中列出了 2 个常用电路。 双稳类电路 这里我们将对555 双稳电路工作方式进行总结、归纳。555 双稳电路可分成 2 种。 第一种(见图 1)是触发电路,有双端输入(2.1.1)和单端输入(2.1.2)2 个单元。单端比较器(2.1.2)可以是 6 端固定,2 段输入;也可是 2 端固定,6端输入。 第 2 种(见图 2)是施密特触发电路,有最简单形式的(2.2.1)和输入端电阻调整偏置或在控制端(5)加控制电压 VCT 以改变阀值电压的(2.2.2)共 2 个单...

1、当您付费下载文档后,您只拥有了使用权限,并不意味着购买了版权,文档只能用于自身使用,不得用于其他商业用途(如 [转卖]进行直接盈利或[编辑后售卖]进行间接盈利)。
2、本站所有内容均由合作方或网友上传,本站不对文档的完整性、权威性及其观点立场正确性做任何保证或承诺!文档内容仅供研究参考,付费前请自行鉴别。
3、如文档内容存在违规,或者侵犯商业秘密、侵犯著作权等,请点击“违规举报”。

碎片内容

555芯片的常用电路应用

您可能关注的文档

小辰4+ 关注
实名认证
内容提供者

出售各种资料和文档

确认删除?
VIP
微信客服
  • 扫码咨询
会员Q群
  • 会员专属群点击这里加入QQ群
客服邮箱
回到顶部