电脑桌面
添加小米粒文库到电脑桌面
安装后可以在桌面快捷访问

7017机械设备进场验收表

7017机械设备进场验收表_第1页
1/8
7017机械设备进场验收表_第2页
2/8
7017机械设备进场验收表_第3页
3/8
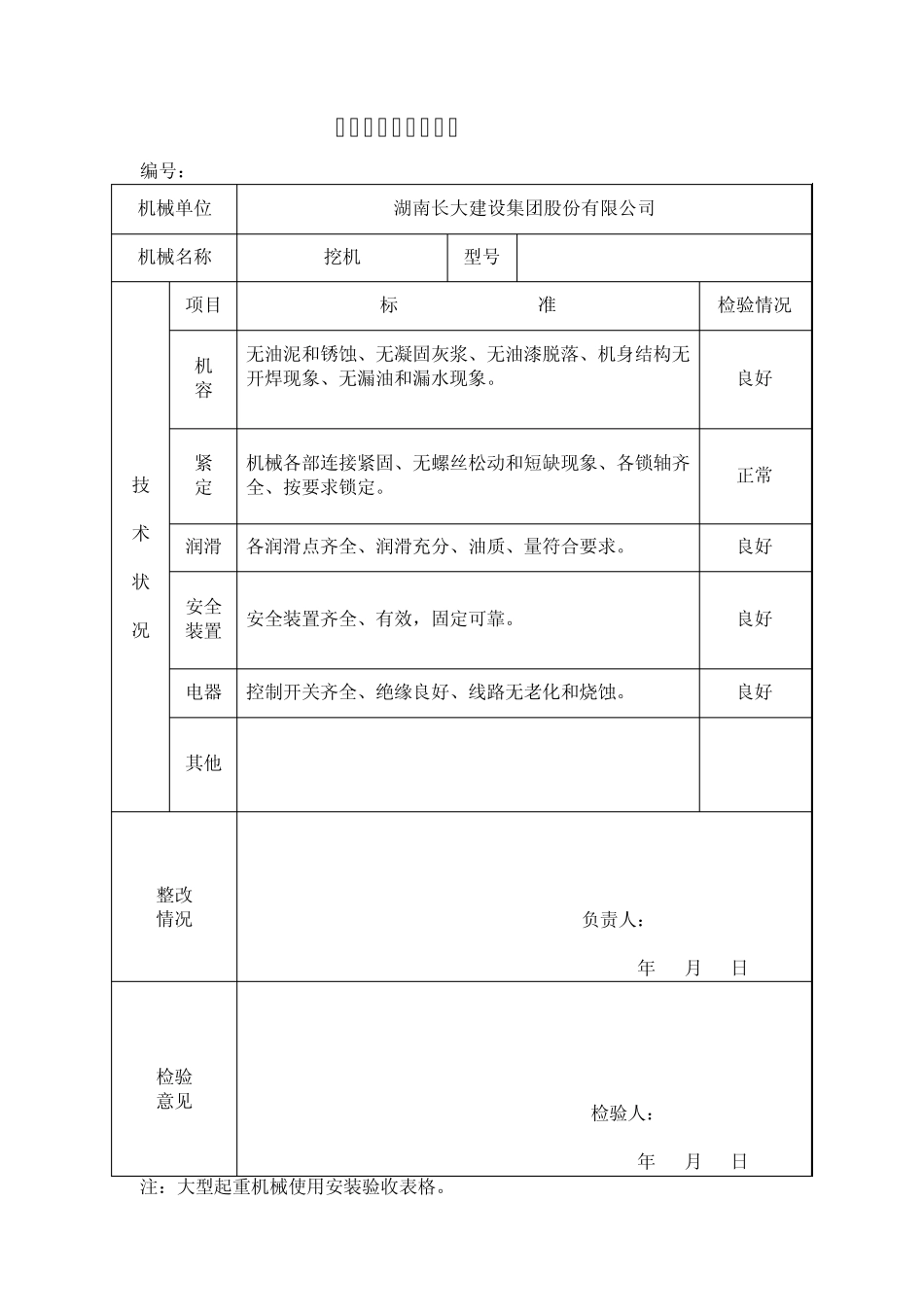
机械设备进场验收表 编号:HNCD/R-7-017 机械单位 机械名称 型号 技 术 状 况 项目 标 准 检验情况 机 容 无油泥和锈蚀、无凝固灰浆、无油漆脱落、机身结构无开焊现象、无漏油和漏水现象。 紧 定 机械各部连接紧固、无螺丝松动和短缺现象、各锁轴齐全、按要求锁定。 润滑 各润滑点齐全、润滑充分、油质、量符合要求。 安全装置 安全装置齐全、有效,固定可靠。 电器 控制开关齐全、绝缘良好、线路无老化和烧蚀。 其他 整改 情况 负责人: 年 月 日 检验 意见 检验人: 年 月 日 机械设备进场验收表 编号:HNCD/R-7-017 机械单位 湖南高岭建设集团股份有限公司 机械名称 © cv0c 型号 技 术 状 况 项目 标 准 检验情况 机 容 无油泥和锈蚀、无凝固灰浆、无油漆脱落、机身结构无开焊现象、无漏油和漏水现象。 紧 定 机械各部连接紧固、无螺丝松动和短缺现象、各锁轴齐全、按要求锁定。 润滑 各润滑点齐全、润滑充分、油质、量符合要求。 安全装置 安全装置齐全、有效,固定可靠。 电器 控制开关齐全、绝缘良好、线路无老化和烧蚀。 其他 整改 情况 负责人: 年 月 日 检验 意见 检验人: 年 月 日 机械设备进场验收表 编号:HNCD/R-7-017 机械单位 湖南长大建设集团股份有限公司 机械名称 挖机 型号 CTA320C 技 术 状 况 项目 标 准 检验情况 机 容 无油泥和锈蚀、无凝固灰浆、无油漆脱落、机身结构无开焊现象、无漏油和漏水现象。 良好 紧 定 机械各部连接紧固、无螺丝松动和短缺现象、各锁轴齐全、按要求锁定。 正常 润滑 各润滑点齐全、润滑充分、油质、量符合要求。 良好 安全装置 安全装置齐全、有效,固定可靠。 良好 电器 控制开关齐全、绝缘良好、线路无老化和烧蚀。 良好 其他 整改 情况 负责人: 年 月 日 检验 意见 检验人: 年 月 日 注:大型起重机械使用安装验收表格。 机械设备进场验收表 编号:HNCD/R-7-017 机械单位 湖南长大建设集团股份有限公司 机械名称 挖机 型号 CTA320B 技 术 状 况 项目 标 准 检验情况 机 容 无油泥和锈蚀、无凝固灰浆、无油漆脱落、机身结构无开焊现象、无漏油和漏水现象。 良好 紧 定 机械各部连接紧固、无螺丝松动和短缺现象、各锁轴齐全、按要求锁定。 正常 润滑 各润滑点齐全、润滑充分、油质、量符合要求。 良好 安全装置 安全装置齐...

1、当您付费下载文档后,您只拥有了使用权限,并不意味着购买了版权,文档只能用于自身使用,不得用于其他商业用途(如 [转卖]进行直接盈利或[编辑后售卖]进行间接盈利)。
2、本站所有内容均由合作方或网友上传,本站不对文档的完整性、权威性及其观点立场正确性做任何保证或承诺!文档内容仅供研究参考,付费前请自行鉴别。
3、如文档内容存在违规,或者侵犯商业秘密、侵犯著作权等,请点击“违规举报”。

碎片内容

7017机械设备进场验收表

确认删除?
VIP
微信客服
  • 扫码咨询
会员Q群
  • 会员专属群点击这里加入QQ群
客服邮箱
回到顶部