电脑桌面
添加小米粒文库到电脑桌面
安装后可以在桌面快捷访问

学习任务4:样板制作及稳放样VIP专享

学习任务4:样板制作及稳放样_第1页
1/7
学习任务4:样板制作及稳放样_第2页
2/7
学习任务4:样板制作及稳放样_第3页
3/7
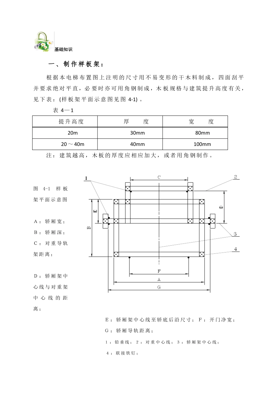
学习任务 4样板制作及稳放样任务分析通过本任务的学习,了解样板制作及稳放样的知识。建议课时建议完成本任务为 8~10 学时。学习目标应知1.样板制作。2.样板架安放。3.样板放线和测量调整应会1.样板制作。2.样板架安放。3.样板放线和测量调整学习任务 4.1——样板制作基础知识一、制作样板架:根 据 本 电 梯 布 置 图 上 注 明 的 尺 寸 用 不 易 变 形 的 干 木 料 制 成 , 四 面 刮 平并 要 求 绝 对 平 直 ,必 要 时 亦 可 用 角 钢 制 成 ,木 板 规 格 与 建 筑 提 升 高 度 有 关 ,见 下 表 : (样 板 架 平 面 示 意 图 见 图 4-1) 。表 4— 1提 升 高 度20m20 ~ 40m厚度30mm40mm宽度80mm100mm注 : 建 筑 越 高 , 木 板 的 厚 度 应 相 应 加 大 , 或 者 用 角 钢 制 作 。图4-1样 板架 平 面 示 意 图A : 轿 厢 宽 ;B : 轿 厢 深 ;C : 对 重 导 轨架 距 离 ;D : 轿 厢 架 中心 线 与 对 重 架中 心 线 的 距离 ;E : 轿 厢 架 中 心 线 至 轿 底 后 沿 尺 寸 ; F : 开 门 净 宽 ;G : 轿 厢 导 轨 距 离 ;1 : 铅 垂 线 ; 2 : 对 重 中 心 线 ; 3 : 轿 厢 架 中 心 线 ;4 : 联 接 铁 钉 ;注 : 图 中 的 G、 C 尺 寸 为 布 置 图 上 标 注 的 导 轨 端 面 间 距 加 两 倍 的导 轨 高 加 5~ 6mm 间 隙 。1. 样 板 架 上 标 出 轿 厢 架 中 心 线 、门 中 心 线 、门 口 净 宽 线 、导 轨 中 心 线 ,各 线 的 位 置 偏 差 不 应 超 过 0.3mm 。2. 在 样 板 架 放 铅 垂 线 的 各 点 处 ,用 薄 锯 条 锯 个 斜 口 ,其 旁 边 钉 一 铁 钉 ,作 为 悬 挂 固 定 铅 垂 线 之 用 (见 图 4-2) 。图 4-2铅 垂 线 悬 挂L: 木 条 宽 ; H: 木 条 厚 ;1 : 铅 垂 线 ; 2 : 锯 口 ; 3 : 铁 钉 ;多媒体资源工作过程评价反馈阅读材料学习任务 4.2——样板架安放基础知识一、样板架的安置在 机 房 楼 板 下 面500 ~ 600mm 的 井 道 墙 上 ,水 平 地 凿 四 个 150 × 150mm的 孔 洞 ,用 两...

1、当您付费下载文档后,您只拥有了使用权限,并不意味着购买了版权,文档只能用于自身使用,不得用于其他商业用途(如 [转卖]进行直接盈利或[编辑后售卖]进行间接盈利)。
2、本站所有内容均由合作方或网友上传,本站不对文档的完整性、权威性及其观点立场正确性做任何保证或承诺!文档内容仅供研究参考,付费前请自行鉴别。
3、如文档内容存在违规,或者侵犯商业秘密、侵犯著作权等,请点击“违规举报”。

碎片内容

学习任务4:样板制作及稳放样

确认删除?
VIP
微信客服
  • 扫码咨询
会员Q群
  • 会员专属群点击这里加入QQ群
客服邮箱
回到顶部