电脑桌面
添加小米粒文库到电脑桌面
安装后可以在桌面快捷访问

8位DA转换器DAC0832

8位DA转换器DAC0832_第1页
1/6
8位DA转换器DAC0832_第2页
2/6
8位DA转换器DAC0832_第3页
3/6
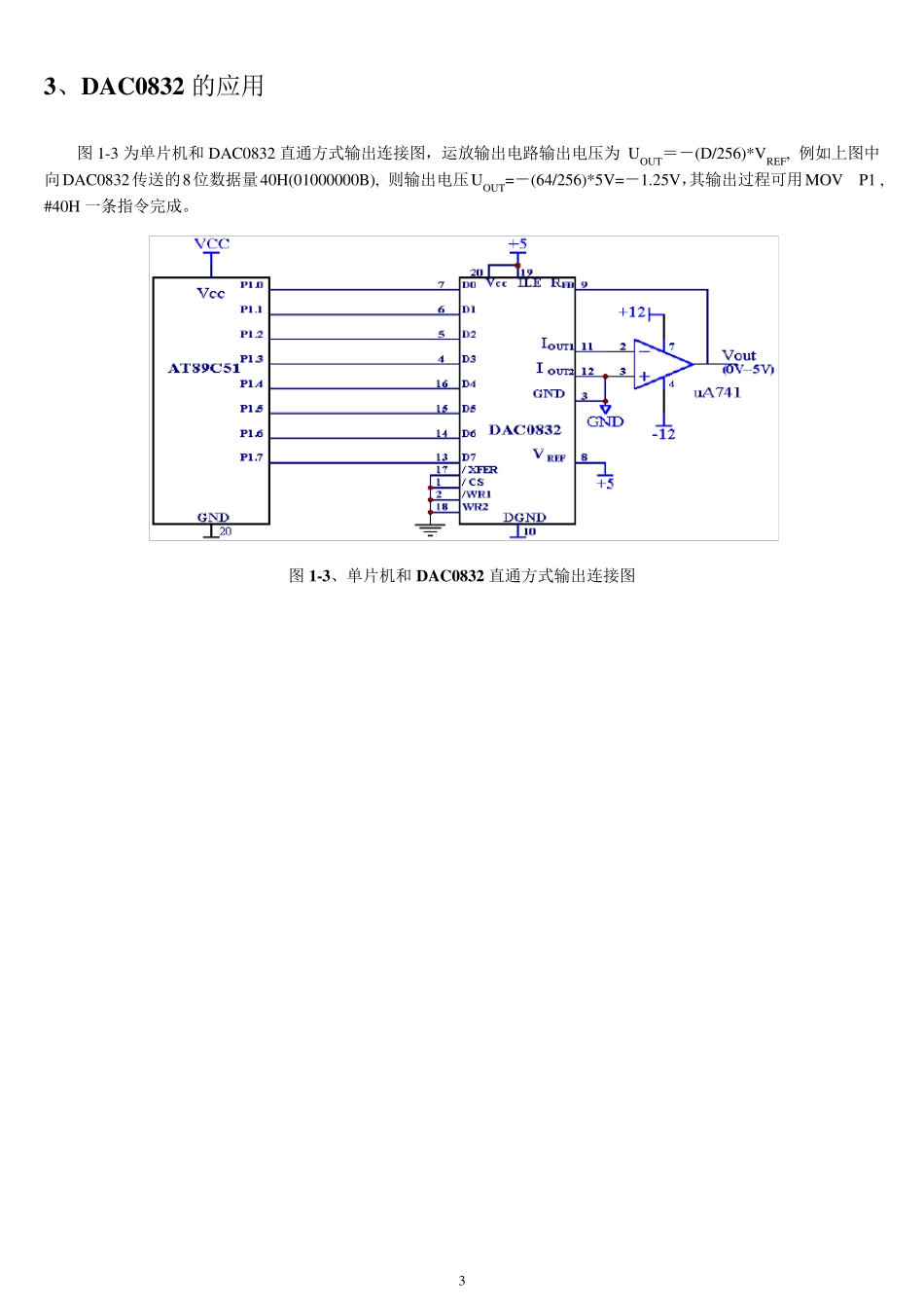
1 资料1:8 位 D/A 转换器-DAC0832 1 . 引脚及其功能 DAC0832 是双列直插式8 位D/A 转换器。能完成数字量输入到模拟量(电流)输出的转换。图1-1 和图1-2 分别为DAC0832 的引脚图和内部结构图。其主要参数如下:分辨率为8 位,转换时间为1μs,满量程误差为±1LSB,参考电压为(+10~-10)V,供电电源为(+5~+15)V,逻辑电平输入与 TTL 兼容。从图1-1 中可见,在 DAC0832 中有两级锁存器,第一级锁存器称为输入寄存器,它的允许锁存信号为ILE,第二级锁存器称为DAC 寄存器,它的锁存信号也称为通道控制信号 /XFER。 图1-1 中,当 ILE 为高电平,片选信号 /CS 和写信号 /WR1 为低电平时,输入寄存器控制信号为1,这种情况下,输入寄存器的输出随输入而变化。此后,当 /WR1 由低电平变高时,控制信号成为低电平,此时,数据被锁存到输入寄存器中,这样输入寄存器的输出端不再随外部数据 DB 的变化而变化。 对第二级锁存来说,传送控制信号 /XFER 和写信号 /WR2 同时为低电平时,二级锁存控制信号为高电平,8 位的DAC 寄存器的输出随输入而变化,此后,当 /WR2 由低电平变高时,控制信号变为低电平,于是将输入寄存器的信息锁存到DAC 寄存器中。 图1-1 中其余各引脚的功能定义如下: (1)、DI7~DI0 :8 位的数据输入端,DI7 为最高位。 (2)、IOUT1 :模拟电流输出端 1,当 DAC 寄存器中数据全为1 时,输出电流最大,当 DAC 寄存器中数据全为0 时,输出电流为0。 (3)、IOUT2 :模拟电流输出端 2, IOUT2 与 IOUT1 的和为一个常数,即 IOUT1+IOUT2=常数。 (4)、RFB :反馈电阻引出端,DAC0832 内部已经有反馈电阻,所以 RFB 端可以直接接到外部运算放大器的输出端,这样相当于将一个反馈电阻接在运算放大器的输出端和输入端之间。 (5)、VREF :参考电压输入端,此端可接一个正电压,也可接一个负电压,它决定 0 至 255 的数字量转化出来的模拟量电压值的幅度,VREF 范围为(+10~-10)V。VREF 端与 D/A 内部T 形电阻网络相连。 (6)、Vcc :芯片供电电压,范围为(+5~ 15)V。 (7)、AGND :模拟量地,即模拟电路接地端。 (8)、DGND :数字量地。 图1-1、D A C 0832 引脚图 2 图1-2、D A C 0832 内部结构图 2、 D A C 0832 的工作方式 DAC0832 可处于三种不同的工作方式: 1、 直通方式 :当 ILE 接高电平,CS 、1WR 、2WR和 XFER都接...

1、当您付费下载文档后,您只拥有了使用权限,并不意味着购买了版权,文档只能用于自身使用,不得用于其他商业用途(如 [转卖]进行直接盈利或[编辑后售卖]进行间接盈利)。
2、本站所有内容均由合作方或网友上传,本站不对文档的完整性、权威性及其观点立场正确性做任何保证或承诺!文档内容仅供研究参考,付费前请自行鉴别。
3、如文档内容存在违规,或者侵犯商业秘密、侵犯著作权等,请点击“违规举报”。

碎片内容

8位DA转换器DAC0832

确认删除?
VIP
微信客服
  • 扫码咨询
会员Q群
  • 会员专属群点击这里加入QQ群
客服邮箱
回到顶部