电脑桌面
添加小米粒文库到电脑桌面
安装后可以在桌面快捷访问

A4504中文资料VIP专享

A4504中文资料_第1页
1/7
A4504中文资料_第2页
2/7
A4504中文资料_第3页
3/7
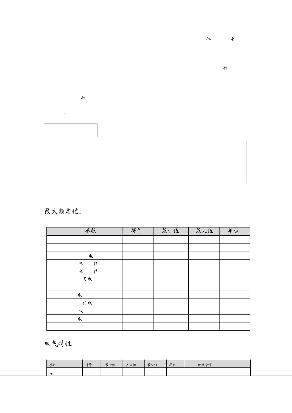
展示路电源算法驱动设计设计<返回>高速,高共模比的 IPM接口专用光耦4504(低价热销中(低价热销中.........))产品特点:�极短的寄生延时适合于 IPM使用�瞬时共模为 15KV/uSlIPM专用的电气隔离�TTL兼容�开路输出真值表原理图应用:�变频及逆变器电路中使用IPM(智能功率模块)之接口信号的隔离。瞬间共模比大于 10KV/uS.产品概述:发光管状态脚 6输出状态开低电平关高电平�该款光耦是美国 AVAGO公司(原安捷伦公司)专为 IPM等功率器件设计的光电隔离接口芯片�内部集成高灵敏度光传感器�极短的寄生延时为 IPM应用中的高速开关的死区时间确保了安全。是功率器件接口的完美解决方案�通过了 UL,CSA,VDE的安全认证�所有 IPM数据手册均推荐该款芯片作为接口封装尺寸:最大额定值:电气特性:参数符号最小值最大值单位储存温度TS-55125℃工作温度TA-55100℃正向输入电流IF25mA输入电流峰值@1mSIF150mA输入电流峰值<1uSIF21A输入信号电压(脚 3-2)VR5V输入功率PIN45mA输出电流IO8mA输出峰值电流IOF16mA控制电压(脚 8-5)Vcc0.530V输出电压(脚 6-5)Vo0.520V输出功率PO100mW参数符号最小值典型值最大值单位测试条件电流传输比CTR253260%IF=16mA,Vcc=4.5V评估电路评估电路::1.IF:输入电流信号,假设为 16mA;2.Vo:输出电压信号;3.tPHL,tPLH:输入输出之间的延时;4.RL的选择建议在 10K-20K之间;5.CL的选择建议在 10pF-100pF之间;6.建议在 5与 8脚之间加 0.1uF去偶电容;7.7脚和 8脚需要短路连接;设计中的死区时间和寄生延时的说明:该款产品提供了一些规格来帮助工程师“最小化死区时间”,这就是“寄生延时”误差规格。(公式:tPLH-PHL)该公式不仅定义了光耦需要多少时间延时来防止直通短路,而且还能设置最佳死区状态。输出低电平时VOL0.20.4VIF=16mA,Vcc=4.5V,IO=4mA输出高电平时IOH0.011μAIF=0mA,Vcc=15V,IO=4mA低电平时电源ICCL50200μAIF=16mA,Vcc=15V高电平时电源ICCH0.021μAIF=0mA,Vcc=15V输入正向压降VF1.51.7VIF=16mA输入反向电压BVR5VIR=10uA输入电容Cin60PFF=1MHZ,VF=0V下降沿延时TPHL0.20.3μSF=20K,If=16mA上升沿延时TPLH0.30.5μSF=20K,IF=16mA隔离耐压VISO 2500V1分钟@25C隔离电阻RIO1012Ω上图是典型的功率器件接口电路以及时序图;众所周知,当功率管 IPM 开关工作时,原则上是绝对不能使上下两臂同时导通的。即使在高下稍有交迭也会潜在威胁功率管和周遍电路,特别是在大电流状态下。防...

1、当您付费下载文档后,您只拥有了使用权限,并不意味着购买了版权,文档只能用于自身使用,不得用于其他商业用途(如 [转卖]进行直接盈利或[编辑后售卖]进行间接盈利)。
2、本站所有内容均由合作方或网友上传,本站不对文档的完整性、权威性及其观点立场正确性做任何保证或承诺!文档内容仅供研究参考,付费前请自行鉴别。
3、如文档内容存在违规,或者侵犯商业秘密、侵犯著作权等,请点击“违规举报”。

碎片内容

A4504中文资料

确认删除?
VIP
微信客服
  • 扫码咨询
会员Q群
  • 会员专属群点击这里加入QQ群
客服邮箱
回到顶部