电脑桌面
添加小米粒文库到电脑桌面
安装后可以在桌面快捷访问

ACPL331JCN的中文资料

ACPL331JCN的中文资料_第1页
1/23
ACPL331JCN的中文资料_第2页
2/23
ACPL331JCN的中文资料_第3页
3/23
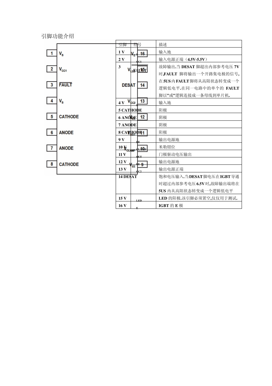
ACPL-331J 1.5A 电流输出的IGBT 门极驱动光耦 集成的(Vce)饱和度检测,欠压锁定, 故障状态反馈和有源米勒钳位 综述: ACPL - 331J 是一种先进的1.5 A 的输出电流,方便 易用的智能化的门极驱动器使得IGBT 的Vce 的故障 保护更加紧凑,价格合理,且易于实现功能,如集成的Vce 检测,欠压锁定(UVLO),IGBT 的“软”关断,隔离的集电极开路故障反馈和有源米勒钳位提供最大的设计灵活性和保护电路。 ACPL - 331J 包含了一个 GaAsP 的LED。通过该 LED 完成光电信号的耦合。ACPL-331J 非常适合用于驱动电机控制领域的功率 IGBT 和MOSFET。这些光耦的电压、电流供给使其非常适用用于直接驱动1200V 100A 以下的IGBT。对于更高功率等级的IGBT,ACPL-331J 通常被用来驱动由分离器件构成的IGBT 门极驱动器。ACPL-331J 具备一个峰值为891V 的绝缘电压。 结构框图: 产品特点: z 滞后的欠压封锁功能 z 饱和度侦测 z 米勒钳位 z 隔离的开路集电极故障反馈 z IGBT 软关断 z IGBT 下个开通周期的故障复位 z 提供 SO - 16 封装 z 安规认证 详细说明: z 1.5A 的最大输出峰值电流 z 1.0A 的最小输出峰值电流 z 温度范 围 内 最大 250nS 的传 输延 时 z 100nS 最大脉 冲 宽 度失 真 z 在 VCM = 1500 V 时 ,最小15 kV/µs 的共 模 抑制能力 z 最大供电电流ICC(max) < 5 mA z 温度范 围 内 工 作 电压可 达 15V-30V z 1A 的米勒钳位。该脚 不 用时 必 须 同 VEE 短接 z 宽 的工 作 温度范 围 :–40°C to 100°C 应 用: z IGBT 和功率 MOSFET 的驱动 z 交 流和直流无 刷 电机驱动 z 变 频 器和UPS 引脚功能介绍 引脚符号 描述 1 VS 输入地 2 VCC1 输入电源正端(4.5V-5.5V) 3 FAULT 故障输出.当 DESAT 脚超出内部参考电压 7V时,FAULT 脚将输出一个开路集电极的信号,在5US内FAULT脚将从高阻状态转变成一个逻辑低电平.在同一电路中的单个的 FAULT脚以”或”逻辑连接成一条母线到单片机. 4 VS 输入地 5 CATHODE阳极 6 ANODE 阴极 7 ANODE 阴极 8 CATHODE阳极 9 VEE 输出电源地 10 VCLAMP 米勒钳位 11 VOUT 门极驱动电压输出 12 VEE 输出电源地 13 VCC2 输出电源正端 14 DESAT 饱和电压输入.当DESAT脚电压在IGBT导通时超过内部参考电压 6.5V时,故障输出端将在...

1、当您付费下载文档后,您只拥有了使用权限,并不意味着购买了版权,文档只能用于自身使用,不得用于其他商业用途(如 [转卖]进行直接盈利或[编辑后售卖]进行间接盈利)。
2、本站所有内容均由合作方或网友上传,本站不对文档的完整性、权威性及其观点立场正确性做任何保证或承诺!文档内容仅供研究参考,付费前请自行鉴别。
3、如文档内容存在违规,或者侵犯商业秘密、侵犯著作权等,请点击“违规举报”。

碎片内容

ACPL331JCN的中文资料

您可能关注的文档

确认删除?
VIP
微信客服
  • 扫码咨询
会员Q群
  • 会员专属群点击这里加入QQ群
客服邮箱
回到顶部