电脑桌面
添加小米粒文库到电脑桌面
安装后可以在桌面快捷访问

ad549中文资料

ad549中文资料_第1页
1/9
ad549中文资料_第2页
2/9
ad549中文资料_第3页
3/9
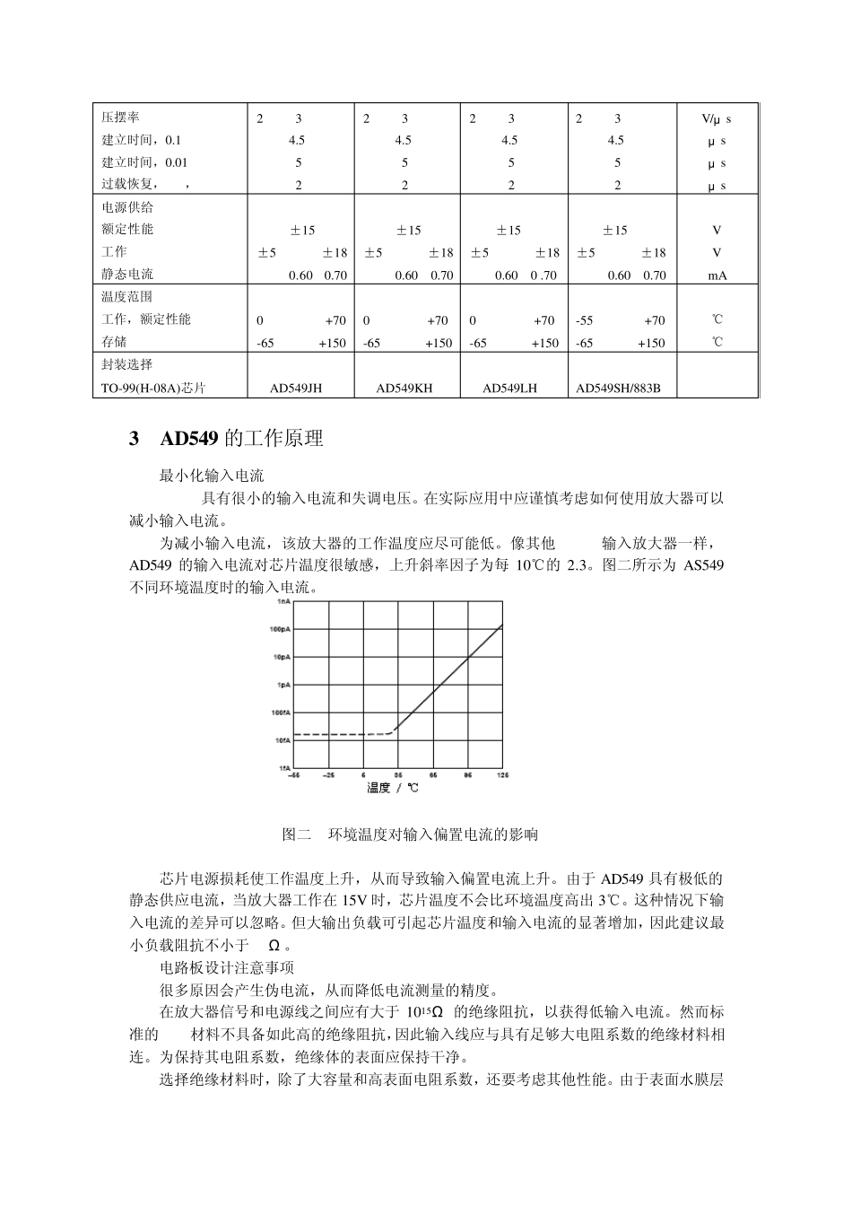
极低偏置电流运算放大器 A D 549 1 概述 AD549 是具有极低输入偏置电流的单片电路静电计型运算放大器。为达到高精度的目的,输入偏置电压和输入偏置电压漂移均通过激光调节。这种极低输入电流性能由 ADI 公司专有的 topgate 工艺技术完成。该技术可以制造与具有极低输入电流的 JFET 并与双极性电路隔离的集成运放。输入级具有 1015Ω 的共模阻抗,其输入电流与共模电压无关。 AD549 适用于低输入电流和低输入偏置电压的场合。它特别适合用作各种电流输出的传感器,如光电二极管、光电倍增管以及氧气传感器等的前置放大器。该产品也可用作精密积分器或低衰减采样保持器。AD549 的封装与标准 FET 和静电计运算放大器兼容,因此用户花少量成本即可对系统升级,提高已有系统的性能。 AD549 有 TO-99 密封封装。金属外壳与 8 管脚相连,使得金属外壳与同样电压的输入终端独立连接,达到降低外壳泄漏的目的。 AD549 具有四种性能等级。其中J、K 和 L 型号的温度范围是 0℃到 70℃。S型号专用于军事,其温度范围:-55℃到 125℃。 AD549 的输入电流在整个共模输入电压范围内都得到保证,其输入失调电压和漂移由激光分别调节到 0.25mV 和 5μ V/℃(AD549K);1mV 和 20μ V/℃(AD549J)。700μ A的最大静态电流使输入电流和偏置电压的热效应降到最低。模拟性能包括1MHz 的均匀增益带宽和 3V/μ s 的压摆率。当输入为 10V 时,建立时间是 5μ s 到 0.01%。 2 AD549的引脚及特性参数 图一所示是 AD549 的引脚图,表一所示是其特性参数。 参数 AD549J 最小 典型 最大 AD549K 最小 典型 最大 AD549L 最小 典型 最大 AD549S 最小 典型 最大 单位 输入偏置电流 共模输入,VCM=0V 共模输入,VCM=±10V 共模输入TMAX,VCM=0V 失调电流 150 250 150 250 11 50 75 100 75 100 4.2 30 40 60 40 60 2.8 20 75 100 75 100 420 30 fA fA pA fA 图一 AD549 引脚图 表一 AD549 的主要特性TMAX 处失调电流 2.2 1.3 0.85 125 pA 输入失调电压 失调 TMAX 处失调电压 受温度的影响 受电源的影响 TMIN~TMAX,受电源影响 长时间失调稳定性 0.5 1.0 1.9 10 20 32 100 32 100 15 0.15 0.25 0.4 2 5 10 32 10 32 15 0.3 0.5 0.9 5 10 10 32 10 32 15 0.3 0.5 2.0 10 15 10 32 32 50 15 mV mV μ V/℃...

1、当您付费下载文档后,您只拥有了使用权限,并不意味着购买了版权,文档只能用于自身使用,不得用于其他商业用途(如 [转卖]进行直接盈利或[编辑后售卖]进行间接盈利)。
2、本站所有内容均由合作方或网友上传,本站不对文档的完整性、权威性及其观点立场正确性做任何保证或承诺!文档内容仅供研究参考,付费前请自行鉴别。
3、如文档内容存在违规,或者侵犯商业秘密、侵犯著作权等,请点击“违规举报”。

碎片内容

ad549中文资料

您可能关注的文档

确认删除?
VIP
微信客服
  • 扫码咨询
会员Q群
  • 会员专属群点击这里加入QQ群
客服邮箱
回到顶部