电脑桌面
添加小米粒文库到电脑桌面
安装后可以在桌面快捷访问

AD630中文手册及使用案例VIP专享

AD630中文手册及使用案例_第1页
1/11
AD630中文手册及使用案例_第2页
2/11
AD630中文手册及使用案例_第3页
3/11
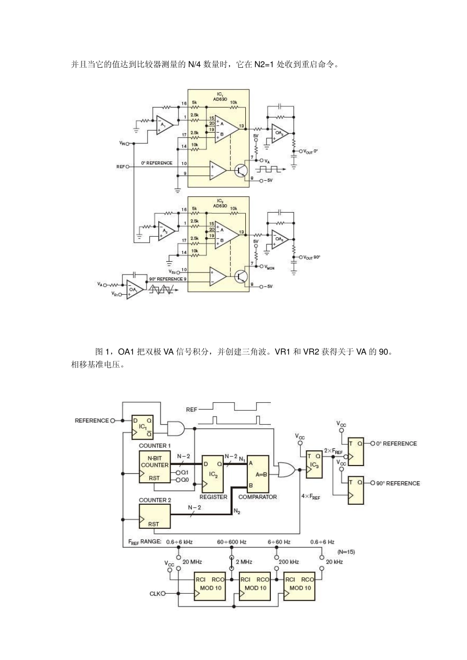
基于A D 6 3 0 的锁相放大器结构, 电路要包括以下部分: 输人信号、 前置放大、 参考信号、 带通滤波器、 隔离器、 移相器、 调制器、 比较器、 缓冲放大器、 积分器等。 输人信号往往频率成分比较复杂, 尽管锁相放大器本身能够很好地滤波, 但是实验证明, 前边使用一个带宽很窄的带通滤波器首先对输入信号进行滤波, 能更好地限制幅值很大的过高频和过低频输人信号成分干扰, 从而避免了锁相放大器承受噪声冲击的干扰; 由于参考信号一般取自信号源电路, 所以必须对参考信号进行信号隔离, 有利于保护信号源电路, 防止后端电路噪声串扰信号源电路的输出特性; 移相器是对信号相位进行调整, 将参考信号与输入信号调整到同相状态, 使同频信号获得最大增益输出; A D 6 3 0 锁相放大器的主要功能主要由比较器、 调制器和缓冲放大器完成, 其参考信号与输出信号见图4 、 图 5 ; 积分电路是将 AD 6 3 0 输出信号进行整流, 设计一款低通滤波器便可以完成此功能。 根据以上分析设计, 实际设计电路图见图 6 。 锁相放大器芯片( AD 6 3 0 ) 1 1 脚供电 +1 2 V; 8 脚供电一 1 2 V;9 脚为信号输入端;1 3 脚为信号输出端;1 脚与 1 6 脚都为参考输入端。 产生两路模拟输出的紧凑四象限锁入放大器 本例中的电路采用Analog Devices 公司的AD630 平衡调制解调IC 实现了一种简单的低成本锁入放大器(参考文献1)。该器件使用激光微调薄膜电阻,这带来了很高的准确性和稳定性,并因此产生了一种灵活的换向体系结构。它可用于同步检测等先进的信号处理应用。如果知道信号的频率与相位,那么即使存在振幅大得多的噪声源,该放大器也能检测出微弱的AC 信号。 作为模拟放大器,AD630 显示了输入电压信号在某个狭窄频带内的分量,该频带围绕基准信号的频率。 AD630 输出端的低通滤波器使你能获得关于微弱信号振幅的信息,它原本被无关的噪声掩盖了。当输入电压与基准电压同相时,低通滤波器的输出VOUT 具有最大振幅。相反,如果输入电压与基准电压正交,则输出电压在理想情况下将为 0V。这样,如果可获得同相基准信号和正交基准信号,则两个平衡解调器显示同相输出电压为 0˚,正交输出电压为 90˚。你可以计算模移和相移,方法如下: 两个 AD630 的增益为±2,并通过两个相同的放大器 A1 和 A2 接收放大的信号 VIN。在 IC1 的7 号引脚,出现一个...

1、当您付费下载文档后,您只拥有了使用权限,并不意味着购买了版权,文档只能用于自身使用,不得用于其他商业用途(如 [转卖]进行直接盈利或[编辑后售卖]进行间接盈利)。
2、本站所有内容均由合作方或网友上传,本站不对文档的完整性、权威性及其观点立场正确性做任何保证或承诺!文档内容仅供研究参考,付费前请自行鉴别。
3、如文档内容存在违规,或者侵犯商业秘密、侵犯著作权等,请点击“违规举报”。

碎片内容

AD630中文手册及使用案例

确认删除?
VIP
微信客服
  • 扫码咨询
会员Q群
  • 会员专属群点击这里加入QQ群
客服邮箱
回到顶部