电脑桌面
添加小米粒文库到电脑桌面
安装后可以在桌面快捷访问

CAD练习图形

CAD练习图形_第1页
1/31
CAD练习图形_第2页
2/31
CAD练习图形_第3页
3/31
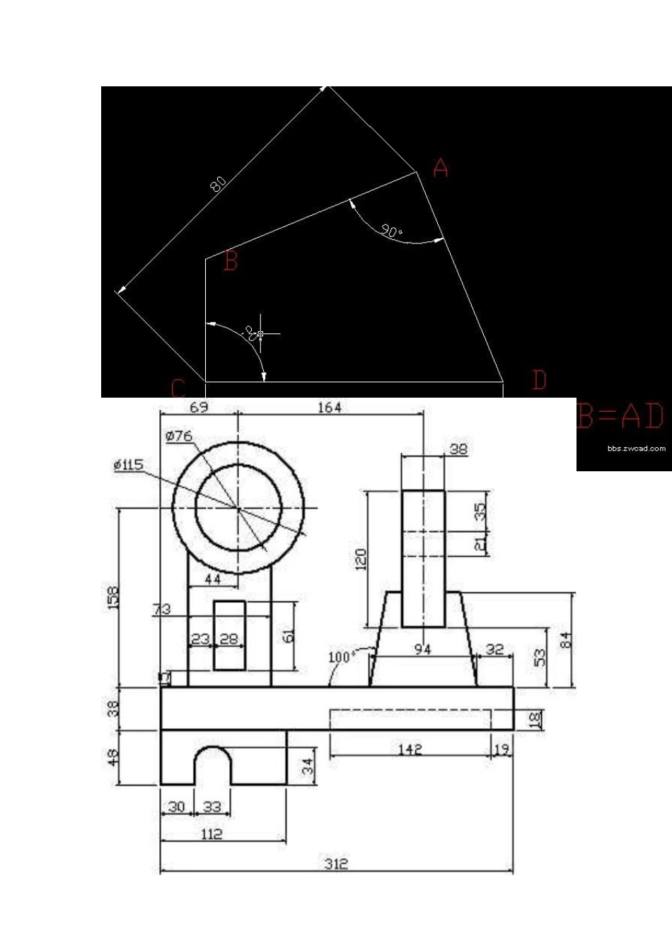
1 课 程 设 计 课程名称CAD/CAM 课程设计 设计题目 立式电风扇 专业班级 08 模具设计与制造 2 班 学生姓名 某 学号 11111111111 指导教师 某老师 起止日期 5 月 23 至 5 月 27 工程技术学院 二 0 一 0 年五月 目 录 一、 设计任务............................................................................................................ 1 5 二、设计进度及时间安排.......................................................................................... 1 6 三、设计过程.............................................................................................................. 1 6 1 作品构思.................................................................................................................. 1 6 2作品布局方案........................................................................................................... 1 6 3作图过程................................................................................................................... 1 6 四、设计特点.............................................................................................................. 2 2 一、 设计任务 课 程 设 计 任 务 书 设计内容 1、项目分析 2、草图绘制 3、工程图样或效果图绘制 4、撰写设计文档 设计的基本要求 1、结合该课程中所学的理论知识,按要求独立设计方案,培养学生独立分析与解决问题的能力; 2、学会查阅相关手册和资料,通过查阅手册和资料,进一步熟悉常用方法的用途和技巧,并掌握这些方法的具体含义和如何使用这些方法解决实际问题; 3、掌握综合性的CAD建模设计的基本过程(视具体设计题目)。 4、掌握综合性CAD三维模型及二维工程图样设计的方法,熟悉常用建模命令的使用(视具体设计题目)。 5、认真撰写总结报告,培养严谨的作风和科学的态度。 主要参考文献 1. 二、设计进度及时间安排 进 度 计 划 表 三、设计过程 1 作品构思 本作品取材于生活物件 2作品布局方案 为了能正确表达作品结构,拟采六个视图,五个部件视图,一个整体视图 3作图过程 1、一、绘制电扇底座及控制部分 1、绘制电扇底座:新建轮廓层(object),并置为当前→改变 UC...

1、当您付费下载文档后,您只拥有了使用权限,并不意味着购买了版权,文档只能用于自身使用,不得用于其他商业用途(如 [转卖]进行直接盈利或[编辑后售卖]进行间接盈利)。
2、本站所有内容均由合作方或网友上传,本站不对文档的完整性、权威性及其观点立场正确性做任何保证或承诺!文档内容仅供研究参考,付费前请自行鉴别。
3、如文档内容存在违规,或者侵犯商业秘密、侵犯著作权等,请点击“违规举报”。

碎片内容

您可能关注的文档

确认删除?
VIP
微信客服
  • 扫码咨询
会员Q群
  • 会员专属群点击这里加入QQ群
客服邮箱
回到顶部