电脑桌面
添加小米粒文库到电脑桌面
安装后可以在桌面快捷访问

CAD绘图标准

CAD绘图标准_第1页
1/9
CAD绘图标准_第2页
2/9
CAD绘图标准_第3页
3/9
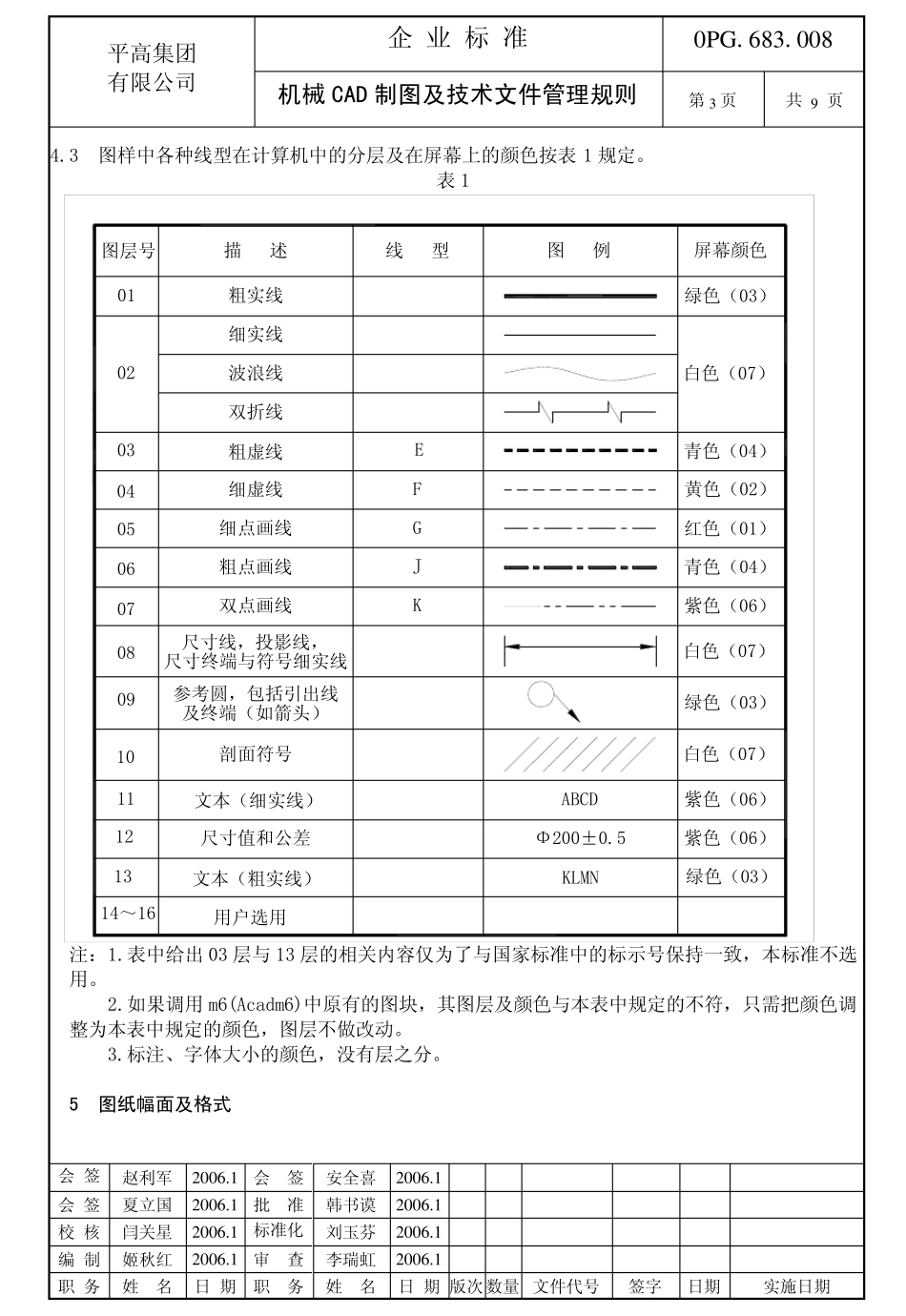
企业标准0PG.683.008平高集团有限公司 机械CAD 制图及技术文件管理规则第1 页共9 页会签赵利军2006.1会签安全喜2006.1会签夏立国2006.1批准韩书谟2006.1校核闫关星2006.1标准化刘玉芬2006.1编制姬秋红2006.1审查李瑞虹2006.1职务姓名日期职务姓名日期版次数量文件代号签字日期实施日期1 范围本标准规定了机械工程中计算机辅助设计(以下简称CAD)制图及技术文件管理规则。本标准适用于平高集团有限公司在计算机及其外围设备中进行显示、绘制、打印的机械工程图样及有关技术文件。2 规范性引用文件GB/T 1.1-2000标准化工作导则第1 部分:标准的结构和编写规则Q/TY J00.001-2003产品图样和设计文件的完整性及审批程序Q/TY J00.022-2003工艺文件的完整性及审批程序GB/T 14690-1993技术制图比例GB/T 17825-1999CAD 文件管理GB/T 18229-2000CAD 工程制图规则GB/T中华人民共和国国家标准技术制图GB/T中华人民共和国国家标准机械制图3 基本原则3.1凡在计算机及其外围设备中绘制机械工程图样时,如涉及本标准中未规定的内容,应符合有关标准和规定。3.2在机械工程制图中用CAD 绘制的机械工程图样,首先应考虑表达准确,视图方便。在完整、清晰、准确地表达机件各部分形状的前提下,力求制图简便。3.3用CAD 绘制机械图样时,应尽量采用CAD 新技术。4图线4.1图样中粗实线、粗点画线宽度原则上为 0.5mm,必要时(如两直线间距过近容易重合时)也可选用0.35mm。图样中细实线、细点画线、波浪线、虚线宽度原则上为 0.25mm。两条平行线之间的最小间隙不得小于0.7mm,同一张图中同类线宽应一致。4.2 非连续线的画法4.2.1相交线图线应尽量相交在线段上,见图1。绘制圆时,应画出圆心符号(+),+字星长度为(3~4)mm。企业标准0PG.683.008平高集团有限公司 机械CAD 制图及技术文件管理规则第2 页共9 页会签赵利军2006.1会签安全喜2006.1会签夏立国2006.1批准韩书谟2006.1校核闫关星2006.1标准化刘玉芬2006.1编制姬秋红2006.1审查李瑞虹2006.1职务姓名日期职务姓名日期版次数量文件代号签字日期实施日期a)b)图14.2.2接触与连接线和转弯线的画法图线在接触与连接或转弯时应尽可能在线段上相连,见图2。企业标准0PG.683.008平 高 集 团有 限 公 司机械CAD 制图及技术文件管理规则第3 页共9 页会签赵 利 军2006.1会签安 全 喜2006.1会签夏 立 国2006.1批准韩 书 谟2006.1校核闫 关 星2006.1标 准 化刘 玉 芬2006.1编制姬...

1、当您付费下载文档后,您只拥有了使用权限,并不意味着购买了版权,文档只能用于自身使用,不得用于其他商业用途(如 [转卖]进行直接盈利或[编辑后售卖]进行间接盈利)。
2、本站所有内容均由合作方或网友上传,本站不对文档的完整性、权威性及其观点立场正确性做任何保证或承诺!文档内容仅供研究参考,付费前请自行鉴别。
3、如文档内容存在违规,或者侵犯商业秘密、侵犯著作权等,请点击“违规举报”。

碎片内容

确认删除?
VIP
微信客服
  • 扫码咨询
会员Q群
  • 会员专属群点击这里加入QQ群
客服邮箱
回到顶部