电脑桌面
添加小米粒文库到电脑桌面
安装后可以在桌面快捷访问

DL_T645规约

DL_T645规约_第1页
1/25
DL_T645规约_第2页
2/25
DL_T645规约_第3页
3/25
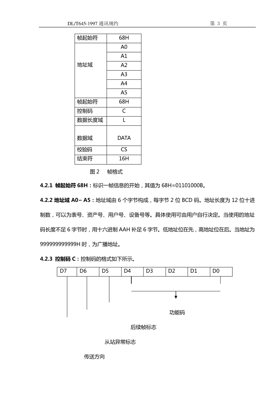
DL/T645-1997 通讯规约 第 1 页 DL/T645-1997 通 讯 规 约 通 信 规 约 1、 范围 该 通 信 规 约 适 用 于 本 地 系 统 中 多 功 能 表 的 费 率 装 置 与 手 持 单 元 ( HHU) 或 其 它 数 据终 端 设 备 进 行 点 对 点 的 或 一 主 多 从 的 数 据 交 换 方 式 , 规 定 了 它 们 之 间 的 物 理 连 接 、通 信链 路 及 应 用 技 术 规 范 。 2 、引用标准 GB/T3454-1994 数 据 通 信 基 本 型 控 制 规 程 GB/T9387-1995 信 息 处 理 系 统 开 放 系 统 互 连 基 本 参 考 模 型 DL/T614-1997 多 功 能 电 能 表 IEC1107-1996 读 表 、费 率 和 负 荷 控 制 的 数 据 交 换 ---直 接 本 地 数 据 交 换 IEC1142--1993 读 表 、费 率 和 负 荷 控 制 的 数 据 交 换 ---本 地 总 线 数 据 交 换 ITU-TV。 24—1993 非 平 衡 双 流 接 口 电 路 的 点 特 性 ITU-TV。 28—1993 数 据 终 端 设 备 ( DTE) 和 数 据 电 路 终 接 设 备 ( DCE) 之 间 的 接 口 电 路 定 义 表 3 、RS-485 标准串行电气接口 本 协 议 采 用RS-485 标 准 串 行 电 气 接 口 ,使 用 点 连 接 成 为 可 能 .RS-485 接 口 的 一 般性 能 应 符 合 下 列 要 求 . 3.1 驱 动 与 接 收 端 、耐 静 电 (ESD)±15kV(人 体 模 式 )。 3.2 共 模 输 入 电 压 :-7V~+12V。 3.3 差模 输 入 电 压 :大于 0.2V DL/T645-1997 通讯规约 第 2 页 3.4 驱 动 输 出 电 压 : 在 负 载 阻 抗54 欧 姆 时 , 最 大 5V, 最 小 1.5V 3.5 三 态 方 式 输 出 3.6 半 双 工 通 信 方 式 。 3.7 驱 动 能 力 不 小 于 32 个 同 类 接 口 。 3.8 在 传 输 速 率 不 大 于 100kbps 条 件 下 , 有 效 传 输 不 小 于1200m 3.9 总 线 是 无 源 的 , 由 费 率 装 置 或 数 据 终 端 、提供隔离电 源 。 4.1 字节格式 每字节含 8 位二进制码, 传 输 时 加上一个 起始位(0)、一个 偶校验位和一个 停止位(1)共 11 位。 其传 输 序列如图 1。 D...

1、当您付费下载文档后,您只拥有了使用权限,并不意味着购买了版权,文档只能用于自身使用,不得用于其他商业用途(如 [转卖]进行直接盈利或[编辑后售卖]进行间接盈利)。
2、本站所有内容均由合作方或网友上传,本站不对文档的完整性、权威性及其观点立场正确性做任何保证或承诺!文档内容仅供研究参考,付费前请自行鉴别。
3、如文档内容存在违规,或者侵犯商业秘密、侵犯著作权等,请点击“违规举报”。

碎片内容

确认删除?
VIP
微信客服
  • 扫码咨询
会员Q群
  • 会员专属群点击这里加入QQ群
客服邮箱
回到顶部