电脑桌面
添加小米粒文库到电脑桌面
安装后可以在桌面快捷访问

DTM系列全站仪说明书

DTM系列全站仪说明书_第1页
1/58
DTM系列全站仪说明书_第2页
2/58
DTM系列全站仪说明书_第3页
3/58
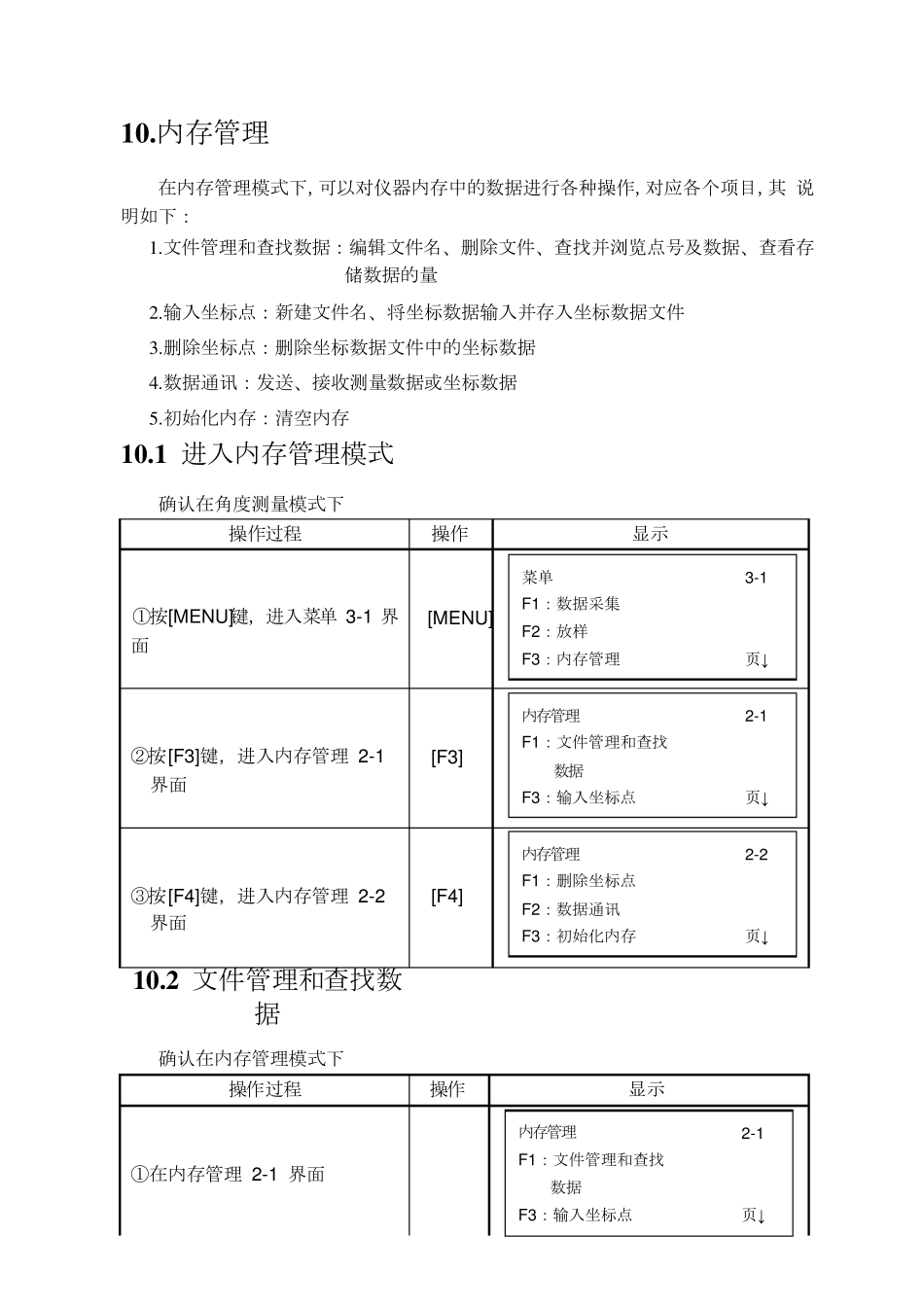
1 0 .内存管理 在内存管理模式下,可以对仪器内存中的数据进行各种操作,对应各个项目,其 说明如下: 1 .文件管理和查找数据:编辑文件名、删除文件、查找并浏览点号及数据、查看存 储数据的量 2 .输入坐标点:新建文件名、将坐标数据输入并存入坐标数据文件 3 .删除坐标点:删除坐标数据文件中的坐标数据 4 .数据通讯:发送、接收测量数据或坐标数据 5 .初始化内存:清空内存 1 0 .1 进入内存管理模式 确认在角度测量模式下 操作过程 操作 显示 菜单 3-1 ①按[MENU]键,进入菜单 3-1 界 [MENU] F1:数据采集 F2:放样 面 F3:内存管理 页↓ 内存管理 2-1 ②按[F3]键,进入内存管理 2-1 [F3] F1:文件管理和查找 数据 界面 F3:输入坐标点 页↓ 内存管理 2-2 ③按[F4]键,进入内存管理 2-2 [F4] F1:删除坐标点 F2:数据通讯 界面 F3:初始化内存 页↓ 1 0 .2 文件管理和查找数据 确认在内存管理模式下 操作过程 操作 显示 内存管理 2-1 ①在内存管理 2-1 界面 F1:文件管理和查找 数据 F3:输入坐标点 页↓ 7 1 ②按[F1]键 文件个数:8 文件个数:表示仪器内存中有 8 个文件 文件名:表示当前工作的文件名为 DAD [F1] 文件名:DAD [工作] C/0956:表示该文件中有 956 个坐标数 C/0956 M/0956 据 编辑 列表 查找 删除 M/0956:表示该文件中有 956 个测量数 据 文件个数:8 ③按[F1](编辑)键,可以更改 [F1] 文件名= [工作] C/0956 M/0956 当前工作的文件名 删除 ---- 123 确定 例:改为 DAD1(参见 3.8) 文件个数:8 文件名:DAD1 [工作] C/0956 M/0956 编辑 列表 查找 删除 ④按[F2](列表)键,可以查看 文件个数:8 文件名:DAD2 当前显示的文件名中坐标数据 [F2] C/0956 M/0956 和测量数据的个数。 编辑 列表 查找 删除 (可以连续按[F2]键) ⑤按[F4](删除)键 删除文件:DAD2 按[F1]键删除 DAD2 中的坐标数据 F1:坐标数据 按[F2]键删除 DAD2 中的测量数据 [F4] F2:测量数据 按[F3]键删除 DAD2(包括坐标数据 F3:所有数据 和测量数据) 以删除所有数据为例 删除文件:DAD2 [F3] 删除这个文件和 按[F3]键 所有数据 [是] ---- ---- [否] 文件个数:7 按[F1]键 [F1] 文件名:DAD3 C/0956 M/0956 编辑 列表 查找 删除 7 2 ⑥按[F3](查找)键,进入查找...

1、当您付费下载文档后,您只拥有了使用权限,并不意味着购买了版权,文档只能用于自身使用,不得用于其他商业用途(如 [转卖]进行直接盈利或[编辑后售卖]进行间接盈利)。
2、本站所有内容均由合作方或网友上传,本站不对文档的完整性、权威性及其观点立场正确性做任何保证或承诺!文档内容仅供研究参考,付费前请自行鉴别。
3、如文档内容存在违规,或者侵犯商业秘密、侵犯著作权等,请点击“违规举报”。

碎片内容

DTM系列全站仪说明书

您可能关注的文档

确认删除?
VIP
微信客服
  • 扫码咨询
会员Q群
  • 会员专属群点击这里加入QQ群
客服邮箱
回到顶部