电脑桌面
添加小米粒文库到电脑桌面
安装后可以在桌面快捷访问

GB75882003第1号修改单

GB75882003第1号修改单_第1页
1/11
GB75882003第1号修改单_第2页
2/11
GB75882003第1号修改单_第3页
3/11
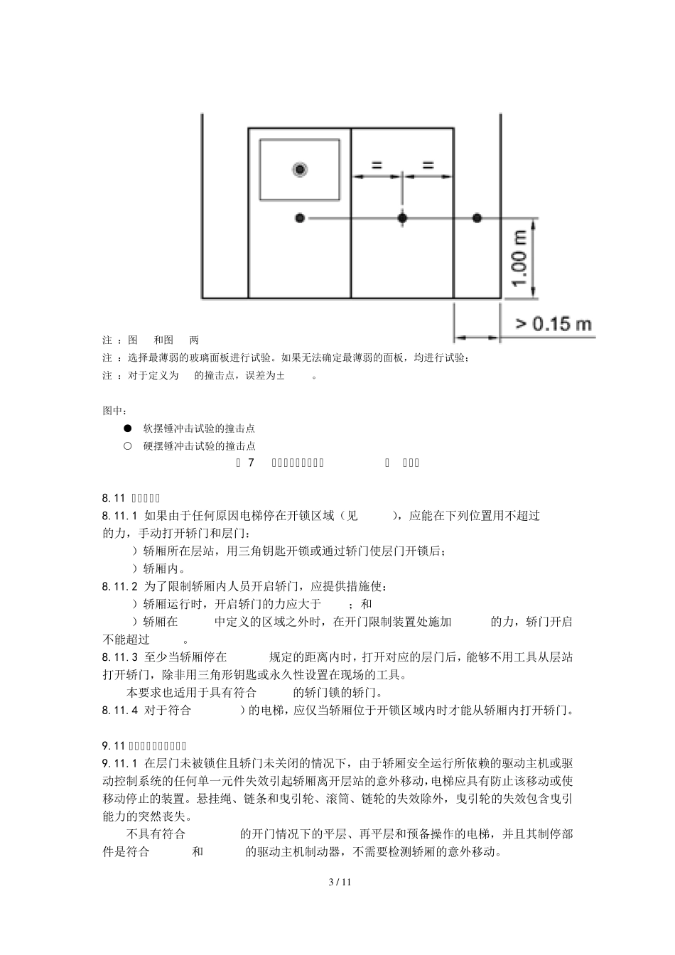
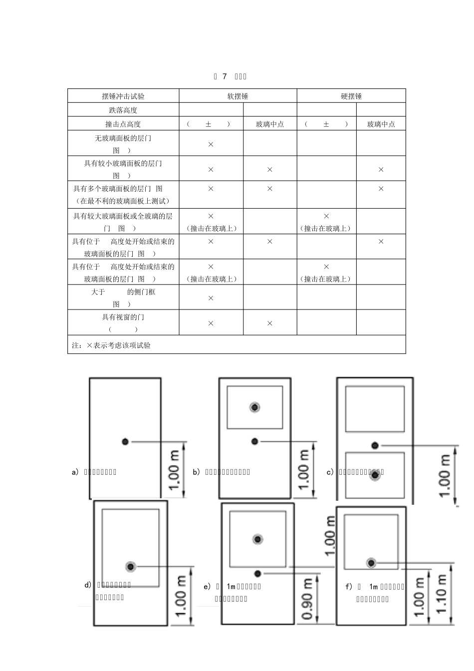
1 / 1 1 附件: GB 7588-2003《电梯制造与安装安全规范》 第 1 号修改单 2 引用标准 增加: GB/T 24478-2009 电梯曳引机 3.18 轿厢意外移动 unintended car movement 在开锁区域内且开门状态下,轿厢无指令离开层站的移动,不包含装卸载引起的移动。 7.2.3.1 层门在锁住位置时,所有层门及其门锁应有这样的机械强度: a)用300 N的静力垂直作用于门扇或门框的任何一个面上的任何位置,且均匀地分布在5 cm2的圆形或方形面积上时,应: 1)永久变形不大于1 mm; 2)弹性变形不大于15 mm; 试验后,门的安全功能不受影响。 b)用1000 N的静力从层站方向垂直作用于门扇或门框上的任何位置,且均匀地分布在100 cm2的圆形或方形面积上时,应没有影响功能和安全的明显的永久变形[见7.1(最大10 mm的间隙)和7.7.3.1]。 注:对于a)和b),为避免损坏层门的表面,用于提供测试力的测试装置的表面可使用软质材料。 7.2.3.3 层门/门框上的玻璃应使用夹层玻璃。 7.2.3.7 固定在门扇上的导向装置失效时,水平滑动层门应有将门扇保持在工作位置上的装置。具有这些装置的完整的层门组件应能承受符合7.2.3.8 a)要求的摆锤冲击试验,撞击点按表7和图7在正常导向装置最可能失效条件下确定。 注:保持装置可理解为阻止门扇脱离其导向的机械装置,可以是一个附加的部件也可以是门扇或悬挂装置的一部分。 7.2.3.8 对于带玻璃面板的层门和宽度大于150 mm的层门侧门框,还应满足下列要求(见图7): 注:门框侧边用来封闭井道的附加面板视为侧门框。 a)从层站侧,用软摆锤冲击装置按附录J,从面板或门框的宽度方向的中部以符合表7所规定的撞击点,撞击面板或门框时: 1)可以有永久变形; 2)层门装置不应丧失完整性,并保持在原有位置,且凸进井道后的间隙不应大于0.12 m; 3)在摆锤试验后,不要求层门能够运行; 4)对于玻璃部分,应无裂纹; b)从层站侧,用硬摆锤冲击装置按附录J,从面板或玻璃面板的宽度方向的中部以符合表7所规定的撞击点,撞击大于7.6.2 a)所述的玻璃面板时: 1)无裂纹; 2)除直径不大于2 mm的剥落外,面板表面无其他损坏。 注:在多个玻璃面板的情况下,考虑最薄弱的面板。 2 / 1 1 表 7 撞击点 摆锤冲击试验 软摆锤 硬摆锤 跌落高度 800 mm 800 mm 500 mm 500 mm 撞击点高度 (1.0 ± 0.1) m 玻璃中点 (1.0 ± 0.1)m 玻璃中点 无玻璃面板的...

1、当您付费下载文档后,您只拥有了使用权限,并不意味着购买了版权,文档只能用于自身使用,不得用于其他商业用途(如 [转卖]进行直接盈利或[编辑后售卖]进行间接盈利)。
2、本站所有内容均由合作方或网友上传,本站不对文档的完整性、权威性及其观点立场正确性做任何保证或承诺!文档内容仅供研究参考,付费前请自行鉴别。
3、如文档内容存在违规,或者侵犯商业秘密、侵犯著作权等,请点击“违规举报”。

碎片内容

GB75882003第1号修改单

您可能关注的文档

确认删除?
VIP
微信客服
  • 扫码咨询
会员Q群
  • 会员专属群点击这里加入QQ群
客服邮箱
回到顶部