电脑桌面
添加小米粒文库到电脑桌面
安装后可以在桌面快捷访问

GB9706.12007要求规范性附录

GB9706.12007要求规范性附录_第1页
1/32
GB9706.12007要求规范性附录_第2页
2/32
GB9706.12007要求规范性附录_第3页
3/32
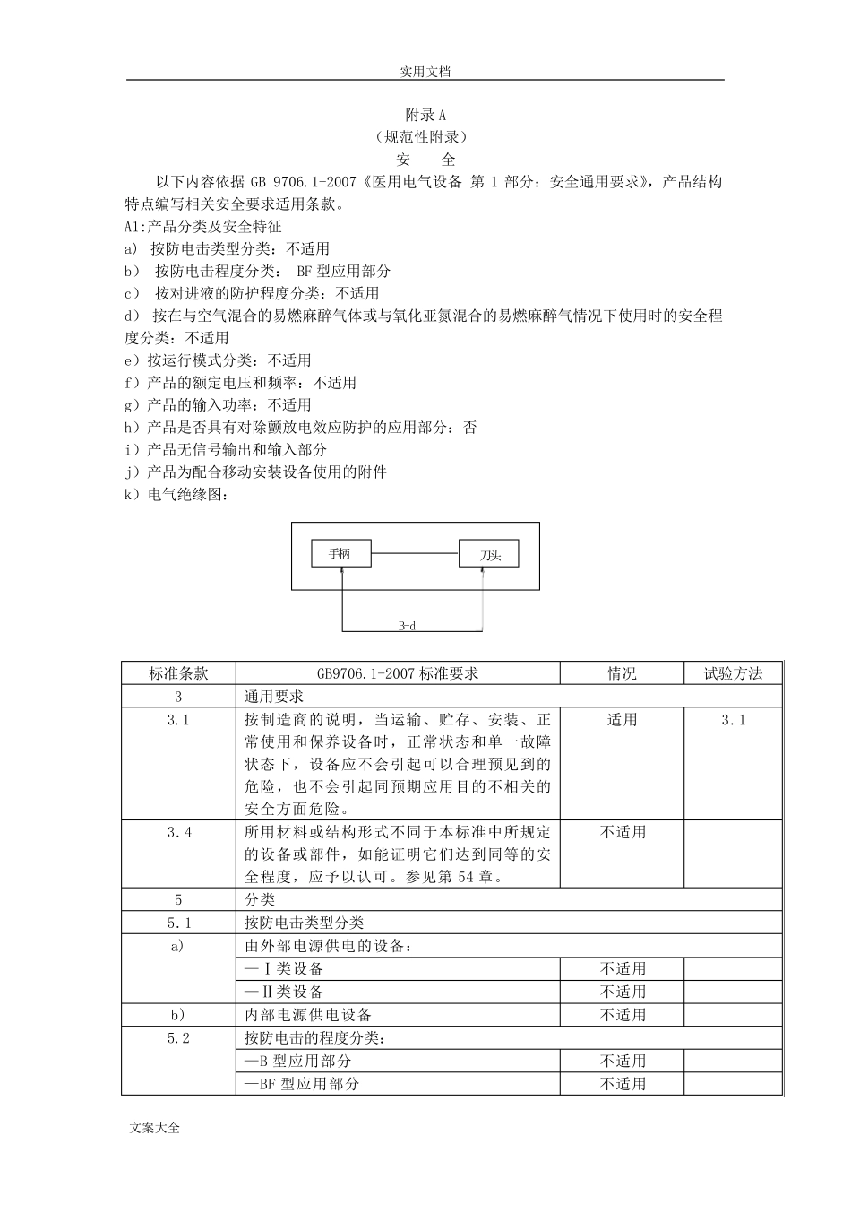
实 用 文 档 文 案 大 全 附 录 A ( 规 范 性 附 录 ) 安 全 以 下 内 容 依 据GB 9706.1-2007《 医 用 电 气 设 备 第1 部 分 : 安 全 通 用 要 求 》, 产 品 结 构特 点 编 写 相 关 安 全 要 求 适 用 条 款 。 A1:产 品 分 类 及 安 全 特 征 a) 按 防 电 击 类 型 分 类 : 不 适 用 b) 按 防 电 击 程 度 分 类 : BF 型 应 用 部 分 c) 按 对 进 液 的 防 护 程 度 分 类 : 不 适 用 d) 按 在 与 空 气 混 合 的 易 燃 麻 醉 气 体 或 与 氧 化 亚 氮 混 合 的 易 燃 麻 醉 气 情 况 下 使 用 时 的 安 全 程度 分 类 : 不 适 用 e) 按 运 行 模 式 分 类 : 不 适 用 f) 产 品 的 额 定 电 压 和 频 率 : 不 适 用 g) 产 品 的 输 入 功 率 : 不 适 用 h) 产 品 是 否 具 有 对 除 颤 放 电 效 应 防 护 的 应 用 部 分 : 否 i) 产 品 无 信 号 输 出 和 输 入 部 分 j) 产 品 为 配 合 移 动 安 装 设 备 使 用 的 附 件 k) 电 气 绝 缘 图 : 手 柄刀 头B-d 标 准 条 款 GB9706.1-2007 标 准 要 求 情 况 试 验 方 法 3 通 用 要 求 3.1 按 制造商的 说明, 当运 输 、贮存、安 装 、正常使 用 和 保养设 备 时 , 正常状态和 单一故障状态下 , 设 备 应 不 会引起可以 合 理预见到的危险, 也不 会引起同预期应 用 目的 不 相 关 的安 全 方 面危险。 适 用 3.1 3.4 所用 材料或 结 构 形式 不 同于本标 准 中所规 定的 设 备 或 部 件 , 如能证明它们达到同等的 安全 程 度 , 应 予以 认可。 参见第54 章。 不 适 用 5 分 类 5.1 按 防 电 击 类 型 分 类 a) 由外部 电 源供电 的 设 备 : —Ⅰ类 设 备 不 适 用 —Ⅱ类 设 备 不 适 用 b) 内 部 电 源供电 设 备 不 适 用 5.2 按 防 电 击 的 程 度 分 类 : —B 型 应 用 部 分 不 适 用 —BF 型 应 用 部 分 不 适 用 实用文档 文案大全 —CF 型应用部分 适用 5.2 5.3 按 GB4208 中规定的对进...

1、当您付费下载文档后,您只拥有了使用权限,并不意味着购买了版权,文档只能用于自身使用,不得用于其他商业用途(如 [转卖]进行直接盈利或[编辑后售卖]进行间接盈利)。
2、本站所有内容均由合作方或网友上传,本站不对文档的完整性、权威性及其观点立场正确性做任何保证或承诺!文档内容仅供研究参考,付费前请自行鉴别。
3、如文档内容存在违规,或者侵犯商业秘密、侵犯著作权等,请点击“违规举报”。

碎片内容

GB9706.12007要求规范性附录

确认删除?
VIP
微信客服
  • 扫码咨询
会员Q群
  • 会员专属群点击这里加入QQ群
客服邮箱
回到顶部