电脑桌面
添加小米粒文库到电脑桌面
安装后可以在桌面快捷访问

JISG33032002中文版

JISG33032002中文版_第1页
1/8
JISG33032002中文版_第2页
2/8
JISG33032002中文版_第3页
3/8
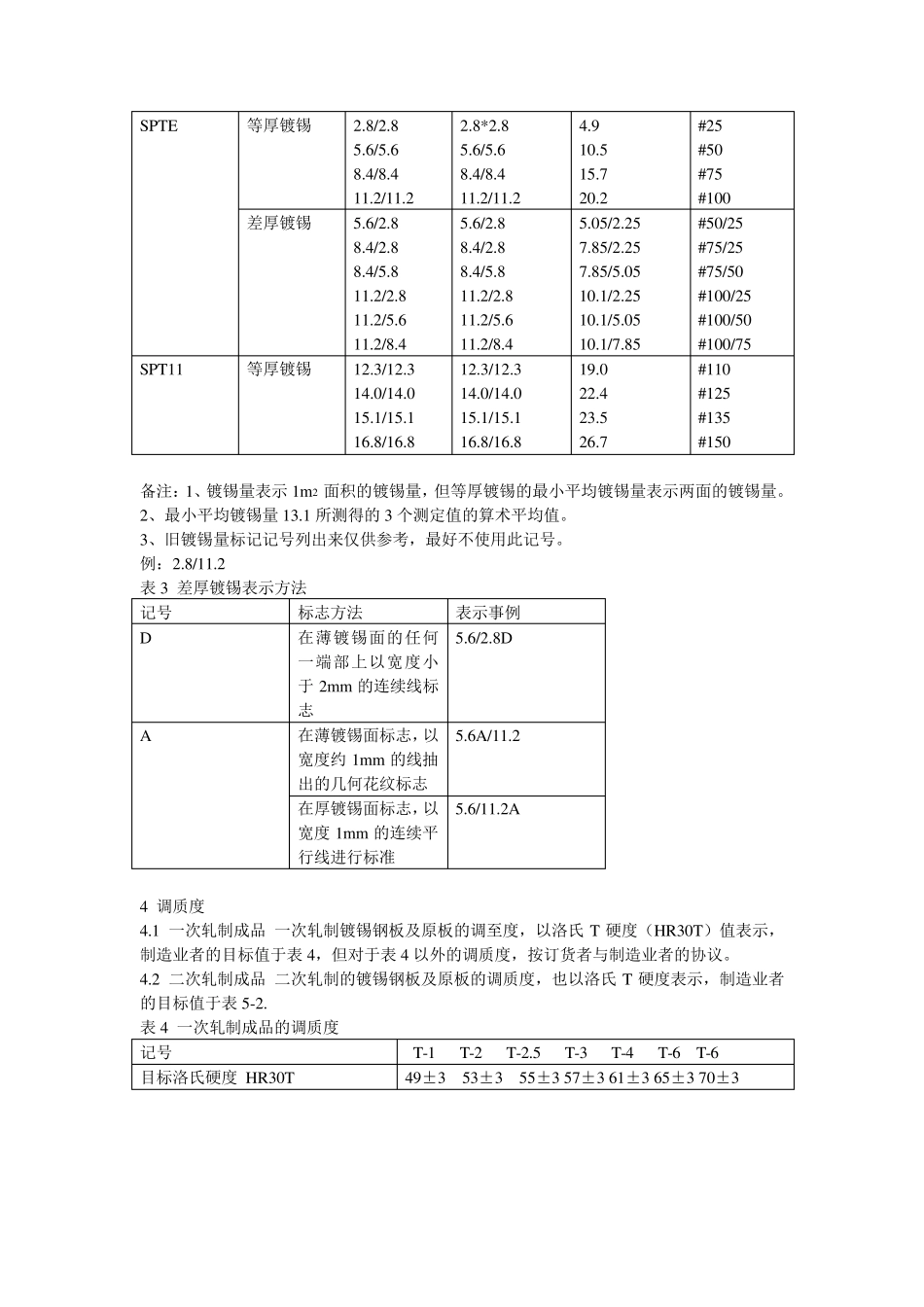
镀锡钢板及镀锡钢板原板 JLS(1959、69、75、84)修改 JIS(1952)制定 1、适用范围 本标准规定:公称厚度由 0.15m m 至 0.60m m 的低碳钢一次轧制的镀锡钢板及镀锡钢板原板(以下称原板)及公称厚度由 0.14m m 至 0.36m m 的低碳钢二次轧制的镀锡钢板及镀锡钢板原板。 备注:1、低碳钢一次轧制的镀锡钢板及原板是指对于一次轧制的低碳钢板进行镀锡处理者或镀锡处理的原板。 2、低碳钢二次轧制的镀锡板及原板是对于经退火后第二次冷轧的低碳钢板进行镀锡处理者和不镀锡处理的原板。 3、镀锡钢板有进行电镀处理的电镀锡钢板和进行热没镀锡处理的热没镀锡处理的热没镀锡钢板。 4、镀锡钢板分板状及卷状,板状者称板(薄板),卷状者称卷,原板分板状及卷状,板状者称原薄板,卷状者称原板卷。 2 种类及记号 镀锡钢板及原板的种类及记号如下: 2.1 记号 镀锡钢板及原板的记号按表 1 所示。 表 1 镀锡钢板及原板的记号 种类 记号 原板 电镀锡钢板 热没镀锡钢板 SPB SPTE SPTH 2.2 根据镀锡量的区分 电镀锡板区分为两面镀锡量相同者(以下称等原镀锡)和两面镀锡量不同者(以下称差原镀锡),并据各镀锡量进一步按第三章进行区分。 热没镀锡钢板是在原薄板上进行热没镀锡的板,根据镀锡量按第 3 章进行区分。 2.3 根据钢种的区分 镀锡钢板及原板、根据钢种的区分示于 11.1 2.4 根据调质度的区分 镀锡钢板及原板根据质度的区分示于第 4 章。 2.5 根据表面状态的区分 镀锡钢板及原板根据表面状态的区分示于第 5 章。 3 镀锡量 3.1 镀锡量 各种镀锡钢板的公称镀锡量和最小平均镀锡量,如表 2 所示,但对要求表 2 以外镀锡量的镀锡钢板,按订货者与制造业者的协议。 3.2 镀锡量的表示方法 镀锡钢板的镀锡量的表示,如表 2 所示,差厚镀锡量的表示,如表 2中的例所示,首先填写板的上表面或卷的外表面的镀锡量,之后填写板的下表面或卷的内表面的镀锡量。 3.3 表示两面的镀锡量不同的成品标志 为表示差厚镀锡而标志于薄镀锡面或厚镀锡面或厚镀锡面的任何一面时,其标志方法由订货者与制造业者的协议而定,并应在订货合同中注明。标志一般按表 3。 表 2 镀锡量 种类的记号 区分 镀锡量标记记号 公称镀锡量 (g/m 2) 最小平均镀锡量 (g/m 2) 旧镀锡量标记记号(参考) SPTE 等厚镀锡 2.8/2.8 5.6/5.6 8.4/8.4 11.2/11.2 2.8*2.8 5.6/5.6 8.4/8.4 11.2/...

1、当您付费下载文档后,您只拥有了使用权限,并不意味着购买了版权,文档只能用于自身使用,不得用于其他商业用途(如 [转卖]进行直接盈利或[编辑后售卖]进行间接盈利)。
2、本站所有内容均由合作方或网友上传,本站不对文档的完整性、权威性及其观点立场正确性做任何保证或承诺!文档内容仅供研究参考,付费前请自行鉴别。
3、如文档内容存在违规,或者侵犯商业秘密、侵犯著作权等,请点击“违规举报”。

碎片内容

JISG33032002中文版

您可能关注的文档

确认删除?
VIP
微信客服
  • 扫码咨询
会员Q群
  • 会员专属群点击这里加入QQ群
客服邮箱
回到顶部