电脑桌面
添加小米粒文库到电脑桌面
安装后可以在桌面快捷访问

K60(Rev6Ch25OSC)

K60(Rev6Ch25OSC)_第1页
1/6
K60(Rev6Ch25OSC)_第2页
2/6
K60(Rev6Ch25OSC)_第3页
3/6
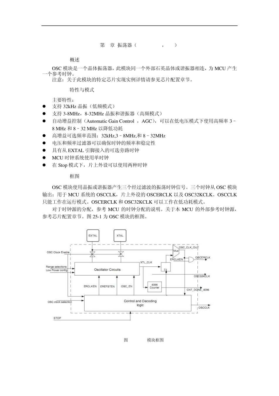
第25章 振荡器(Oscillator,OSC) 25.1 概述 OSC 模块是一个晶体振荡器,此模块同一个外部石英晶体或谐振器相连,为MCU 产生一个参考时钟。 注意:关于此模块的特定芯片实现实例详情请参见芯片配置章节。 25.2 特性与模式 主要特性:  支持32kHz 晶振(低频模式)  支持3-8MHz,8-32MHz 晶振和谐振器(高频模式)  自动增益控制(Automatic Gain Control ,AGC),可以在低电压模式下使用高频率3–8 MHz 和8–32 MHz 以降低功耗  高增益可选频率范围:32kHz,3–8MHz,和8–32MHz  电压和频率过滤器可以确保时钟的频率和稳定性  具有从 EXTAL 引脚接入的可选旁路时钟  MCU 时钟系统使用单时钟  在Stop 模式下,片上外设可以使用两种时钟 25.3 框图 OSC 模块使用晶振或谐振器产生三个经过滤波的振荡时钟信号。三个时钟从 OSC 模块输出:用于MCU 系统的OSCCLK,片上外设的OSCERCLK 以及 OSC32KCLK。OSCCLK只能工作在运行模式。OSCERCLK 和OSC32KCLK 可以工作在低功耗模式。 对于时钟源的分配,参考MCU 的时钟分配的说明。关于本 MCU 的外部参考时钟源,参考芯片配置章节。图 25-1 为OSC 模块的框图。 图 25-1 OSC模块框图 25.4 OSC信号说明 表25-1 为OSC 模块中用户可访问的信号。详情参见 MCU 的信号复用的信息。 表25-1 OSC引脚说明 信号 说明 输入/输出 EXTAL 外部时钟/振荡器输入 输入 XTAL 振荡器输出 输出 25.5 外部晶振/谐振器连接 晶振/谐振器频率的引用连接如表25-2 所示。当使用低频率,低功耗模式时,唯一的外部部件就是晶振或陶瓷谐振器本身。在其它振荡器模式中还需要负载电容(Cx,Cy)和反馈电阻(RF)。 表25-2 外部晶振/谐振器连接 振荡模式 连接方式 低频(32KHz),低功耗 连接 1 低频(32KHz),高增益 连接 2/连接 31 高频(3-32MHz),低功耗 连接 1/连接 32,2 高频(3-32MHz),高增益 连接 2/连接 32 1.当负载电容(Cx,Cy)大于 30pF 时,使用连接 3。 2. 在低功耗模式下,振荡器有个内部反馈电阻 RF,因此,在连接 3 中反馈电阻不能接。 图 25-2 晶振/陶瓷谐振器连接-连接 1 图 25-3 晶振/陶瓷谐振器连接-连接 2 注意:连接 1和连接 2通过配置 CR[SCxP]位,使用内部电容作为振荡器负载电容。 图 25-4 晶振/陶瓷谐振器连接-连接 3 25.6 外部时钟连接 在外部时钟模式,...

1、当您付费下载文档后,您只拥有了使用权限,并不意味着购买了版权,文档只能用于自身使用,不得用于其他商业用途(如 [转卖]进行直接盈利或[编辑后售卖]进行间接盈利)。
2、本站所有内容均由合作方或网友上传,本站不对文档的完整性、权威性及其观点立场正确性做任何保证或承诺!文档内容仅供研究参考,付费前请自行鉴别。
3、如文档内容存在违规,或者侵犯商业秘密、侵犯著作权等,请点击“违规举报”。

碎片内容

K60(Rev6Ch25OSC)

确认删除?
VIP
微信客服
  • 扫码咨询
会员Q群
  • 会员专属群点击这里加入QQ群
客服邮箱
回到顶部