电脑桌面
添加小米粒文库到电脑桌面
安装后可以在桌面快捷访问

《水泥行业清洁生产评价指标体系》(2014)对标评价

《水泥行业清洁生产评价指标体系》(2014)对标评价_第1页
1/8
《水泥行业清洁生产评价指标体系》(2014)对标评价_第2页
2/8
《水泥行业清洁生产评价指标体系》(2014)对标评价_第3页
3/8
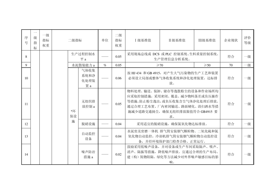
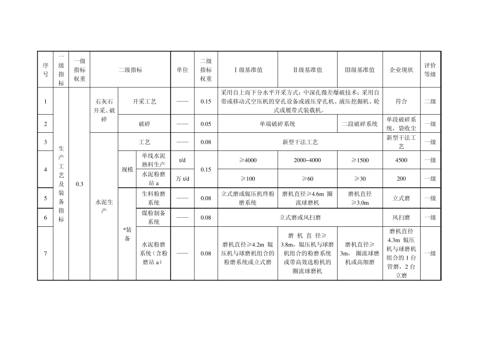
序号 一级指标 一级指标权重 二级指标 单位 二级指标权重 Ⅰ级基准值 Ⅱ级基准值 Ⅲ级基准值 企业现状 评价等级 1 生产工艺及装备指标 0.3 石灰石开采、破碎 开采工艺 —— 0.15 采用自上而下分水平开采方式;中深孔微差爆破技术;采用自带或移动式空压机的穿孔设备或液压穿孔机、液压挖掘机、轮式或履带式装载机。 符合 二级 2 破碎 —— 0.05 单端破碎系统 二段破碎系统 单段破碎系统,袋收尘 一级 3 水泥生产 工艺 —— 0.08 新型干法工艺 新型干法工艺 一级 4 规模 单线水泥熟料生产 t/d 0.15 ≥4000 2000~ 4000 ≥1500 4500 一级 水泥粉磨站 a 万 t/d ≥100 ≥60 ≥30 200 一级 5 *装备 生料粉磨系统 —— 0.08 立式磨或辊压机终粉磨系统 磨机直径≥4.6m 圈流球磨机 磨机直径 ≥3.0m 立式磨 一级 6 煤粉制备系统 —— 0.08 立式磨或风扫磨 风扫磨 一级 7 水泥粉磨系统(含粉磨站 a) —— 0.08 磨机直径≥4.2m 辊压机与球磨机组合的粉磨系统或立式磨 磨 机 直 径≥3.8m,辊压机与球磨机组合的粉磨系统或带高效选粉机的圈流球磨机 磨机直径≥3m, 圈流球磨机或高细磨 磨机直径4.3m 辊压机与球磨机组合的 1 台管磨,2 台立磨 一级 序号 一级指标 一级指标权重 二级指标 单位 二级指标权重 Ⅰ级基准值 Ⅱ级基准值 Ⅲ级基准值 企业现状 评价等级 8 生产过程控制水平a —— 0.05 采用现场总线或 DCS 或 PLC 控制系统、生料质量控制系统、生产管理信息分析系统。 符合 一级 9 水泥散装能力 a % 0.05 ≥70 ≥50 70 一级 10 *环保设施 气体收集系统和净化处理装置 a —— 0.06 按 HJ 434 和 GB 4915,对产生大气污染物的生产工艺和装置必须设立局部或整体气体收集系统和净化处理装置,达标排放。 符合 一级 11 无组织排放控制a —— 0.05 物料处理、输送、装卸、储存等逸散粉尘的设备和作业场所均应采取控制措施,采用密闭、覆盖、减少物料落差或负压操作等措施,防止粉尘逸出,或负压收集含尘气体净化处理后排放。通过合理工艺布置、厂内密闭输送、路面硬化、清扫洒水等措施减少道路交通扬尘,确保无组织排放限值符合 GB4915 要求。 符合 一级 12 脱硝设施 —— 0.04 采用适宜的脱硝设施,确保氮氧化物达标排放。 符合 一级 13 自动监控设备 —— 0.04 水泥窑及窑磨一体机 排气...

1、当您付费下载文档后,您只拥有了使用权限,并不意味着购买了版权,文档只能用于自身使用,不得用于其他商业用途(如 [转卖]进行直接盈利或[编辑后售卖]进行间接盈利)。
2、本站所有内容均由合作方或网友上传,本站不对文档的完整性、权威性及其观点立场正确性做任何保证或承诺!文档内容仅供研究参考,付费前请自行鉴别。
3、如文档内容存在违规,或者侵犯商业秘密、侵犯著作权等,请点击“违规举报”。

碎片内容

《水泥行业清洁生产评价指标体系》(2014)对标评价

确认删除?
VIP
微信客服
  • 扫码咨询
会员Q群
  • 会员专属群点击这里加入QQ群
客服邮箱
回到顶部