电脑桌面
添加小米粒文库到电脑桌面
安装后可以在桌面快捷访问

仓库管理操作流程

仓库管理操作流程_第1页
1/12
仓库管理操作流程_第2页
2/12
仓库管理操作流程_第3页
3/12
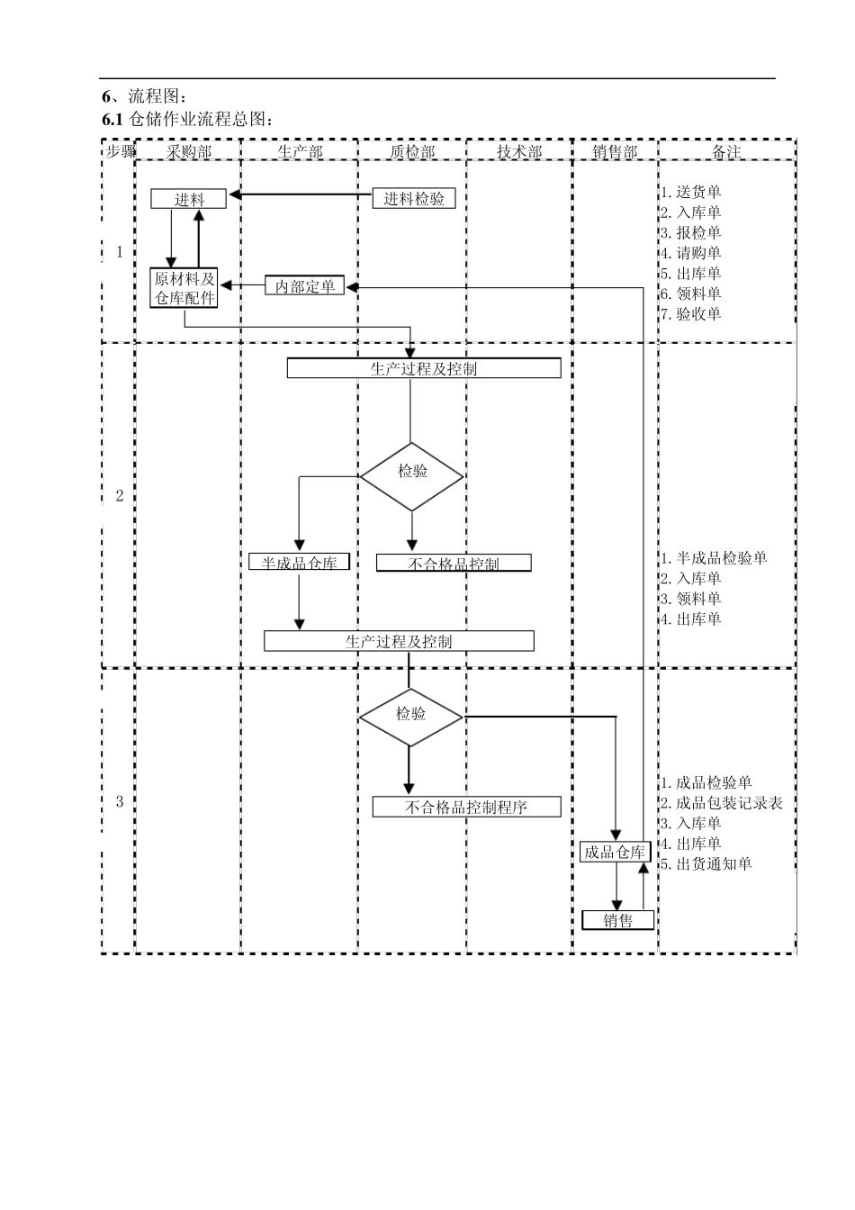
仓库管理控制程序 1 、目的 2 、适用范围 3 、职责 4 、定义 5 、相关文件 6 、流程图 7 、流程图说明 8 、相关表单 9 、附件 1 、目的: 使公司仓储收发、存放等作业明确,以使帐物相符,并有效予以控制,优化库存,防止仓储物变异,进而维护产品质量。 2 、适用范围: 本程序适用于公司所有仓储物品的贮存管理。 3 、职责: 3 .1 原材料及配件仓库负责原材料及配件的储存管理及料号编制。 3 .2 半成品仓库负责对已检验合格的半成品进行储存管理。 3 .3 成品仓库负责对已检验合格的成品进行储存管理。 4 、定义: 4 .1 原材料:各类化工原料 4 .2 配件:各类五金材料,机器配件,包装材料及杂物。 4 .3 半成品:已加工成型,但未完成所有工序的产品。 4 .4 成品:已加工好的各种产品。 5 . 相关文件: 《搬运、储存、包装与防护的控制程序》 《服务控制程序》 《不合格品的控制》 《仓储管理制度总则》 《原材料安全库存表》 《配件安全库存表》 6 、流程图: 6 .1 仓储作业流程总图: 步骤采购部生产部质检部技术部销售部备注1.送货单2.入库单3.报检单14.请购单5.出库单6.领料单7.验收单21.半成品检验单2.入库单3.领料单4.出库单1.成品检验单32.成品包装记录表3.入库单4.出库单5.出货通知单进料进料检验原材料及仓库配件内部定单生产过程及控制 检验半成品仓库不合格品控制生产过程及控制检验不合格品控制程序成品仓库销售 步骤采购部质检部生产部备注11.请购单2 O K NO1.送货单3 O K2.报检单 O K45671.领料单2.出库单896.2 原材料仓库作业流程图:1.原材料安全库存表1.入库单供应商接 收退货、补货、归档评估检验紧急放行审批入 库定义物料属性计划和盘点实物盘点周期盘点发 料配 料下工序生产计划通 知产生采购请求 库存控制 堆放控制有效期生成货签ABC分析6.3 配件仓库作业流程图: 部门内容步骤11 .请购单231 .送货单4 NO51 .入库单6781 .领料单2 .出库单91 .配件安全库存表采购部设备部备注供应商采购要求接受检验更换、补货入库主要配件计划和盘点实物盘点周期盘点库存控制生成货签ABC分析法出库下工序6 .4 半成品仓库作业流程图: 6 .5 成品仓库作业流程图: 部门 内容 步骤 生产部 销 售 部 备 注 部门 内容 步骤 生 产 部 备 注 1 . 2 . 3 . 4 . 5 . 1 .半成品检验单 1 .入库单 1 .半成品安全库存表 1...

1、当您付费下载文档后,您只拥有了使用权限,并不意味着购买了版权,文档只能用于自身使用,不得用于其他商业用途(如 [转卖]进行直接盈利或[编辑后售卖]进行间接盈利)。
2、本站所有内容均由合作方或网友上传,本站不对文档的完整性、权威性及其观点立场正确性做任何保证或承诺!文档内容仅供研究参考,付费前请自行鉴别。
3、如文档内容存在违规,或者侵犯商业秘密、侵犯著作权等,请点击“违规举报”。

碎片内容

仓库管理操作流程

确认删除?
VIP
微信客服
  • 扫码咨询
会员Q群
  • 会员专属群点击这里加入QQ群
客服邮箱
回到顶部