电脑桌面
添加小米粒文库到电脑桌面
安装后可以在桌面快捷访问

中压电缆载流量、电容、电感、电抗参数表

中压电缆载流量、电容、电感、电抗参数表_第1页
1/18
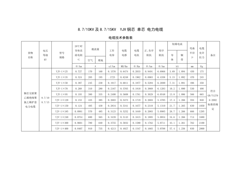
中压电缆载流量、电容、电感、电抗参数表_第2页
2/18
中压电缆载流量、电容、电感、电抗参数表_第3页
3/18
6/6KV 及6/10KV YJV 铜芯 单芯 电力电缆 电缆技术参数表 货物 名称 电压 等级 KV 型号 规格 20℃时导体直流电阻 ≤ 载流量 工作 电容 电缆 电感 电缆 电抗 正、负序 阻抗 零序 阻抗 短路电流 弯曲 半径 ≥ 电缆允许拉力 备注 导 体 铜 带 空气 埋地 Ω/km A uf/km MH/Km Ω/Km Ω/km Ω/km kA mm Kg 铜芯交联聚乙烯绝缘聚氯乙烯护套电力电缆 6/6 6/10 YJV-1×25 0.727 170 160 0.1922 0.6143 0.1929 0.9470 6.7555 3.69 1.083 406 175 符合GB/T12706-2002 标准的规定 YJV-1×35 0.524 205 195 0.2116 0.5932 0.1863 0.6938 6.5067 5.15 1.082 426 245 YJV-1×50 0.387 245 230 0.2367 0.5711 0.1793 0.5252 6.3420 7.31 1.079 452 350 YJV-1×70 0.268 310 280 0.2693 0.5486 0.1723 0.3830 6.1953 10.2 1.077 486 490 YJV-1×95 0.193 380 335 0.2999 0.5318 0.1670 0.2977 6.1047 13.8 1.077 518 665 YJV-1×120 0.153 435 385 0.3266 0.5197 0.1632 0.2547 6.0688 17.4 1.077 550 840 YJV-1×150 0.124 495 430 0.3570 0.5079 0.1595 0.2251 6.0380 21.7 1.076 582 1050 YJV-1×185 0.0991 570 485 0.3873 0.5006 0.1572 0.2022 6.1704 26.7 1.251 618 1295 YJV-1×240 0.0754 680 565 0.4290 0.4890 0.1535 0.1817 5.1454 34.6 1.250 666 1680 YJV-1×300 0.0601 780 640 0.4706 0.4818 0.1513 0.1702 5.1451 43.1 1.246 714 2100 YJV-1×400 0.0470 910 735 0.5311 0.4702 0.1476 0.1599 5.1047 57.4 1.245 782 2800 6/6KV 及6/10KV YJLV 铝芯 单芯 电力电缆 电缆技术参数表 货物 名称 电压 等级 KV 型号 规格 20℃时导体直流电阻 ≤ 载流量 工作 电容 电缆 电感 电缆 电抗 正、负序 阻抗 零序 阻抗 短路电流 弯曲 半径 ≥ 电缆允许拉力 备注 导 体 铜 带 空气 埋地 Ω/km A uf/km MH/Km Ω/Km Ω/km Ω/km kA mm Kg 铝芯交联聚乙烯绝缘聚氯乙烯护套电力电缆 6/6 6/10 YJLV-1×25 1.200 130 125 0.192 0.6143 0.1929 1.5505 7.3669 2.42 1.083 406 100 符合GB/T12706-2002 标准的规定 YJLV-1×35 0.868 160 150 0.2166 0.5923 0.1863 1.1285 6.9514 ...

1、当您付费下载文档后,您只拥有了使用权限,并不意味着购买了版权,文档只能用于自身使用,不得用于其他商业用途(如 [转卖]进行直接盈利或[编辑后售卖]进行间接盈利)。
2、本站所有内容均由合作方或网友上传,本站不对文档的完整性、权威性及其观点立场正确性做任何保证或承诺!文档内容仅供研究参考,付费前请自行鉴别。
3、如文档内容存在违规,或者侵犯商业秘密、侵犯著作权等,请点击“违规举报”。

碎片内容

中压电缆载流量、电容、电感、电抗参数表

您可能关注的文档

确认删除?
VIP
微信客服
  • 扫码咨询
会员Q群
  • 会员专属群点击这里加入QQ群
客服邮箱
回到顶部