电脑桌面
添加小米粒文库到电脑桌面
安装后可以在桌面快捷访问

六西格玛案例分析VIP专享

六西格玛案例分析_第1页
1/7
六西格玛案例分析_第2页
2/7
六西格玛案例分析_第3页
3/7
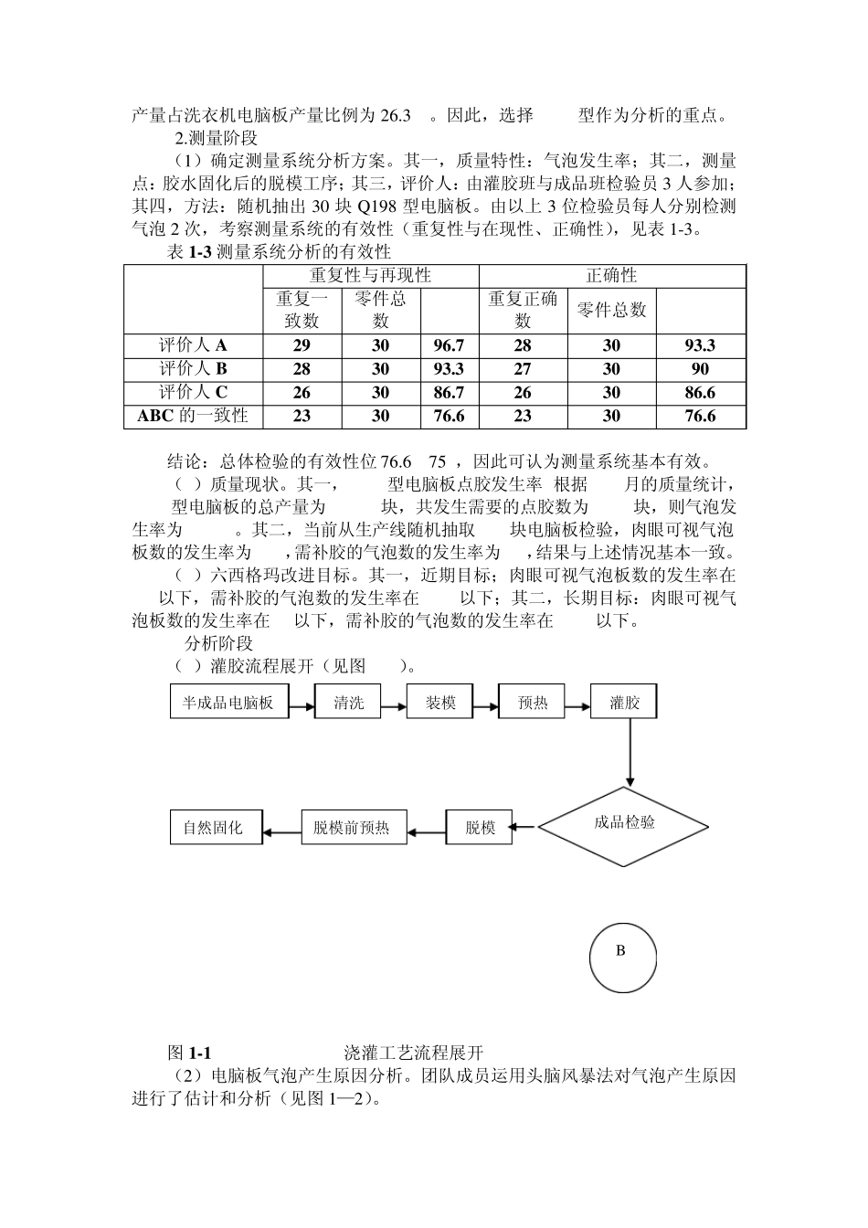
六西格玛案例 案例一 小天鹅的六西格玛管理实践 1.界定阶段 (1)项目背景。其一,洗衣机电脑控制扳在线路装配结束后,需要封一层合成树胶,在常温下,胶水需要 6 小时固化。整个封胶过程称谓灌胶。其二,胶水有防潮绝缘作用。浇灌是,胶水内有时回产生气泡,固化后气泡就封闭在胶水内。胶内的 气泡在 高温高湿下,会膨胀,胶水与印制板脱离,使胶水失去保护作用。其三,以前的相关问题处理方法:胶内气泡发生后,较大的 气泡(直径 2mm 以上)由专门补胶人员进行局部补胶,作正品使用。其四,随洗衣机市场的加剧,对 洗衣机的 要求越来越高。电脑板作为洗衣机的 大脑,对 洗衣机的 影响非常大 ,客户要求电脑板的 封胶费用 气泡,客户为此曾经提出多次的抱怨。其五,目前的 做法对电脑板先局部或全部除去不良胶水,再作重新灌胶处理。 (2)点胶返工成本的构成。 表1 -1 点胶返工成本的构成 成本构成 平均每块电脑板成本 每月平均3000 快电脑板成本(元) 人工费用 1(除胶) 3.50 10500 人工费用 2(补胶) 0.70 2100 人工费用 3(生产效率降低) 0.07 201 管理费用 0.43 1290 胶水费用 6.30 18900 辅助工具费用 0.02 600 费用合计 11.02 33060 从表1-1 可知,每月返工费用 33060 元。 (3)选择项目的意义。其一,体现公司的质量方针;公司生产的补 仅仅是产品,更重要的是信誉和 质量;其二提高客户的 满意度;其三,减少公司的返工费用,增加公司利润;其四,将人力资源转移到更重要的 岗位上;其五,提高劳动效率。 (4)项目目标。其一,减少电脑板点胶返工数量,平均每月由 3000 块降到1000 块以下;其二,预计经济效益:198360 元每年;其三,项目完成时间;2002年10 月31 日。 (5)建立项目团队,确定成员分工(参见表1-2) 表1 -2 项目团队成员分工 分工 职务 职责 组长 总经理助理 项目主管 组员 专职品管工程师 数据分析处理 组员 工艺科长 原因分析、改进 组员 灌胶科长 持续改进、数据收集 组员 工艺员 数据收集、实验 组员 财务 财务测量 (6)改进对象。该公司现有 100 多种电脑板。从4 月到6 月,洗衣机电脑板的总产量为205236 块,其中 Q198 型电脑板产量为5400 块,Q198 型电脑板产量占洗衣机电脑板产量比例为 26.31%。因此,选择 Q198型作为分析的重点。 2.测量阶段 (1)确定测量系统分析方案。其一,质量特...

1、当您付费下载文档后,您只拥有了使用权限,并不意味着购买了版权,文档只能用于自身使用,不得用于其他商业用途(如 [转卖]进行直接盈利或[编辑后售卖]进行间接盈利)。
2、本站所有内容均由合作方或网友上传,本站不对文档的完整性、权威性及其观点立场正确性做任何保证或承诺!文档内容仅供研究参考,付费前请自行鉴别。
3、如文档内容存在违规,或者侵犯商业秘密、侵犯著作权等,请点击“违规举报”。

碎片内容

六西格玛案例分析

确认删除?
VIP
微信客服
  • 扫码咨询
会员Q群
  • 会员专属群点击这里加入QQ群
客服邮箱
回到顶部