电脑桌面
添加小米粒文库到电脑桌面
安装后可以在桌面快捷访问

可控硅7550

可控硅7550_第1页
1/6
可控硅7550_第2页
2/6
可控硅7550_第3页
3/6
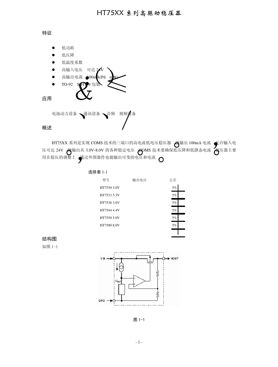
- 1 - HT75XX 系列高驱动稳压器 特 征 !"低 功 耗 !"低 压 降 !"低 温 度 系 数 !"高 输 入 电 压可 达 24V !"高 输 出 电 流100m A(Pdm W) !"TO-92SOT-89 包 装 应 用 电 池 动 力 设 备 通 讯 设 备 音 频视 频 设 备 概 述 HT75XX 系 列 是 实 现 COMS 技 术 的 三 端 口 的 高 电 流 低 电 压 稳 压 器能 输 出 100m A 电 流允 许 输 入 电压 可 达24V能 输 出 从3.0V-8.0V 的 各 种 稳 定 电 压COMS 技 术 要 确 保 低 压 降 和 低 静 态 电 流稳 压 器 主 要用 在 稳 压 的 调 整 上通 过 外 围 器 件 也 能 输 出 可 变 的 电 压 和 电 流 选 择 表 1-1 型 号 输 出 电 压 公 差 HT7530 3.0V 5% HT7533 3.3V 5% HT7536 3.6V 5% HT7544 4.4V 5% HT7550 5.0V 5% HT7580 8.0V 5% 结 构 图 如 图 1-1 图 1-1 - 2 - 引脚分布 图 1-2 焊盘分布 芯片尺寸13901530um2 工艺上 IC 底部与 PCB 上的 VDD 相连 图 1-3 焊盘坐标 表 1-2 最大极限参数 电源电压--------------------------------------------------------------------0.3V 到 26V 存储温度------------------------------------------------------------------50 到 125 度 功耗------------------------------------------------------------------------------250mW 运行温度----------------------------------------------------------------------0到 70 度 注这些是极限参数超出这些范围可导致器件内部损坏器件在推荐参数以外的条件下运行时其工作性能将得不到保证在极限条件长时间运行会影响器件的可靠性 - 3 - 电 气 特 性 HT7530,+3.0V 输 出 表 1-3 Ta=25 测试条件 符号 参数 VIN 条件 最小 典型值 最大 单位 VOUT 输出电压 5V IOUT=10mA 2.85 3.0 3.15 V IOUT 输出电流 5V 60 100 mA VOUT 负载调节 5V 1mAIOUT50 mA -- 60 150 mV VDIF 压降 ― mA - 100 -- mV ISS 电流损耗 5 无负载 ― 10 20 µA VOUT VIN× VOUT 线性调节 ― 4VVIN12V IOUT=1mA -- 0.2 -- %V VIN 输入电压 ― ― ― ― V Ta 温度系数 5V IOUT=1mA 0

1、当您付费下载文档后,您只拥有了使用权限,并不意味着购买了版权,文档只能用于自身使用,不得用于其他商业用途(如 [转卖]进行直接盈利或[编辑后售卖]进行间接盈利)。
2、本站所有内容均由合作方或网友上传,本站不对文档的完整性、权威性及其观点立场正确性做任何保证或承诺!文档内容仅供研究参考,付费前请自行鉴别。
3、如文档内容存在违规,或者侵犯商业秘密、侵犯著作权等,请点击“违规举报”。

碎片内容

确认删除?
微信客服
  • 扫码咨询
会员Q群
  • 会员专属群点击这里加入QQ群