电脑桌面
添加小米粒文库到电脑桌面
安装后可以在桌面快捷访问

合康HID300A系列通用变频器

合康HID300A系列通用变频器_第1页
1/11
合康HID300A系列通用变频器_第2页
2/11
合康HID300A系列通用变频器_第3页
3/11
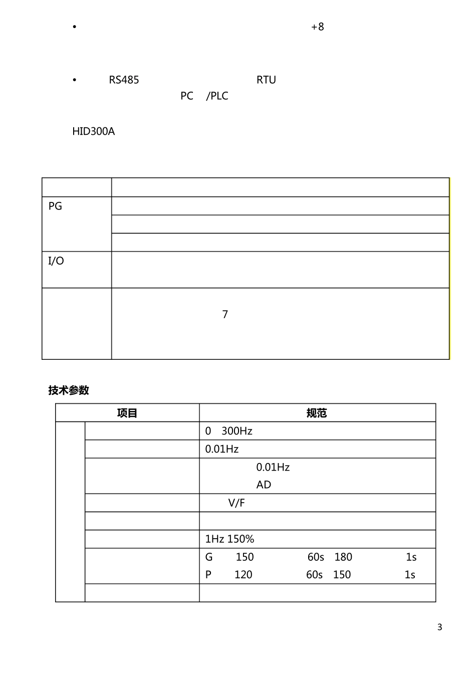
1 标 准 驱 动 产品 HID300A通用 产品概述(标 题) 功率范围:0.4kW~ 1MW/220V/380V/690V 该系列变频器针对工业驱动开发的 V/F 控制通用产品。其操作简单,功能齐全,追求最佳品质,更注重稳定可靠性。可充分满足客户的不同需要,广泛应用于风机,泵类及恒功率类等负载的节能改造控制场合。 技术优势 1. 简易的矢量控制,电机控制性能优异。 2. 预留扩展插槽,实现丰富的用户接口功能。 3. 改进的转速跟踪功能,可以平滑的启动自由滑行中的电机。 4. 高可靠性的电路设计,具有优越的抗电磁干扰性能。 5. 高可靠性的散热设计,提高产品使用寿命。 6. 基于工程结构的窄体设计,更容易实现高密度安装,节约安装空间和成本,更适合 OEM 客户 GGD 柜形式安装。 7. 变频器内部采用叠层母排设计。  具有更高的可靠性和安全性。  结构更加简洁紧凑,节省内部空间。  减少杂散电感(降低由于电压击穿而引起的开关元件损坏概率)。  增加分布电容。  以更低的电压降实现高电流承载能力。  通常比电缆更容易散热冷却,更小的温升。 应用领域 - 风机、水泵/水泥、陶瓷、玻璃生产线全线 - 中央空调节能改造 - 空压机节能改造 - 市政锅炉、污水处理 - 部分拉丝机牵引 - 矿井中的带式输送机、刮板运输机、给煤机、机油泵、油田的潜油电泵等 2 功能特点  节省成本,降低能耗  多达 10 种频率源组合选择,22 种可编程 DO 输出,40 种可编程 DI 输入,16段速 PLC 运行,丰富的外围扩展功能版等;简化客户工程设计,同时节省客户工程(购买 PLC,PLC 编程调试等)成本。  采用 DSP 控制系统、优化的 V/F 控制、优异的振荡抑制控制;动态控制性能及节能调速效果更优,超越客户需求。  主从同步功能,无需外部控制器,使用变频器内置的串行通信方式实现主/从变频器的同步起停;无需更换或定做专用设备,从而节省设备购买成本。  自动节能功能,运行中自动调节输出电压,使电机运行在最大效率模式下;对恒功率负载节能效果明显。  采用 MODBUS 通讯模块设计;信号传输可靠,维修费用低。选用配件可支持共母线模式运行及丰富的外围配件接口;缩小开发周期及工程周期,交付更快捷。  稳定性高  简易开环矢量控制,提高电机低频输出力矩。  转速追踪再起动功能实现对旋转中的电机的无冲击平滑起动,同时防止过流故障。  直流制动可实现平稳...

1、当您付费下载文档后,您只拥有了使用权限,并不意味着购买了版权,文档只能用于自身使用,不得用于其他商业用途(如 [转卖]进行直接盈利或[编辑后售卖]进行间接盈利)。
2、本站所有内容均由合作方或网友上传,本站不对文档的完整性、权威性及其观点立场正确性做任何保证或承诺!文档内容仅供研究参考,付费前请自行鉴别。
3、如文档内容存在违规,或者侵犯商业秘密、侵犯著作权等,请点击“违规举报”。

碎片内容

合康HID300A系列通用变频器

确认删除?
VIP
微信客服
  • 扫码咨询
会员Q群
  • 会员专属群点击这里加入QQ群
客服邮箱
回到顶部