电脑桌面
添加小米粒文库到电脑桌面
安装后可以在桌面快捷访问

合集Q/GDW10248.32016变电站土建工程施工强制性条文执行记录表表3表35VIP专享

合集Q/GDW10248.32016变电站土建工程施工强制性条文执行记录表表3表35_第1页
1/149
合集Q/GDW10248.32016变电站土建工程施工强制性条文执行记录表表3表35_第2页
2/149
合集Q/GDW10248.32016变电站土建工程施工强制性条文执行记录表表3表35_第3页
3/149
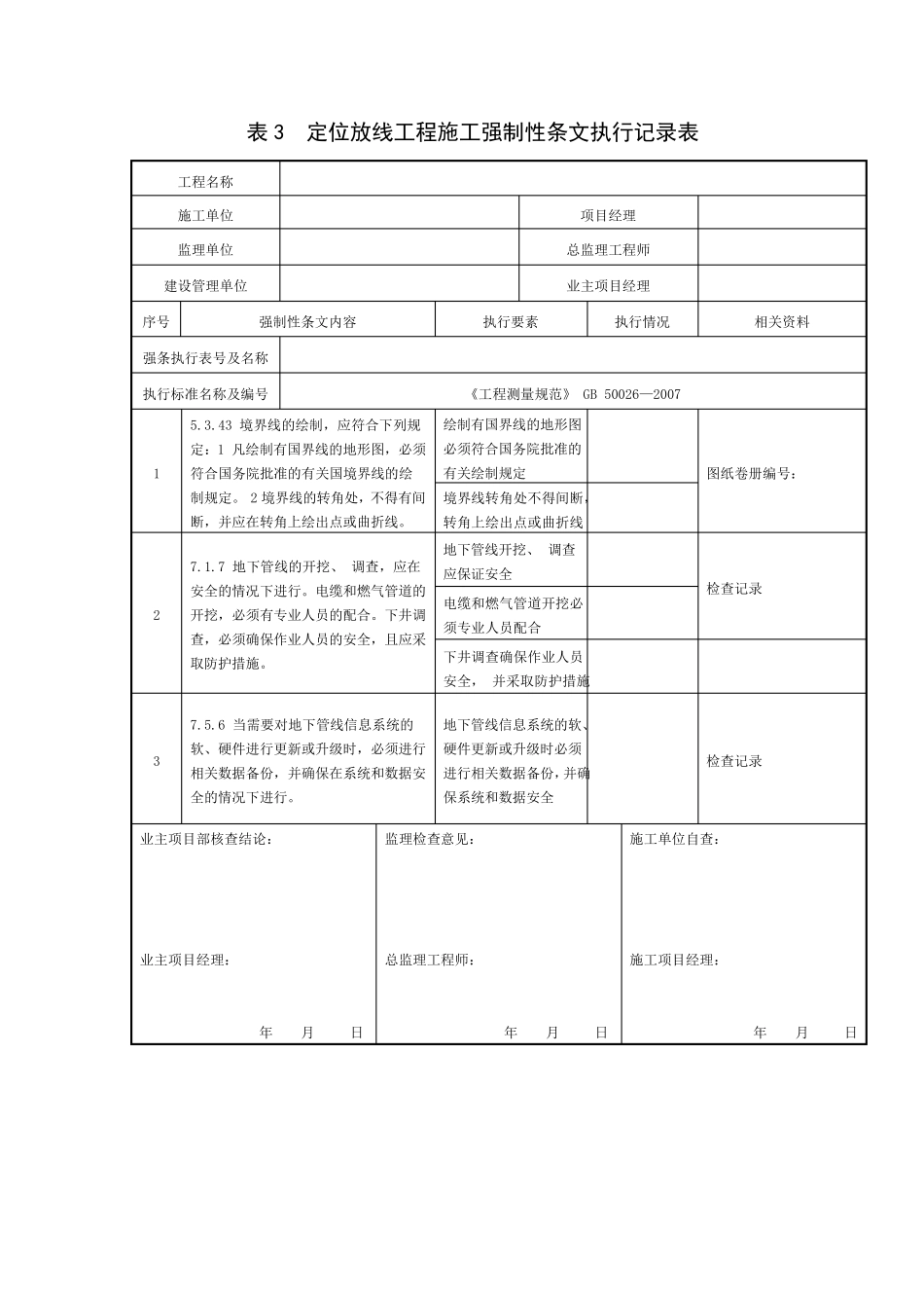
目录 表3 定位放线工程施工强制性条文执行记录表 ........................................................................ 2 表4 土石方及基坑工程施工强制性条文执行记录表 ................................................................ 3 4.1.5 对Ⅰ、 Ⅱ、 Ⅲ级围岩毛洞跨度大于15m 的工程,除应按照本规范表 4.1.2—1(见表 A.2)的规定,选择支护类型与参数外. 尚应对围岩进行稳定性分析和验算:对Ⅲ级围岩,还应进行监控量测, 以便最终确定支护类型和参数。 ..................................................... 3 表5 湿陷性黄土地区土石方及基坑工程施工强制性条文执行记录表 .................................. 10 表6 地基及地基处理工程施工强制性条文执行记录表 .......................................................... 12 表7 地下防水工程施工强制性条文执行记录表 ...................................................................... 17 表8 砌体工程施工强制性条文执行记录表 .............................................................................. 19 表9 模板工程施工强制性条文执行记录表 .............................................................................. 23 表10 钢筋工程施工强制性条文执行记录表 ............................................................................ 27 表11 混凝土工程施工强制性条文执行记录表 ........................................................................ 35 表12 钢结构工程施工强制性条文执行记录表 ........................................................................ 44 表13 装饰装修工程一般规定强制性条文执行记录表 ............................................................ 52 表14 地面与楼面工程施工强制性条文执行记录表 ................................................................ 56 表15 抹灰工程施工强制性条文执行记录表 ............................................................................ 58 表16 门窗工程施工强制性条文执行记录表 ............................................................................ 59 表17 吊顶工程施工强制性条文执行记录表 ..........................

1、当您付费下载文档后,您只拥有了使用权限,并不意味着购买了版权,文档只能用于自身使用,不得用于其他商业用途(如 [转卖]进行直接盈利或[编辑后售卖]进行间接盈利)。
2、本站所有内容均由合作方或网友上传,本站不对文档的完整性、权威性及其观点立场正确性做任何保证或承诺!文档内容仅供研究参考,付费前请自行鉴别。
3、如文档内容存在违规,或者侵犯商业秘密、侵犯著作权等,请点击“违规举报”。

碎片内容

合集Q/GDW10248.32016变电站土建工程施工强制性条文执行记录表表3表35

确认删除?
VIP
微信客服
  • 扫码咨询
会员Q群
  • 会员专属群点击这里加入QQ群
客服邮箱
回到顶部