电脑桌面
添加小米粒文库到电脑桌面
安装后可以在桌面快捷访问

含酚废水处理资料

含酚废水处理资料_第1页
1/8
含酚废水处理资料_第2页
2/8
含酚废水处理资料_第3页
3/8
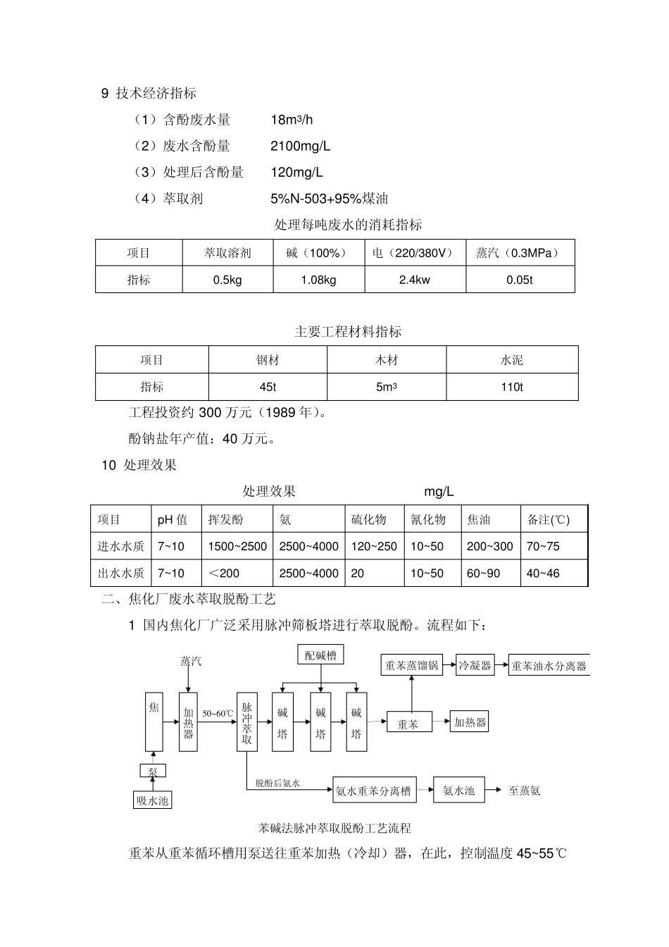
一、焦化厂含酚废水处理 1 焦化厂排出的含酚废水,大部分含酚浓度在2~12g/L,其来源: (1)剩余氨水 70~75℃ 含酚1300~2500mg/L (2)焦油蒸馏 35~40℃ 含酚3000~4000mg/L (3)酚精制 60~70℃ 含酚8000~12000mg/L 2 一般进行二级处理 第一级(预处理)将高浓度酚降到200~300mg/L 以下,再进行第二级处理,生化处理达到排放标准。 如需回用及特殊要求可采用活性炭吸附等三级处理。 3 预处理 预处理有两种方法,一是萃取法,一是蒸馏法。 溶剂萃取法设备投资少、成本低、脱酚效率高,还可回收酚钠盐(好的经济效益),被广泛应用。 4 萃取脱酚 萃取脱酚就是在含酚废水中加入一种选择性溶剂—萃取剂,使酚从废水中溶入萃取剂而达到分离目的(属传质) 5 两相间的分配系数(K) K= yx ∴ y =K x y —溶质在萃取剂中的平衡浓度 x—溶质的原溶液中的平衡浓度 K 又代表萃取操作平衡曲线的斜率,K 越大,萃取能力越大。 6 萃取剂选择条件 (1)溶剂选择性系数β =KARAExx小于或大于1 均可,但又取决于 K 值,K 值越大分离效果越好; (2)溶剂回收应容易,一般在萃取器上部引出后到碱洗塔与 NaOH 反应生成酚钠盐回收 C6H5OH+NaOH C6H5ONa +H2O (3)溶剂的物理性质应与被萃取物质的密度间有足够的差别。要求:溶剂不易乳化、在水中溶解度小、蒸汽压低、毒性小、着火点高、易于再生、腐蚀性小; (4)溶剂的化学性质要求有化学稳定性,完全不与被分离的化学介质起化学反应,且有热稳定性。 7 各种脱酚剂的性能 各种脱酚剂的性能见下表 序号 名称 分配系数 相对密度 馏程℃ 使用说明 1 重苯溶剂油 2.47 0.885 140 ~190 不易乳化、油水分层快、萃取效率>90%、但对水质易造成二次污染 2 二甲苯溶剂油 2 ~3 ~0.845 130 ~153 乳化不严重、油水易分离、但毒性较大、对水质造成二次污染 3 粗苯 2 ~3 0.875~0.880 180℃前馏出量>93% 油水易分离、萃取95%~90%、易挥发、损失高 4 洗油 14 ~16 1.03~1.07 230 ~300 价廉易再生、操作安全、但乳化严重不易分离 5 精苯油 2 ~3 0.870 165 ~200 不易乳化、油水分层快、萃取率>90%、但价高 6 5%N-503+95%煤油 8 ~10 0.804~0.809 煤油:180 ~290 N503:155±5 萃取率高、损耗低、操作稳定、脱酚效率>90%,但价格较贵 一般选用重苯溶剂油和 5%N-503+95%煤油两种萃取剂。如废水中不含其它杂质且要求回收...

1、当您付费下载文档后,您只拥有了使用权限,并不意味着购买了版权,文档只能用于自身使用,不得用于其他商业用途(如 [转卖]进行直接盈利或[编辑后售卖]进行间接盈利)。
2、本站所有内容均由合作方或网友上传,本站不对文档的完整性、权威性及其观点立场正确性做任何保证或承诺!文档内容仅供研究参考,付费前请自行鉴别。
3、如文档内容存在违规,或者侵犯商业秘密、侵犯著作权等,请点击“违规举报”。

碎片内容

含酚废水处理资料

您可能关注的文档

确认删除?
VIP
微信客服
  • 扫码咨询
会员Q群
  • 会员专属群点击这里加入QQ群
客服邮箱
回到顶部