电脑桌面
添加小米粒文库到电脑桌面
安装后可以在桌面快捷访问

防腐与绝热施工检验批质量验收记录VIP免费

防腐与绝热施工检验批质量验收记录_第1页
1/2
防腐与绝热施工检验批质量验收记录_第2页
2/2
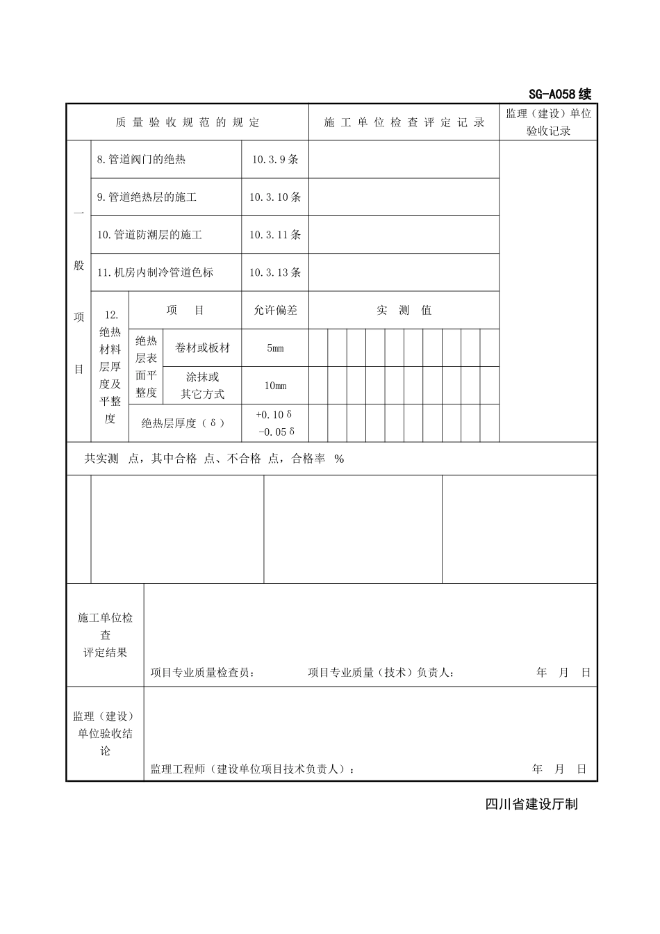
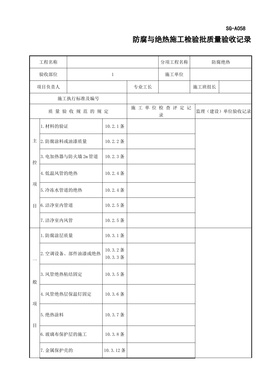
SG-A058防腐与绝热施工检验批质量验收记录工程名称分项工程名称防腐绝热验收部位1施工单位项目负责人专业工长施工班组长施工执行标准及编号质量验收规范的规定施工单位检查评定记录监理(建设)单位验收记录主控项目1.材料的验证10.2.1条2.防腐涂料或油漆质量10.2.2条3.电加热器与防火墙2m管道10.2.3条4.低温风管的绝热10.2.4条5.冷冻水管道的绝热10.2.4条6.洁净室内管道10.2.5条7.洁净室内风管10.2.5条一般项目1.防腐涂层质量10.3.1条2.空调设备、部件油漆或绝热10.3.2条10.3.3条3.风管绝热粘结固定10.3.5条4.风管绝热层保温钉固定10.3.6条5.绝热涂料10.3.7条6.玻璃布保护层的施工10.3.8条7.金属保护壳的10.3.12条SG-A058续质量验收规范的规定施工单位检查评定记录监理(建设)单位验收记录一般项目8.管道阀门的绝热10.3.9条9.管道绝热层的施工10.3.10条10.管道防潮层的施工10.3.11条11.机房内制冷管道色标10.3.13条12.绝热材料层厚度及平整度项目允许偏差实测值绝热层表面平整度卷材或板材5mm涂抹或其它方式10mm绝热层厚度(δ)+0.10δ-0.05δ共实测点,其中合格点、不合格点,合格率%施工单位检查评定结果项目专业质量检查员:项目专业质量(技术)负责人:年月日监理(建设)单位验收结论监理工程师(建设单位项目技术负责人):年月日四川省建设厅制

1、当您付费下载文档后,您只拥有了使用权限,并不意味着购买了版权,文档只能用于自身使用,不得用于其他商业用途(如 [转卖]进行直接盈利或[编辑后售卖]进行间接盈利)。
2、本站所有内容均由合作方或网友上传,本站不对文档的完整性、权威性及其观点立场正确性做任何保证或承诺!文档内容仅供研究参考,付费前请自行鉴别。
3、如文档内容存在违规,或者侵犯商业秘密、侵犯著作权等,请点击“违规举报”。

碎片内容

防腐与绝热施工检验批质量验收记录

文章天下+ 关注
实名认证
内容提供者

各种文档应有尽有

确认删除?
VIP
微信客服
  • 扫码咨询
会员Q群
  • 会员专属群点击这里加入QQ群
客服邮箱
回到顶部