电脑桌面
添加小米粒文库到电脑桌面
安装后可以在桌面快捷访问

宝钢产品列表

宝钢产品列表_第1页
1/13
宝钢产品列表_第2页
2/13
宝钢产品列表_第3页
3/13
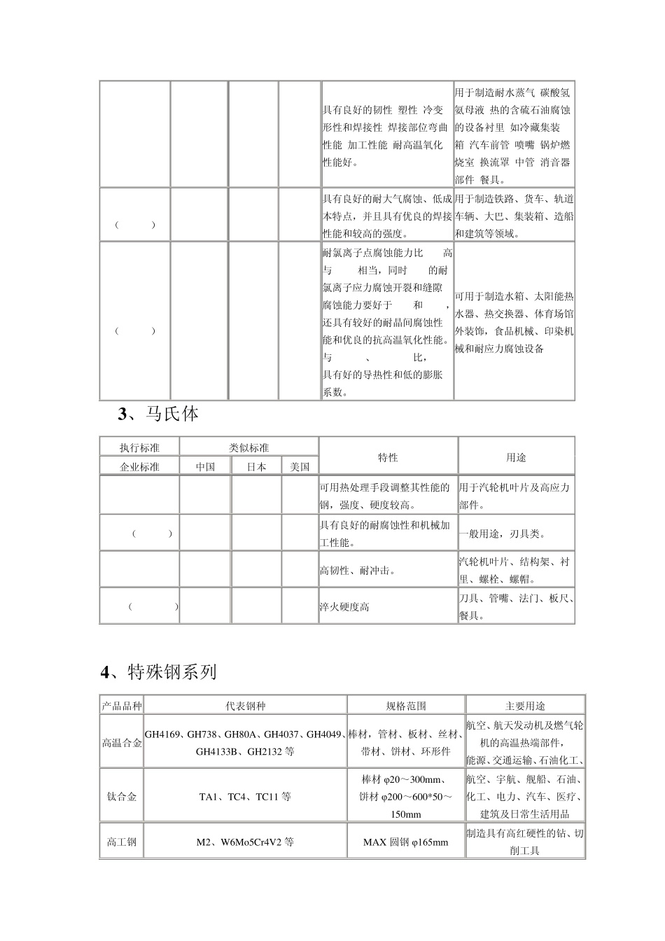
1 、不锈钢系列 执行标准 类似标准 特性 用途 企业标准 中国 日本 美国 1Cr18Ni9 1Cr18Ni9 - 302 经冷加工有高的强度,但伸长率比 1Cr17Ni7稍差。 建筑用饰件。 0Cr18Ni9 0Cr18Ni9 SUS304 304 作为不锈耐热钢使用最广泛。 食品用设备,一般化工设备。 0Cr19Ni9(SUS304) 0Cr19Ni9 SUS304 304 具有良好的耐蚀性、耐热性、低温强度和机械性能,冲压弯曲等热加工性好,无热处理硬化现象,无磁性。 家庭用品、橱柜、室内管线、热水器、锅炉、浴缸、汽车配件、医疗器具、建材、化学、食品工业、农业、船舶部件。 00Cr19Ni10(SUS304L) 00Cr19Ni10 SUS304L 304L 比 0Cr19Ni9碳含量更低,耐晶间腐蚀性优越,为焊接后不进行热处理部件类。 需要较高耐腐蚀性的化学、煤炭、石油产业部门的设备、建筑材料、耐热部件和难以进行热处理的部件。 0Cr17Ni12Mo2(SUS316) 0Cr17Ni12Mo2 SUS316 316 在海水和其它各种介质,耐腐蚀性比 0Cr19Ni9好。 海水用设备、化学、染料、造纸、草酸、肥料生产设备、照相、食品工业、沿海设施。 00Cr17Ni14Mo2(SUS316L) 00Cr17Ni14Mo2 SUS316L 316L 为 0Cr17Ni12Mo2的超低碳钢,耐晶间腐蚀性更好。 海水、化学、染料、造纸、草酸、肥料生产设备、照相、食品工业、沿海设施,特别适用于机械及化工工业设备。 0Cr18Ni10Ti(SUS321) 0Cr18Ni10Ti SUS321 321 添加 Ti提高耐晶间腐蚀性,耐热性、高温强度及高温抗氧化性良好,加工性、焊接性良好,不推荐作装饰部件。 耐热材料,汽车、飞行器排气管管路,锅炉炉盖、管道、化学装置、热交换器 2 、铁素体 执行标准 类似标准 特性 用途 企业标准 中国 日本 美国 00Cr11Ti(SUH409L) 00Cr11Ti SUH409L - 加工性能、焊接性能良好,高温抗氧化性能良好,能够承受的温度范围从室温直到575℃,淬火硬度高。 广泛应用于汽车尾气排气系统。 1Cr17(SUS430) 1Cr17 SUS430 430 耐蚀性良好的通用钢种,热膨胀率低,成型性及耐氧化性好。 耐热器具、燃烧器、家电用品、餐具、厨房洗涤槽。 00Cr12 00Cr12 SUS410L - 具有良好的韧性,塑性,冷变形性和焊接性,焊接部位弯曲性能,加工性能,耐高温氧化性能好。 用于制造耐水蒸气,碳酸氢氨母液,热的含硫石油腐蚀的设备衬里,如冷藏集装箱,汽车前管,喷嘴,锅炉燃烧室,换流罩,中管,消音器部件,餐具。 00Cr12Ni(TCS345) 具有良好的耐大气腐蚀、低成本特点,并且...

1、当您付费下载文档后,您只拥有了使用权限,并不意味着购买了版权,文档只能用于自身使用,不得用于其他商业用途(如 [转卖]进行直接盈利或[编辑后售卖]进行间接盈利)。
2、本站所有内容均由合作方或网友上传,本站不对文档的完整性、权威性及其观点立场正确性做任何保证或承诺!文档内容仅供研究参考,付费前请自行鉴别。
3、如文档内容存在违规,或者侵犯商业秘密、侵犯著作权等,请点击“违规举报”。

碎片内容

宝钢产品列表

您可能关注的文档

确认删除?
VIP
微信客服
  • 扫码咨询
会员Q群
  • 会员专属群点击这里加入QQ群
客服邮箱
回到顶部