电脑桌面
添加小米粒文库到电脑桌面
安装后可以在桌面快捷访问

形位公差资料

形位公差资料_第1页
1/12
形位公差资料_第2页
2/12
形位公差资料_第3页
3/12
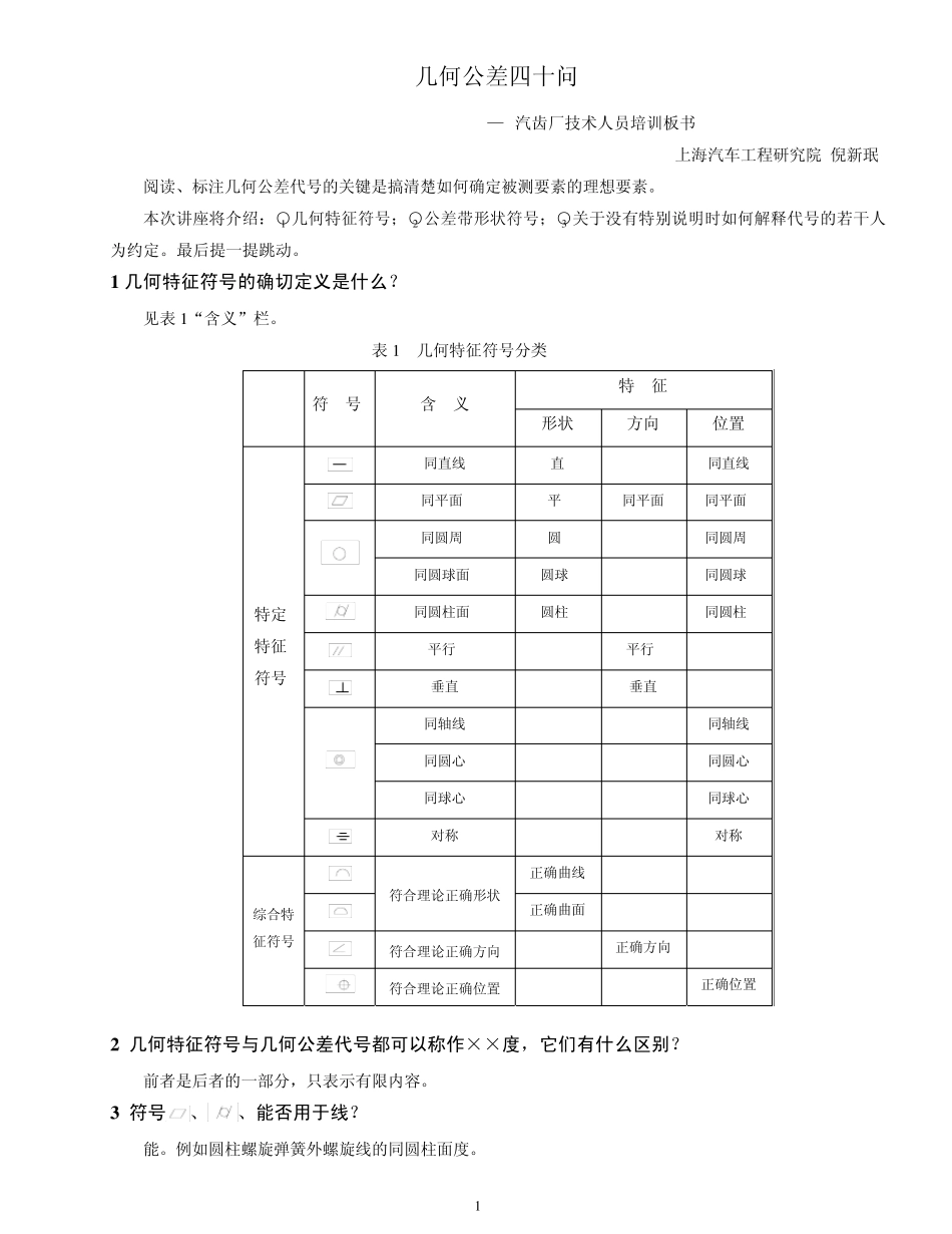
几何公差四十问 — 汽齿厂技术人员培训板书 上海汽车工程研究院 倪新珉 阅读、标注几何公差代号的关键是搞清楚如何确定被测要素的理想要素。 本次讲座将介绍:○1 几何特征符号;○2 公差带形状符号;○3 关于没有特别说明时如何解释代号的若干人为约定。最后提一提跳动。 1 几何特征符号的确切定义是什么? 见表 1 “含义”栏。 表 1 几何特征符号分类 特 征 符 号 含 义 形状 方向 位置 同直线 直 同直线 同平面 平 同平面 同平面 同圆周 圆 同圆周 同圆球面 圆球 同圆球 同圆柱面 圆柱 同圆柱 平行 平行 垂直 垂直 同轴线 同轴线 同圆心 同圆心 同球心 同球心 特定 特征 符号 对称 对称 正确曲线 符合理论正确形状正确曲面 符合理论正确方向 正确方向 综合特征符号 符合理论正确位置 正确位置 2 几何特征符号与几何公差代号都可以称作××度,它们有什么区别? 前者是后者的一部分,只表示有限内容。 3 符号、、能否用于线? 能。例如圆柱螺旋弹簧外螺旋线的同圆柱面度。 1 4 符号能否用于面或者空间线? 能。例如圆球面的圆球度,圆截面圆环截面圆心所在圆周的圆度。 5 符号能否用于方向公差、位置公差? 能。例如轴承盖哈夫面的同平面度、轴座孔轴线对哈夫面的同平面度就是位置公差;连杆活塞销座孔轴线对曲柄销座孔轴线的同平面度就是方向公差。 6 符号、、能否与一样用于位置公差? 能。例如图 1 轴线对轴线的同直线度、活塞二活塞销座孔的同圆柱面度。 7 ISO1101-2000(E)规定符号仅用于轴线,这与同直线度有什么区别? 没有区别。美国等国家的标准就曾经用位置度符号标注轴线的同直线度,而不用同轴符号。 ISO1101-2000(E)还规定符号仅用于中心线及对称中心平面,其实质就是同平面度。 8 符号可以不可以用于旋转面? ISO 1101:2000(E)以前的ISO 1101 没有说不可以。符号用于圆柱面实际上就是径向全跳动。见图1。 同样,符号也应该用于对称要素本身。例见图 2 对称度。 9 什么叫名义形状、名义方向关系、名义位置关系? 同面、同线、同轴线、同球心、同圆心、垂直、平行、对称、均布等位置关系,如果没有特别要求(或者说仅受未注公差限制,下同)一般都不作特别标记,这就是名义位置关系(在美国 ANSI Y14.5 和 ASME Y14.5中称 implied location relationship 隐匿位置关系)。其中,垂直、平行、空间平行直线的同平...

1、当您付费下载文档后,您只拥有了使用权限,并不意味着购买了版权,文档只能用于自身使用,不得用于其他商业用途(如 [转卖]进行直接盈利或[编辑后售卖]进行间接盈利)。
2、本站所有内容均由合作方或网友上传,本站不对文档的完整性、权威性及其观点立场正确性做任何保证或承诺!文档内容仅供研究参考,付费前请自行鉴别。
3、如文档内容存在违规,或者侵犯商业秘密、侵犯著作权等,请点击“违规举报”。

碎片内容

形位公差资料

您可能关注的文档

确认删除?
VIP
微信客服
  • 扫码咨询
会员Q群
  • 会员专属群点击这里加入QQ群
客服邮箱
回到顶部