电脑桌面
添加小米粒文库到电脑桌面
安装后可以在桌面快捷访问

微型断路器选用中容易忽视的问题

微型断路器选用中容易忽视的问题_第1页
1/6
微型断路器选用中容易忽视的问题_第2页
2/6
微型断路器选用中容易忽视的问题_第3页
3/6
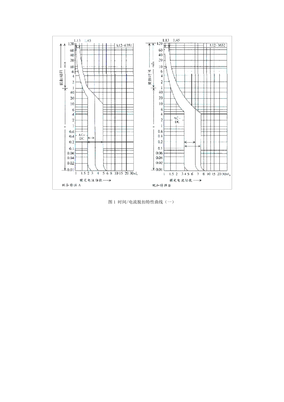
微 型 断 路 器 选 用 中 容 易 忽 视 的 问 题 电 工 科 学 技 术 和 设 备 传 入 我 国 至 今 刚 好 120 年 , 当 时 作 为 电 路 短 路 保 护 的 只 是 熔 断 器 和 熔 体 ( 合 金 丝 、片 ) 。 20 世 纪 50、 60 年 代 开 始 仿 制 DZ12 型 微 型 断 路 器 , 尔 后 国 内 生 产 的 DZ3、 DZ4、 DZ6、 DZ8、 DZ9、 DZ14型 相 继 被 淘 汰 。 20 世 纪 70 年 代 北 低 厂 引 进 的 SO60 系 列 未 获 成 功 , 天 津 梅 兰 日 兰 公 司 引 进 生 产 的MERLINGERIN 品 牌 的 C45N 系 列 却 大 获 成 功 , 产 品 覆 盖 全 国 市 场 , 年 产 几 千 万 件 , 2000 年 又 增 加 了 C65N/ H系 列 产 品 。 这 不 仅 由 于 其 品 质 优 良 , 也 得 益 于 销 售 系 统 的 广 泛 宣 传 。 SIEMENS 的 5SX 系 列 、 ABB 的 S 系 列 ,加 上 其 他 品 牌 的 产 品 和 各 种 仿 制 品 在中 国 市 场 上 销 售 , 估计其 总数已逾上 亿件 。 单相 、 三相0.3A-125A 支路 中 已普遍采用 微 型 断 路 器 作 短 路 、 过载保 护 , 尤其 在住宅电 气中 已完全 采用 微 型 断 路 器 作 电 路 短 路 、 过载保 护 , 从而大 大 提高了 用 电 的 安全 性。 但是 , 从产 品 生 产 出来到配电 系 统 设 计选 型 川电 箱厂 元器 件 采购组装、 施工 安装、 使用 维护 及对元器 件 的 更换, 要经过许多中 间环节, 有些重要的 技 术 问 题 只 要有一个环节忽 视 , 都将使安全 用 电 失去保 障。 1 时 间/ 电 流脱扣特性曲线 设 计人员在选 型 时 , 往往只 注意了 遵循GB50054-95《低 压配电 设 计规范》的 规定: IB≤In≤IZ I2≤1.45Iz 式中 IB--线路 计算负载电 流( A) ; In--熔 断 器 熔 体 额定电 流或断 路 器 额定电 流或整定电 流( A) ; IZ--导体 允许持续载流量( A) ; I2--保 证保 护 电 器 可靠的 动作 电 流( A) 。 而忽 视 了 时 间/ 电 流脱扣特性曲线所带来的 级间的 选 择性, 级与级间应选 用 同一种 类脱扣特性...

1、当您付费下载文档后,您只拥有了使用权限,并不意味着购买了版权,文档只能用于自身使用,不得用于其他商业用途(如 [转卖]进行直接盈利或[编辑后售卖]进行间接盈利)。
2、本站所有内容均由合作方或网友上传,本站不对文档的完整性、权威性及其观点立场正确性做任何保证或承诺!文档内容仅供研究参考,付费前请自行鉴别。
3、如文档内容存在违规,或者侵犯商业秘密、侵犯著作权等,请点击“违规举报”。

碎片内容

微型断路器选用中容易忽视的问题

小辰7+ 关注
实名认证
内容提供者

出售各种资料和文档

确认删除?
VIP
微信客服
  • 扫码咨询
会员Q群
  • 会员专属群点击这里加入QQ群
客服邮箱
回到顶部