电脑桌面
添加小米粒文库到电脑桌面
安装后可以在桌面快捷访问

微机原理课程设计报告(电子秒表)

微机原理课程设计报告(电子秒表)_第1页
1/14
微机原理课程设计报告(电子秒表)_第2页
2/14
微机原理课程设计报告(电子秒表)_第3页
3/14
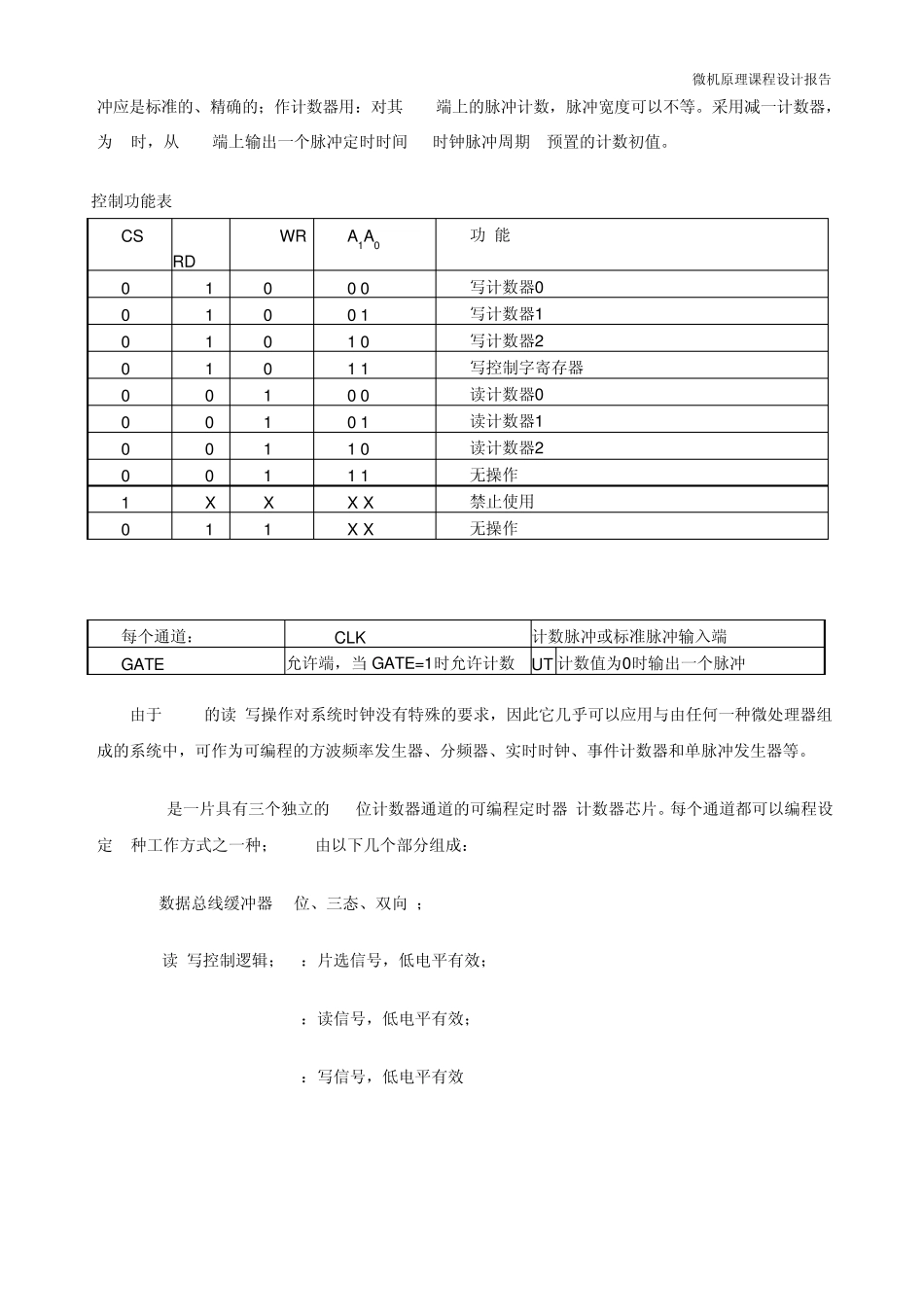
微机原理课程设计报告 一、设计目的 培养和锻炼在学习完本门课后综合应用所学理论知识,解决实际工程设计和应用问题的能力。通过课程设计,要求熟悉和掌握微机系统的软件、硬件设计的方法、设计步骤,得到微机开发应用方面的初步训练。 掌握 8255、8259、8253 等芯片使用方法和编程方法,通过本次课程设计,学以致用,进一步理解所学的相关芯片的原理、内部结构、使用方法等,学会相关芯片实际应用及编程,系统中采用 8086微处理器完成了电子秒表系统的独立设计。同时并了解综合问题的程序设计掌握实时处理程序的编制和调试方法,掌握一般的设计步骤和流程,使我们以后搞设计时逻辑更加清晰。 二、设计内容 设计一个可任意启动/停止的电子秒表,要求用 6 位 LED 数码显示,计时单位为 1/100 秒。利用功能键进行启/停控制。其功能为:上电后计时器清 0,当第一次(或奇数次)按下启/停键时开始计数。第2 次(或偶数次)按下该键时停止计时,再一次按启/停键时清零 后重新开始计时。可用开关控制,也可用按键控制 三、设计要求 1、基本要求: 1)设计可以显示 1~60 秒的无存储功能的秒表,最小单位为毫秒。 2)通过键盘按键控制秒表清零、暂停、继续,退出等。其中数字 0 控制清零,数字 1 控制继续和退出。 2、提高要求: 1)秒表可以分组存储、批量显示、倒计时等。 2)采用图像显示,界面精美,设置报警声等 四、设计原理与硬件电路 1、整体设计思想 使用 8253 工作在方式 0 计数,对 1/100S 计数,并讲计数值写入 bl 中并与 100 比较若不相等,则将计数值装换为 10 进制后送 8255 控制端显示,如相等则 1S 计数程序加 1 之后并与 59 比较若不相等则将计数值装换为 10 进制后送 8255 控制端显示,如相等则 1min计数程序加 1 之后并与 59 比较若不相等微机原理课程设计报告 则将计数值装换为10 进制后送8255 控制端显示,如相等则计数程序加1 之后产生溢出,跳转清零程序将计数清零,同时数码管清零。 2 、使用各芯片的作用及工作原理 1)定时器/计数器 8253 用系统 8253 定时器提供的 55ms 定时单位,设计秒表定时程序。 有关系统定时方法:PC 机系统中的 8253 定时器 0 工作于方式 3,外部提供一个时钟作为CLK信号, 频率:f=1.1931816MHz。 定时器 0 输出方波的频率:fout=1.1931816/65536=18.2Hz。 输出方波的周期 Tout=1/18.2=54.945ms。8253A 每隔 55m...

1、当您付费下载文档后,您只拥有了使用权限,并不意味着购买了版权,文档只能用于自身使用,不得用于其他商业用途(如 [转卖]进行直接盈利或[编辑后售卖]进行间接盈利)。
2、本站所有内容均由合作方或网友上传,本站不对文档的完整性、权威性及其观点立场正确性做任何保证或承诺!文档内容仅供研究参考,付费前请自行鉴别。
3、如文档内容存在违规,或者侵犯商业秘密、侵犯著作权等,请点击“违规举报”。

碎片内容

微机原理课程设计报告(电子秒表)

您可能关注的文档

确认删除?
VIP
微信客服
  • 扫码咨询
会员Q群
  • 会员专属群点击这里加入QQ群
客服邮箱
回到顶部