电脑桌面
添加小米粒文库到电脑桌面
安装后可以在桌面快捷访问

微机原理课程设计报告数据采集系统三(中断法)

微机原理课程设计报告数据采集系统三(中断法)_第1页
1/16
微机原理课程设计报告数据采集系统三(中断法)_第2页
2/16
微机原理课程设计报告数据采集系统三(中断法)_第3页
3/16
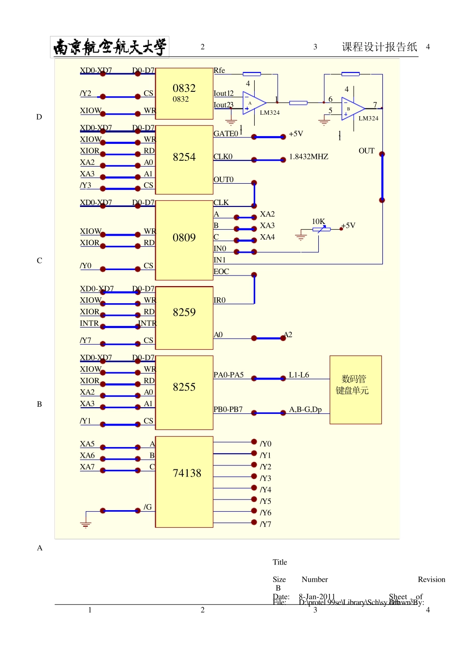
课程设计报告纸 - 1 - 微机原理课程设计 课设题目:数据采集系统三(中断法) 实验者姓名: 实验者学号: 学院: 课 程 设 计 报 告 纸 - 2 - 数 据 采 集 系 统 三 ( 中 断 法 ) 一 、 实 验 目 的 进 一 步 掌 握 微 机 原 理 知 识 , 了 解 微 机 在 实 时 采 集 过 程 中 的 应 用 , 学 习 、 掌 握 编 程和 程 序 调 试 方 法 。 二 、 实 验 内 容 1、 用 中 断 法 , 将 ADC 0809 通 道 0 外 接 0 ~ 5V 电 压 , 转 换 成 数 字 量 后 , 在 七 段 LED数 码 管 上 , 以 小 数 点 后 两 位 ( 几 十 毫 伏 ) 的 精 度 , 显 示 其 模 拟 电 压 的 十 进 值 ; 0809 通 道 0的 数 字 量 以 线 性 控 制 方 式 送 DAC0832 输 出 ,当 通 道 0 的 电 压 为 5V 时 ,0832 的 OUT 为 0V, 当通 道 0 的 电 压 为 0 时 ,0832 的 OUT 为 2.5V; 此 模 拟 电 压 再 送 到 ADC 0809 通 道 1, 转 换 后的 数 字 量 在 CRT 上 以 十 六 进 制 显 示 。 2、 ADC 0809 的 CLK 脉 冲 , 由 定 时 器 8254 的 OUT0 提 供 ; ADC 0809 的 EOC 信 号 ,用 作 8259 中 断 请 求 信 号 。 3、 要 有 较 好 的 人 机 对 话 界 面 ; 控 制 程 序 的 运 行 。 三 、 总体设 计 1 、 ADC 0809 的 IN0 采 集 电 位 器 0 — 5V 电 压 ,IN1 采 集 0832 输 出 的 模 拟 量 。 2 、 DAC 0832 将 ADC 0809 的 IN0 数 字 量 后 重新转 换 成 模 拟 量 输 出 。 3、 8259 用 于检测ADC 0809 转 换 是否结束和 向CPU 发送 INTR 信 号 4、 8255 为 七 段 LED 数 码 管 显 示 提 供 显 示 驱动信 息。 5、 七 段 LED 数 码 管 显 示 ADC 0809 的 IN0 的 值 。 6、 8254 提 供 ADC 0809 的 采 样时 钟脉 冲 。 7、 有 良好 的 人 —机 对 话 界 面 。 系 统 运 行 时 , 显 示 主菜单, 开始数 据 采 集 , 在 数 据 采集 时 , 主键盘有 键按下, 退出 返回DOD 系 统 。 四 、 硬 件 设 计 因 采 用 了...

1、当您付费下载文档后,您只拥有了使用权限,并不意味着购买了版权,文档只能用于自身使用,不得用于其他商业用途(如 [转卖]进行直接盈利或[编辑后售卖]进行间接盈利)。
2、本站所有内容均由合作方或网友上传,本站不对文档的完整性、权威性及其观点立场正确性做任何保证或承诺!文档内容仅供研究参考,付费前请自行鉴别。
3、如文档内容存在违规,或者侵犯商业秘密、侵犯著作权等,请点击“违规举报”。

碎片内容

微机原理课程设计报告数据采集系统三(中断法)

您可能关注的文档

确认删除?
VIP
微信客服
  • 扫码咨询
会员Q群
  • 会员专属群点击这里加入QQ群
客服邮箱
回到顶部