电脑桌面
添加小米粒文库到电脑桌面
安装后可以在桌面快捷访问

德力西CDW1断路器

德力西CDW1断路器_第1页
1/19
德力西CDW1断路器_第2页
2/19
德力西CDW1断路器_第3页
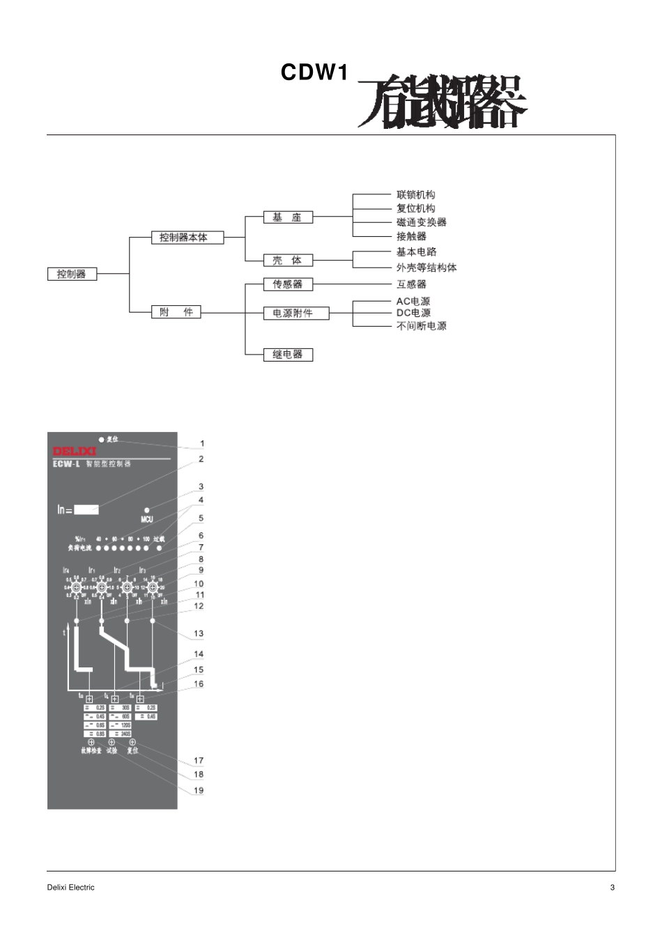
3/19
Delixi Electric1CDW 150Hz400/690V400A~6300A630A+40-524h+35+40-52000m+4050%2090%Delixi Electric2IEC 60947-1 IEC 60947-2GB/T 14048.1 GB 14048.2(A)(kA )(kA )(kA )(kA )CDW 1-2000400/630/800/1000/1250/1600/200080505040176110504090001000CDW 1-32002000/2500/3200/400010065805017611065504500500CDW 1-63004000/5000/6300120--100--264--85--1500500CDW 1InIcuIcsIcmIcwAC 400VAC 690VAC 400VAC 690VAC 400VAC 690VAC 400VAC 690VDelix i Electric3CDW 1Delix i Electric4CDW 1Delix i Electric5CDW 1Delix i Electric6CDW 1LMHDelixi Electric7CDW 1300.20.14CDW 1-3200Ii=1ln~75KA+OFF0.2600.30.23CDW 1-6300Ii=1ln~100KA+OFF0.31200.40.350.4t=2ts1.05Ir1.3Ir1.5Irt=ts9Isd1.1Isd0.85Ii1.15Ii0.9Ig1.0IgIr=(0.4-1)ln+OFF<2h<1h15(s)10%Isd=(0.4-15)ln+OFF0.1(s)0.06(s)10%CDW 1-2000Ii=1ln~50KA+OFFIg=(0.2-1)ln+OFF 1200A 160A0.1(s)10%0.5~30.0A, 0.06(s), 0.08, 0.17, 0.25, 0.33, 0.42, 0.5, 0.58, 0.67, 0.75, 0.83Delixi Electric8CDW 1(70%~35%)Ue35%Ue85%Ue1s~5sIthAC-156A10110.3101.10.310Pe50WT0.95e300ms Ue VVVVAC 380V AC220V(0.35~0.7)Ue(0.85~1.1)Ue0.35Ue12VA(70%~110%)UsUs VVAC380 AC220 DC220 DC110(0.7~1.1)Us40VA(AC) 40W(DC)30msUs VVAC380 AC220 DC220 DC110(0.85~1.1)Us40VA(AC) 40W(DC)70ms(85%~110%)UsUs VVAC380 AC220 DC220 DC110(0.85~1.1)Us192VA(AC) 192W(DC)5s(85%~110%)UsI/IeI/IeU/UecosT0.95I/IeU/UecosT0.95DC-131116Pe1.11.16Pe10Delix i Electric9CDW 1Delixi Electric10CDW1-2000A~3200A CDW1-2000A~3200A CDW1-2000A CDW1CDW1-2000CDW1-3200CDW1-2000A~3200A 3P4P3P4PL1362457422537L2318413378493L3292292352352L4340465400515In A400~8001000~160020002000~25003200a1015202030Delixi Electric11CDW1-2000A~6300A CDW1-2000A~6300A CDW 1Delixi Electric12CDW1-2000A CDW1CDW1-2000CDW1-3200CDW1-6300(4000/5000A)CDW1-6300(6300A)CDW1-2000A~6300A In A400~8001000~16002000~25003200~400040005000~6300a1015203020303P4P3P4000A4P3P4P3PL1375470435550550813928928L2335430395510510773888888L3292292352352352352352352L4265360325440440703818818L5247247307307307307307307W1421421421421494494494494W2467467467467540540540540b139139139139212212212212W1-32004000ADelix i Electric132CDW1CDW1-2000CDW1-3200CDW1-6300a306366366b346406406c3P00189(4000/5000)246.5(6300)4P47.557.5246.5(4000/5000)--2000maxDelix i Electric14CDW 1Delixi Electric151#2#3#4#5#AC380V16A6#7#8#9#A C 3 8 0 V1 6 A12#13#114#15#216#17#318#19#45A/240VAC 7A/24VDC20#21#~ 24#ECW-LMQFXDFMSB1SB21QFXM51235#36#~7#4525#26#(3P+N)T65125#26#51#712#~19#1-2-3-4-CDW 1Delixi Electric161Q F X M51235#36#~ 7#4 ECW5 4725# 26#6 5125# 26# 51#7Profibus8 12#~19#ECW-HQFXDFM1#2#1#3#4#5#AC380V16A6#7#8#9#AC380V16A10#11#RS485ARS485B12#13#14#15#16#RS-48517#119#2 1 #N23#B18#220#PE22#A24#CCDW 1Delix i Electric17CDW 1Delix i Electric18CDW 1CDW 120202000323200636300MLLMMHH333 P44 PDDDDDHDUF LF UCDW 1MN1204400A06630A08800A101000A121250A161600A202000A252500A323200A404000A505000A636300A202020003232006363002U2AC220V3AC380V4DC220V5DC110V2U AC220V3U AC380V4UDC220V5U DC110VN220ACDelix i Electric19CDW 1CDW 1LK3220202000323200636300220AC

1、当您付费下载文档后,您只拥有了使用权限,并不意味着购买了版权,文档只能用于自身使用,不得用于其他商业用途(如 [转卖]进行直接盈利或[编辑后售卖]进行间接盈利)。
2、本站所有内容均由合作方或网友上传,本站不对文档的完整性、权威性及其观点立场正确性做任何保证或承诺!文档内容仅供研究参考,付费前请自行鉴别。
3、如文档内容存在违规,或者侵犯商业秘密、侵犯著作权等,请点击“违规举报”。

碎片内容

德力西CDW1断路器

您可能关注的文档

确认删除?
VIP
微信客服
  • 扫码咨询
会员Q群
  • 会员专属群点击这里加入QQ群
客服邮箱
回到顶部