电脑桌面
添加小米粒文库到电脑桌面
安装后可以在桌面快捷访问

接触网检修作业指导书

接触网检修作业指导书_第1页
1/63
接触网检修作业指导书_第2页
2/63
接触网检修作业指导书_第3页
3/63
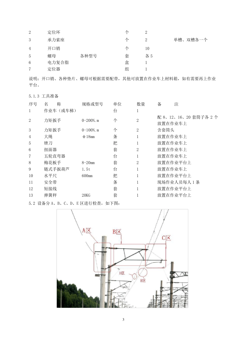
1 目 录 检 修 作 业 指 导 书 .......................................................................................................... 2 一 、支撑定位装置检 修 作 业 指 导 书 ................................................................... 2 二、线岔检 查作 业 指 导 书 ................................................................................... 7 (1)无交叉线岔检 查作 业 指 导 书 .............................................................. 7 (2)交叉线岔检 查作 业 指 导 书 ................................................................ 13 三、分相检 修 作 业 指 导 书 ................................................................................. 18 (1)七跨三断口分相检 修 作 业 指 导 书 .................................................... 18 (2)元件式分相检 修 作 业 指 导 书 ............................................................ 22 四、补偿装置检 查作 业 指 导 书 ......................................................................... 23 五、避雷器检 查作 业 指 导 书 ............................................................................. 28 六、电连接线检 查整治作 业 指 导 书 ................................................................. 32 七、分段(分相)绝缘器检 修 作 业 指 导 书 .................................................... 35 八、附加悬挂检 修 作 业 指 导 书 ......................................................................... 43 九、隔离开关设备检 修 作 业 指 导 书 ................................................................. 46 十、接地装置检 查作 业 指 导 书 ......................................................................... 54 十一 、接触悬挂作 业 指 导 书 ............................................................................. 57 十二、空气绝缘距离作 业 指 导 书 ..................................................................... 61 2 检修作业指...

1、当您付费下载文档后,您只拥有了使用权限,并不意味着购买了版权,文档只能用于自身使用,不得用于其他商业用途(如 [转卖]进行直接盈利或[编辑后售卖]进行间接盈利)。
2、本站所有内容均由合作方或网友上传,本站不对文档的完整性、权威性及其观点立场正确性做任何保证或承诺!文档内容仅供研究参考,付费前请自行鉴别。
3、如文档内容存在违规,或者侵犯商业秘密、侵犯著作权等,请点击“违规举报”。

碎片内容

接触网检修作业指导书

您可能关注的文档

小辰6+ 关注
实名认证
内容提供者

出售各种资料和文档

确认删除?
VIP
微信客服
  • 扫码咨询
会员Q群
  • 会员专属群点击这里加入QQ群
客服邮箱
回到顶部